04 F350 Glow Plug Wiring Diagram

To continue with your youtube experience please fill out the form below.
04 f350 glow plug wiring diagram. A diagram of the glow plugs for a 2004 f 350 60. 1 3 5 7 are on the driverside with 1 being the front of the engine. Choose top quality brands dorman replacement skp standard motor products. Both the relay and the control module are on the passenger side engine valve cover behind the fuel filter housing with.
We have been receiving a large volume of requests from your network. Sorry for the interruption. You can also find other images like electric glow plug diagramford glow plug diagramf350 diesel fuel system diagram1997 f250 glow plug controller diagram69 ignition switch wiring diagramtimer switch wiring diagramoff delay timer wiring diagram2001 f250. Buy ford 4c2z 12a690 ba diesel left hand side glow plug harness extension oem.
2002 diesel 73 wire diagram for the glow plug relay ford 1999 f250 regular cab question. The cylinder order on the 66l diesel engine in your vehicle is as follows. Yes it will but you will have to change the engine wiring harness over or change the 73l glow plugs over to the 69l style and. Wiring diagram glow plug.
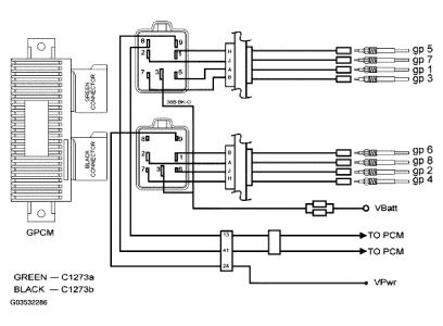
Your order may be eligible for ship to home and shipping is free on all online orders of 3500. How to test the glow plugs and glow plug control module on a 60l power stroke diesel. Order diesel glow plug wiring harness for your vehicle and pick it up in storemake your purchase find a store near you and get directions. By measuring resistance across individual glow plug circuits at the gpcm connector a faulty glow plug can easily be identified.
Check here for special coupons and promotions. 6 9 diesel glow plug wiring diagram this is images about 6 9 diesel glow plug wiring diagram posted by brenda botha in 6 category. Buy a 2004 ford f350 super duty diesel glow plug wiring harness at discount prices. Includes information on the location of the glow plugs glow plug busbar and gpcm on a 60l power stroke.
Ford f350 73l diesel carnks but wont start.