Free Printables Online
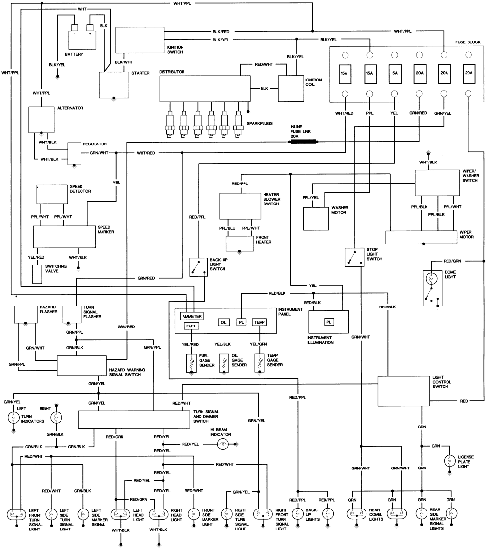
1977 Toyotum Pickup Fuse Diagram
year schedule template
yj jeep fuel diagram wiring schematic
yearly calendar template excel 2016
youtube video template
yearbook collage template
zimbabwe death certificate pdf
york furnace part diagram
zero based budget worksheet
Repair Guides
Repair Guides
Repair Guides
1977 Toyota Pickup Fuse Diagram Wiring Diagram Centre
Fj40 Wiring Diagrams Ih8mud Forum
1978 Toyota Pickup Fuse Box Diagram Wiring Diagram
1977 Chevy Truck Fuse Box Wiring Schematic Diagram
Repair Guides
Repair Guides
1994 Toyota Pickup Fuse Box Diagram Wiring Diagram
Hello I Am Looking For A Wiring Diagramm For A 1984 Toyota
85 Chevy Truck Wiring Diagram 85 Chevy Other Lights Work
1977 Toyota Pickup Wiring Diagram Wiring Diagram Online
Just Bought A 76 Chinook Pop Top General Discussion
1982 Toyota Pickup Truck Electrical Wiring Diagram Original
Solved I Want A Wiring Diagram For My 1977 Toyota Corolla
Fj40 Wiring Diagrams Ih8mud Forum
1977 Chevy Fuse Box Wiring Library
1994 Toyota Pickup 4x4 Engine Wiring Diagram Wiring Diagram
Repair Guides
1978 Toyota Pickup 20r Fuel Pump Relay Replacement Substitute
Source :
pinterest.com
Popular Posts
Cancer Nutrition Certification
Church Emergency Action Plan Template
Chocolate Website Template Designs
College Scholarship Thank You Letter Sample
Bingo Board Template Instagram
Concord Rph10a36da Wiring Diagram
Company Ownership Structure Template
Chipotle Printable Menu
Citroen Van Fuse Box
Business Specification Document Template
Bodine B50 Wiring Diagram
Cmc Power Trim Wiring Diagram
Bookmark Template Printable Free
Change Of Address Form Template
Breast Ultrasound Certification For Mammographers
Commercial Building Electrical Wiring Diagram
Construction Sample Bid Proposal
Business Proposal Powerpoint Template
Certificate Discovery Tool
Central Heat And Air Thermostat Wiring Diagram
Blank Cover Letter Template
Claim Authorization Letter Sample Tagalog
Blank Modern Cv Template Uk
Birthday Invitation Email Template
Biomes Activity Worksheet
Chronological Timeline Template Word
Commercial Audio Equipment Wiring Diagram Install
Cornell Leadership Certificate
Certificate Of Completion Template Word
Big Horn Isuzu Tod Wiring Diagram
Cadillac Headlight Wiring Harnes
Certification For Agile Scrum Master
Cda Portfolio Template
Certificate Templates Free Download
Blank Roster Template Free
Cash Receipt Sample Doc Document Sample
College Biology Lab Report Template
Business Letterhead Template Word Free
Cash Payment Receipt Format For Payment Received
Blank Mortgage Statement Template
Company Goals And Objectives Sample
Birth Certificate Loan
Brand Pitch Email Template
Blank Calendar July 2019 Printable
Call Center Performance Improvement Plan Sample Letters
Chevy Tahoe Trailer Wiring Diagram
Chemistry Certificate Programs Online
Concrete Estimate Excel Template
Construction Project Cash Flow Template Excel
Blank Swot Template Word
Cool Mailchimp Templates
Chevy Thunder Fuse Box
Blank T Shirt Template Vector
Carnival Poster Template
Christmas Writing Paper Template