Free Printables Online
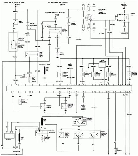
1984 Chevy P 32 Wiring Schematic
youth football registration form template
youth wrist coach template
youtube channel art template
yoplait yogurt printable coupons
year curriculum planning template
zoeller wiring diagram
zenni optical printable ruler
yearbook dedication page template free
1984 Chevy P 32 Wiring Schematic Epub Pdf
1984 Chevy P 32 Wiring Schematic Wiring Library
13 Best Manuals Images Electrical Wiring Diagram
Repair Guides
Wrg 2199 1984 Chevy P 32 Wiring Schematic
Repair Guides
Complete 73 87 Wiring Diagrams
Repair Guides Wiring Diagrams Wiring Diagrams Autozone
Wrg 5168 1984 Chevy P 32 Wiring Schematic
Repair Guides
Chevy P 30 Auto Parking Brake Welcome To Our Nightmare
Steering Column Components Gm Workhorse Mill Supply Inc
350 290 Hp Small Block Crate Engine Chevrolet Performance
1984 Chevy Gmc Vacuum Diagram Routing Solved Youtube
Repair Guides
1227747 Ecm Diagram Page Diagram Electrical Diagram Texts
Fleetwood
Painless Wiring
Alternator Is Good But Itsn T Charging The Battery Help
1999 Chevrolet P30 For Sale In Houston Tx
Complete 73 87 Wiring Diagrams
Source :
pinterest.com
Popular Posts
Doctor Appointment Template
Downloadable Training Certificate Template Word
Daily Overtime Sheet Template Excel
Factory Amp Wiring Diagram E39
Falcon 110 Wiring Diagram
Entrust Ev Certificate
Diploma Resume Model Pdf
Emg Wiring Diagram
Donation Request Donation Flyer Template
Downloadable Instagram Giveaway Template
Depreciation Schedule Irs Form
Downloadable Free Employment Application Template
Document Management Template
Csi Masterformat Estimate Template
Extended Trial Balance Template Excel
Ecommerce App Template
Fake Cpr Certification Card
Editable Payment Coupon Template
Extension Cord Wiring Color
Disaster Recovery Plan Images
Factoring Quadratics Worksheet A1
Datasheet Template Word
Delivery Confirmation Receipt Template
F250 Trailer Wiring Harness Diagram
Dodgers Invitation Template
Expensify Receipt Scanning
Family History Blog Template
Employee Return To Work Letter Sample
Fact Fluency Worksheets
Declaration Sample Letter
Downloadable Workout Calendar Template Excel
Extension Cord Quad Box Wiring Diagram
Excel Free Printable Budget Templates
Dodge Ram Wiring Diagram Terminal 1981
Daily Routine Planner Template
Dental Patient Recall Letter Template
Double Door Diagram
Digital Marketing Fresher Resume Sample
Cx500 Wiring Harnes
Excel Spreadsheet Excel Dashboard Templates Xls
Energy Transformation Worksheet Answers
Creative Booklet Design Template
Dr Oz 2 Week Diet Plan Printable
Doc Obituary Template Word
Editable Family Tree Template 5 Generations
Customer Strategy Template
Eye Catching Email Templates
Diagram Chip Led Drive D68b
Document Retention Policy Template 2019
Employee Form Employee Performance Review Examples Pdf
Diagram Of Germinating Seed
Diagram Of Villi To Label
Disconnect Att Telephone Wiring
Death Certificate Office In Ghaziabad
Create An Itinerary Template