Free Printables Online
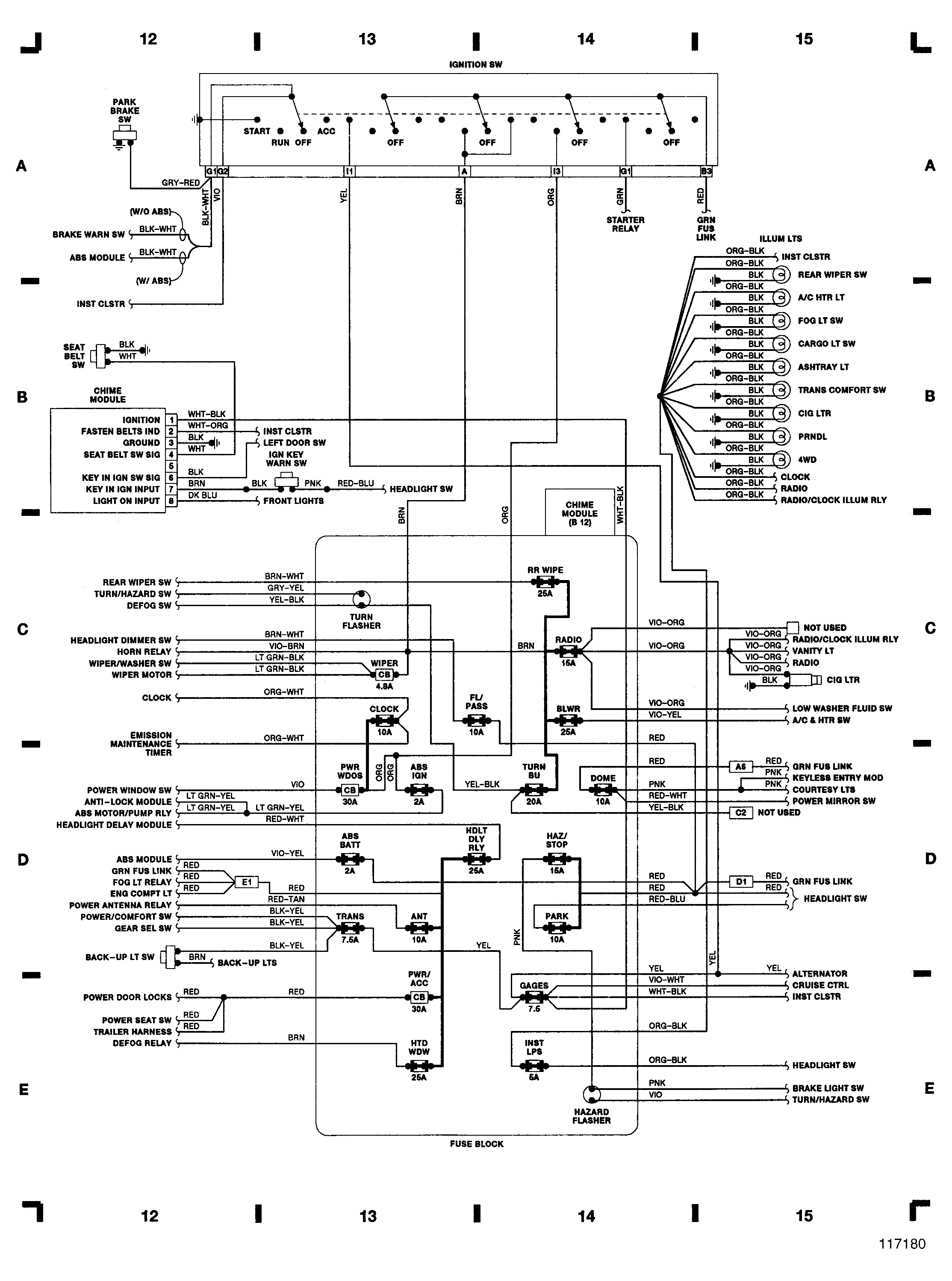
1988 Jeep Grand Wagoneer Ignition Wiring Diagram
yearbook dedication page template free
zebra printer labels template
yoga poses for beginners printable pdf
year curriculum planning template
zebra gk420t label template
you re a lifesaver printable
yearly gantt chart excel template
zenni optical printable pd ruler
1989 Jeep Grand Wagoneer Mag Pu Holley Blog
Tom Oljeep Collins Fsj Wiring Page
Wiring Schematic For 1990 Cherokee Ignition Switch Jeep
Wiring Diagrams 1984 1991 Jeep Cherokee Xj Jeep
Ignition Control Module Wiring Diagram Jeep Cherokee Forum
Tom Oljeep Collins Fsj Wiring Page
Limited Wagoneer I Have A 1988 Jeep Limited Edition Wagoner
Wiring Diagram 1997 Jeep Cherokee Key Switch Wiring 1997
Tom Oljeep Collins Fsj Wiring Page
Ignition Switch Not Getting Power New Switch Jeep
Jeep Horn Wiring Technical Diagrams
Jeep Cherokee Wiring Wiring Diagrams
95 Wrangler Wiring Diagram Schematics Online
1989 Jeep Cherokee 1989 Jeep Cherokee All Of A Sudden The
1989 Jeep Cherokee 1989 Jeep Cherokee All Of A Sudden The
1990 Jeep Cherokee Ignition Wiring Diagram Symbols Aircraft
Grand Wagoneer Wiring Diagram Wiring Diagrams Folder
Jeep Radio Wiring Diagram Schematics Online
Repair Guides
1989 Jeep Yj Ignition Wiring Diagram Wiring Diagrams Folder
Grand Wagoneer Radio Wiring List Of Wiring Diagrams
Source :
pinterest.com
Popular Posts
Arcade Button Template
90 Miatum Fuse Diagram
Accounts Receivable Resume Examples
Abcte Certification Missouri
88 Chevy Distributor Wiring Diagram
Avery 3x3 Label Template
Basic Accounting Certificate Byui
Award Certificate Maker
American Lafrance Rescue
67 Mustang Coupe Window Diagram
2019 Pdf Printable W2 Form 2019
Amazon Web Services Certification
Best Google Slides Templates
6th Grade Long Division Worksheets
Bartender Resume Summary
4 Quadrant Coordinate Grid Worksheets
2021 Yearly Calendar Template Excel
Artist Terms And Conditions Template
Affidavit Letter For Immigration Marriage Sample
At Amp T Wiring Diagram
66 Duramax Cooling System Diagram
Audio Video Certifications
Abc Yoga Printables
2013 Chevy Truck Wiring
Apics Certification Exam Questions
98 Ford F 150 Fuse Box
Ab Brake Line Diagram
3 Phase Motor Winding Formula
8th Grade Math Worksheets
Academic Coaching Certification
Army Resume Builder
Audi Wiper Motor Wiring
5 Year Strategic Plan Template Ppt Free
Baseball Powerpoint Templates Free Download
Background Blue Invitation Template
Airbag Schematic Diagram
Acbc Certification Exam
57 Hemi Belt Diagram
68 Camaro Wiring Diagram
3rd Grade Common Core Math Worksheets
7 Pin Trailer Plug Wiring Diagram
5 Day Calendar Template Excel
Appeal Letter Template For Health Insurance
Annual Work Plan Sample
Arc Welding Machine Circuit Diagram
89 Ford F 150 Turn Signal Wiring Diagram
Admin Website Templates
2019 Chevy 3500 Duramax Fuel Filter Location
2012 Vw Jetta Tdi Fuse Diagram
Agile Project Plan Samples
Beginner Preschool Writing Worksheets
Baby Bingo Template
Best Free Printable Calendar Site
Baja 90cc Atv Wiring Diagram Diagram Wd Bajawd90
98 Cherokee Radio Wiring Diagram