Free Printables Online
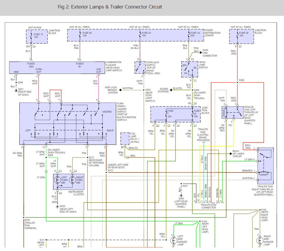
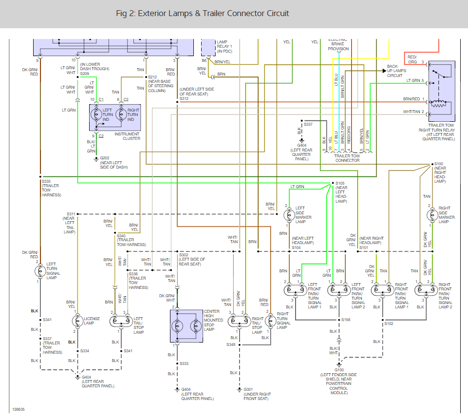
1991 Jeep Cherokee Brake Light Wiring Diagram
fake doctors certificate
cv samples for computer science students
federal resume writing services for veterans
dodge 3500 trailer wire schematic
event photography proposal template
cyber security agreement sample
emergency preparedness certification program
deh 14ub pioneer wiring diagram
87 Jeep Cherokee Brake Light Wiring Schematic Diagram
I Have A 91 Jeep Cherokee Laredo When Lights Selected On
Brake Lights Not Working Everything Else Is
Wiring Diagrams 1984 1991 Jeep Cherokee Xj Jeep
Wiring Diagrams 1984 1991 Jeep Cherokee Xj Jeep
Pin On Jeep Diagrams
Wiring Diagrams 1984 1991 Jeep Cherokee Xj Jeep
Jeep Xj Brake Wiring Wiring Diagram
Jeep Cherokee Wiring Diagrams Bcberhampur Org
No Brake Lights Jeep Cherokee Forum
Turn Signals Not Working There Is An Ongoing Discussion
91 Xj Hazard Brake Light Fuse Location Jeep Cherokee Forum
Wiring Diagrams 1984 1991 Jeep Cherokee Xj Jeep
No Brake Lights Six Cylinder Four Wheel Drive Automatic
Wiring Diagram 2000 Jeep Cherokee Wiring Diagram
Fuses Circuit Breakers 1984 1991 Jeep Cherokee Xj
87 Jeep Cherokee Brake Light Wiring Schematic Diagram
No Brake Lights Six Cylinder Four Wheel Drive Automatic
91 Xj Hazard Brake Light Fuse Location Jeep Cherokee Forum
Just Replaced Heater Core In A 2000 Jeep Grand Cherokee
Jeep Xj Parking Brake Diagram Jeep Xj Jeep Cherokee Xj
Source :
pinterest.com
Popular Posts
Reference Sample Recommendation Letter From Employer
Resume Writing Services Bergen County Nj
Printable Violin Fret Guide
Printable Fantasy Football Rankings By Position 2019
Poly Planar Cd Player Wiring Diagram
Restaurant Policies And Procedures Template
Project Cost Estimate Template Excel
Professional Certificate Paper
Printable Blank Bill Of Lading
Resume Template With Skills Section
Print Release Template For Photographers
Printable Coupon For Nature Valley Granola Bars
Printable Pay Check Stubs
Request Raffle Prize Donation Letter Template
Pool Wiring Schematic
Project Work Plan Sample
Reconfirmation Email Template
Printable Aerial Maps Free
Pre Training Questionnaire Template
Printable Monthly Expense Sheet
Printable Number Line Positive And Negative
Resume Format For Job Application First Time
Printable Vintage Spice Labels
Printable Letter Writing Template Pdf
Project Management Project Overview Sample
Relationship Contract Template Funny
Printable Bill Of Sale Nm
Resource Plan Template Powerpoint
Printable Spencerian Penmanship Worksheets Pdf
Resume Io Phone Number
Porsche Cayenne Fuse Panel Diagram
Real Estate Valuation Letter Template
Preschool Enrollment Form Template
Postcard Template Illustrator 4x6
Resume I Can Copy
Printable Basketball Court Diagram Pdf
Printable Book Review Pdf Template
Police Report Sample Pdf
Printable Comic Book Page Template
Printable Dr Note
Police Report Template Pdf
Professional Resume Writers Richmond Va
Printable Reading For Kindergarten
Printable Sign In Sheet
Pre Employment Employment Background Check Sample
Purchase Agreement Sample
Printable Password Book
Resume Sample For Electrician Job
Project Work Plan Template Excel
Resume Template Examples For College Students
Printable Paw Patrol Invitation Template
Printable Checkbook Register Template Free
Quickbooks Online Receipts Feature
Resume Cover Letter Format Examples
Pontiac Grand Prix Stereo Wiring Harnes