1992 Chevy Truck Wiring Diagram

What is the best controller for emulating wii u and gamecube.
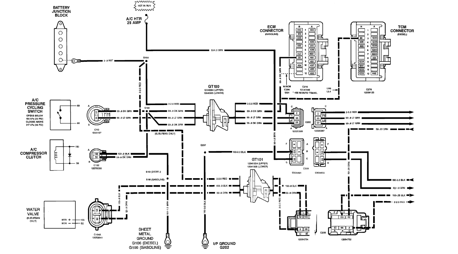
1992 chevy truck wiring diagram. Collect all useful circuits for you. 1994 pick upsierra 43l and 74l wmt engine schematic. 1992 chevy silverado fuse box diagram this is diagram about 1992 chevy silverado fuse box diagram you can learn online. I need wiring diagram for 1992 chevy truck k 3500 4wd v8 454 74l.
1991 chevy truck v8 four wheel drive manual we cant get the heaterac head unit to power up even though there is power there on several wires. Posted on jun 06 2010. When i tried to restart it got nothing. Where can you find a wiring diagram for a 1992 chevy truck.
1992 chevy truck wiring diagram the best way to get a wiring diagram for your truck is to buy a haynes manual about 25 for your truck at the auto part store. No guage indications no power to the windows cannot lock it with the power door locks headlights work and interior lights come on when i have the door open. 1923 chevrolet car wiring 1923 chevrolet general wiring 1923 chevrolet superior model 1923 chevrolet wiring 1925 chevrolet superior model series k 1927 chevrolet capitol and national 1927 chevrolet capitol and national models 1928 chevrolet. We have replaced the wiring harness computer selenoids blower motor head unit.
Pretty much everything in the cab that relates to the heater. 1992 chevy silverado fuse box diagram. Chevrolet vehicles diagrams schematics and service manuals download for free. Wiring diagram schematics for your 1992 chevy truck get the most accurate wiring diagram schematics in our online service repair manual you cant always trust out of date or expired printed 1992 chevy truck manuals when it comes to wiring diagram schematics.
Autozone repair guide for your chassis electrical wiring diagrams wiring diagrams. There is no power to the ignition. 1991 98 gm truck wiring schematic. Which wiring harness should i use on my car or truck kwik wirecom duration.
Fuses are all good. Free chevrolet wiring diagrams imallwiredupall. What is the layer of earth that is liquid. 1992 chevy silverado fuse.
Need a wiring diagram for a 1992 chevy 1500 pickuptruck stopped running on me yesterday. Itll give you a lot more than just the wiring diagram. Posted by circuit diagram in car fuse box diagrams.