Free Printables Online
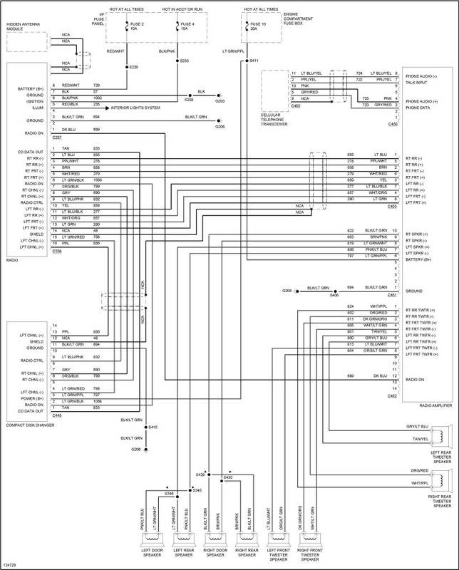
1994 Lincoln Mark Viii Wiring Diagram
free liability waiver template
garden of life probiotics printable coupon
free consulting invoice template excel
ford headlight wiring color
happy birthday party hat template
free printable personal loan contract
german wiring diagram
free printable verbal warning template
Details About 1994 Lincoln Mark Viii Foldout Wiring Diagram 94 Mark 8 Electrical Schematic
95 Mark 8 Jbl Wiring Diagram Needed Lincolns Online
Air Suspension Explained
1994 Lincoln Mark Viii Wiring Diagram Catalogue Of Schemas
1994 Lincoln Mark Viii Wiring Diagram Catalogue Of Schemas
Lincoln Mark Viii Stereo Wiring Diagram Technical Diagrams
95 Mark 8 Jbl Wiring Diagram Needed Lincolns Online
Jbl Diagram Lincoln Vs Cadillac Forums
1998 Lincoln Mark Viii Brake Tailights Dont Work Shifter
Wrg 0325 Lincoln Mark Viii Wiring Diagram
Mark Viii Wiring Diagram Wiring Library
Fuel Pump Not Turning On Will Pump When Relay Is Jumped Out
Details About 1994 Lincoln Mark Viii Electrical Wiring Diagram Schematics Sheet Service Manual
Mark Viii Featured Tech And Schematics The Mark Viii
Lincoln Mark Viii Questions Change Tape Deck To Cd Player
1997 Lincoln Mark Viii Fuse Box Diagram Schematics Online
Lincoln Mark Viii Wikipedia
Kenwood Stereo Install In 1994 Mark Viii Lincoln Vs
1994 Lincoln Mark Viii Electrical Wiring Diagrams
1994 Lincoln Mark Viii Fuse Diagram Ford L8000 Wiring
Mark Viii Featured Tech And Schematics The Mark Viii
Source :
pinterest.com
Popular Posts
Paint A Fuse Box
Multiplication And Division Flash Cards Printable
Online Raffle Ticket Template
Pmp Certification Benefits
Photocell Sensor Wiring Diagram
New Year Party Invitation Letter Sample
Parking Space Template
Neat Receipts App
Medical Bill Receipt
Pac Vw Wiring Harnes
Nys Bowhunter Education Homework Worksheet Answers
Nuwave Spa Controller Wiring
Money Order Sample
Music Website Template Free
Mitosis Vs Meiosis Review Worksheet
Napa Valley Winery Map Printable
Material Take Off Template
Organic Certification Jobs In India
Microsoft Developer Certification
Oi Oy Worksheets
Mini Session Templates Free
Marketing Calendar Template Excel Free
Mile Marker Solenoid Wiring Diagram
Miller Dialarc 250 Acdc Specs
Online Dive Certification
Open Interview Flyer Template
Pdf Free Printable Blood Sugar Log Sheet
Medical History Sheet Sample
Mcc Coaching Certification
Monthly Profit And Loss Template Free
Philhealth Id Template Psd
Ms Excel Chart Templates
Microphone Amplifier Circuit Diagram
Mysql Er Diagram Generator
Office Newsletter Templates Word
Nonprofit Bylaws Template
Peugeot 407 Heater Box Diagram
Microsoft Azure Certification Roadmap
Personal Planner Free Printable Daily Planner Template 2020
One Step Equations Addition And Subtraction Worksheet Pdf
Non Liability Waiver Template
Online Math Worksheets For Grade 3
Mcsa 5875 Printable Form
Mobile Application Business Plan Template
Order Contract Template
Microsoft Publisher Certificate Templates
Mvp Award Certificate
Personal Trainer Website Template Free
Organic Website Templates Free
Peer Evaluation Peer Assessment Sample
Pdf Printable Lawn Care Invoice Template
Parallel Box Wiring Diagram
Petition Template Sample Petition Letter To Government Pdf
Medical Prescription Template Excel
Pet Death Certificate Template