Free Printables Online
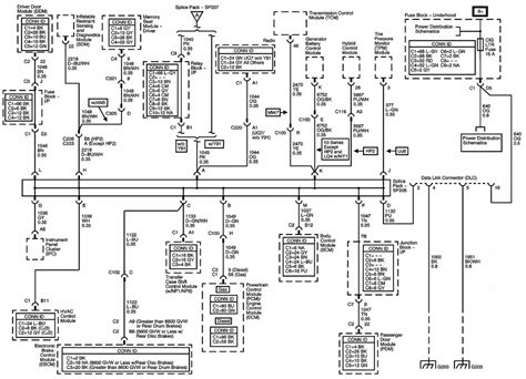
1995 Chevy Ecm Wiring Diagram
practice cursive letters worksheet
project timeline sample timeline template
reason for vacation leave sample
pto flyer template
professional services agreement sample
registration form template google docs
private placement memorandum sample
printable land sale agreement template
1227747 Ecm Diagram Page Trucks Diagram Electrical
Ignition System Circuit Diagram 1992 1995 Chevy Gmc Pick Up
Wiring Diagrams And Pinouts Brianesser Com
218865uyt 1995 Chevy Ecm Wiring Diagram Wiring Diagram Eu
Pin On Kc
1995 Chevy Silverado Ecm Wiring Diagram Schematic Wiring
Wiring Diagrams And Pinouts Brianesser Com
1995 Pcm Pin Out Chart Gm 4 3l 5 0l 5 7l Gas W 4l60 E Or
1995 Chevy Silverado Ecm Wiring Diagram Schematic Epub Pdf
Solved I Need A Stereo Wiring Diagram For 1995 Chevrolet
Wiring Diagrams And Pinouts Brianesser Com
Which Wires Need Swapping 1228746 To 1227747 Third
System 2000 Wiring Diagram Digital Resources
Need 2001 4 3 Ecm Pinout Diagram Blazer Forum Chevy
Diy Walkthrough For Vcm Ecu Ground Wire Update Chevrolet
I Have A 1995 Chevy 1500 350 4x4 The Fuel Pump Doesn T Seem
Need 2001 4 3 Ecm Pinout Diagram Blazer Forum Chevy
1995 Pcm Pin Out Chart Gm 4 3l 5 0l 5 7l Gas W 4l60 E Or
Lt1 Ignition Issues Help Third Generation F Body Message
What Is The Physical Location Of The Ecm For A 1993 Chevy
Lt1 Electrical Page
Source :
pinterest.com
Popular Posts
Event Income And Expense Report Template
Electric Hot Water Tank Wiring
Deviation Request Form Template
Endorsement Email Template
Employee Shift Change Request Form Templates
Dna Replication Worksheet Pdf
Diagram For 1997 Ford E250 Fuse Box
Electron Dot Diagram For Alkali Metals
Dodge Tail Light Wiring Diagram
Dodge Truck Stereo Wiring Diagram
Excel Spreadsheet Monthly Profit And Loss Template Excel
Envelope Template Free Cash Envelope Tracker Printable
Fender Bass Matching Headstock
Exercise Printable Workout Planner
Cut Out Small Star Template
Doubles Facts Plus One Worksheet
Family Tree Template For Kids French
Date Night Cards Printable
Critical Path Template Powerpoint
Excel Instructions Tab Template
Equipment Pm Checklist Template
Downloadable Bachelorette Party Itinerary Template
Downloadable Free Rent Receipt Template Pdf
Dropbox Resume Template
Draft Will Format Sample
Emi Emc Certification India
Diagram 2003 Mazda Protege
Disco Ball Invitation Template
Dimarzio Wiring Diagram 4 Conductor
Download Html Templates
Employee Status Report Template Excel
Fcc Certification Usa
Ems Online Certification
Downloadable Printable Cash Receipt Template Free
Customizable Employment Application Template
Elevator Certificate Frame Grainger
Downloadable Submittal Form Template
Editable Weekly Meal Planner Template Pdf
Door Chime Wiring Diagram
Excel Hotel Invoice Template
Easter Bunny Letter Template Printable
Downloadable Beer Menu Template
Drafting Lettering Template
Delorean Fuse Box Diagram
Entry Level Sales Resume
Drywall Estimating Template
Craniosacral Certification Online
Editable Free Printable Work Order Template
Cute Printable Colorful Cute Printable Weekly Planner Template
Fender Guitar Pickup Wiring
Email Read Receipt App
Crm Certification Courses
Dodge Dakotum Fuse Box
Diesel Fuel Filter Housing With Priming Pump
Ducati Monster 900 Wiring Diagram