Free Printables Online
1996 Cadillac Deville Wiring Schematic
2006 pontiac vibe fuse box location
1979 vw beetle wiring diagram
2005 ford e450 fuse diagram
1995 volvo 940 engine diagram wiring schematic
1997 ford club wagon fuse diagram
2002 trailblazer rear wiper motor schematic
2006 hhr stereo wiring diagram
2002 nissan frontier wiring diagram
Pin On Chevy
1996 Cadillac Deville Wiring Diagram Schematic Wiring Diagram
Pin On Chevy
Cadillac Deville Wiring Diagrams
1996 Deville Radio Wiring Diagram
93 Cadillac Eldorado Fuse Diagram Wiring Schematic Diagram
2001 Cadillac Eldorado Wiring Diagram Digital Resources
Cadillac Deville Wiring Diagrams
I Need A Wiring Diagram For A 1997 Cadillac Deville Can You
1996 Cadillac Deville Wiring Diagram Schematic Wiring Diagram
1971 1980 Cadillac Wiring Diagrams The Old Car Manual
1996 Deville Radio Wiring Diagram
1996 Cadillac Deville Brake Light Wiring Diagram Questions
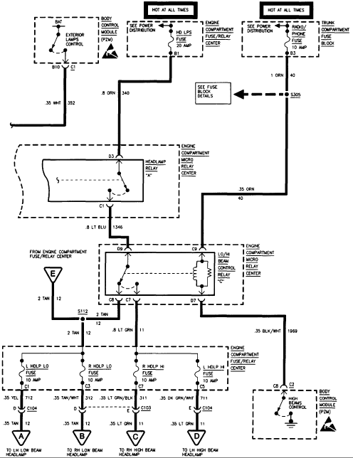
1996 Cadillac Deville Headlight Problem My Cadillac S
1971 1980 Cadillac Wiring Diagrams The Old Car Manual
Fuse Box 96 Cadillac Sts Wiring Schematic Diagram
1996 Cadillac Deville Engine Diagram Gen F Body Tech Aids
1996 Deville Radio Wiring Diagram
96 Cadillac Fuse Box Wiring Schematic Diagram
1996 Cadillac Deville Wiring Diagram Schematic Wiring Diagram
1996 Cadillac Seville Installation Parts Harness Wires
Source :
pinterest.com
Popular Posts
Printable Short Biography Template Pdf
Printable Anti Inflammatory Diet
Preschool Weekly Newsletter Template
Printable Sds Label Template
Pregnancy Doctors Note Template
Powerpoint Brochure Templates
Printable Paper Dolls
Research Poster Template Powerpoint
Pontiac G6 2006 Fuse Box Diagram
Resume Builder For First Time Job
Professional Ebay Listing Template
Resume Adobe Spark
Proces Flow Diagram All Waste Stream
Resume Template For Legal Assistant
Procedure Operations Manual Template Microsoft
Pontoon Boat Outboard Wiring Diagram
Ptcrb Certification Cost
Printable Bunny Rabbit Coloring Pages
Printable Chapter Summary Template Pdf
Resume Parser Open Source
Printable Map Of Upper Peninsula Michigan
Promissory Note Template Michigan
Professional Thank You Ppt Template
Pricing Contract Template
Professional Engineering Management Certification Example
Printable Share A Memory Card Template Free
Resume For Teenager First Job Template
Rent Tenancy Agreement Sample In Word
Rear Lamp
Requirements Document Template Word
Quotation Template Uk Free
Project Proposal Template
Reading Comprehension Worksheets For Senior High School
Printable Monthly Calendar 2019 Template
Printable Medicare Claim Form
Project Status Report Templates Excel
Responsive Email Template Free Download
Project Management Project Request Form Template
Renew Life Coupon Printable 2019
Printable Leprechaun Images
Product Training Powerpoint Template
Printable 1098 Form
Political Campaign Manager Contract Template
Racing Website Template
Printable Coloring Pictures
Receipt Printer Best Buy
Resume Examples For Chick Fil A
Request Marriage Certificate
Printable Food Allergy Signs
Printable Birthday Cards With Pictures
Printable Simple Invoice Template Free
Printable Bingo Cards 1 75
Printable Photo Collage Template
Porsche 914 Fuse Panel Replacement
Printable Household Budget Template Excel