Free Printables Online
1996 Grand Am Wiring Diagram
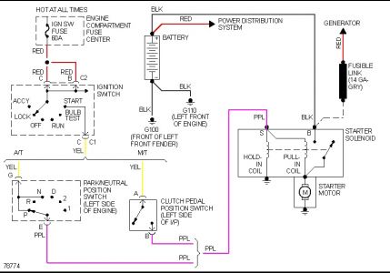
2002 ford f 150 wiring diagram
2006 chevy tahoe stereo wiring diagram
1934 gold certificate
12v fan wiring diagram
1992 harley sportster wiring diagram
2006 chevy silverado radio wiring diagram
2002 bmw 745li fuse diagram
12 month photo banner template free
1996 Pontiac Grand Am New Question 1996 Pontiac Grand Am 6
1996 Grand Am Fuse Box Wiring Diagram
92 Grand Am Wiring Diagram Wiring Diagrams Folder
1996 Honda Accord Fuel Pump Wiring Diagram Auto Electrical
I Have An 02 Grand Am The Passenger Side Headlight Assembly
01 Grand Am Fuse Box Wiring Schematic Diagram 174
95 Grand Am Wiring Diagram Wiring Diagram
1996 Pontiac Grand Am Engine Diagram Wiring Diagram
1996 Pontiac Grand Am 3 1l Engine Diagram Wiring Wiring
92 Grand Am Wiring Diagram Wiring Diagrams Folder
Repair Guides
1996 Pontiac Grand Am Big Time Wiring Issue
93 Trans Am Wiring Diagram Technical Diagrams
1999 Pontiac Grand Am Gt Diagram Color Wheel Questions
93 Grand Am Fuse Box Wiring Diagram
1996 Civic Wiring Diagram Schematics Online
For A 1996 Pontiac Grand Am Se Engine Wiring Diagram
1996 Pontiac Engine Wiring Diagram Schematics Online
43 Vortec Wiring Diagram Visitfowey Org
Grand Am V6 Engine Diagram Machine Learning
1996 Pontiac Grand Am Fuse Box Diagram Wiring Diagram
Source :
pinterest.com
Popular Posts
Sample Contractor Invoice
Sop Template Docx
Squier Affinity Telecaster Arctic White
Sports Email Templates
Student Certificate Templates For Word
Service Sample Subcontractor Agreement
Rolex Authentication Certificate
Secondary Market Research Report Sample
Sony Cdx M30 Wiring Diagram
Speed Queen Electric Dryer Wiring Diagram
Revit 2018 Templates Download
Social Work Report Sample Pdf
Steakhouse Menu Template
Series 3 Land Rover Wiring Diagram
Simple Project Report Template Word
Simple Delivery Receipt Sample
Sports Themed Baby Shower Invitation Templates
Roster Template Word
Sqf Auditor Certification
Sales Receipt Template Word
Star Delta Starter Control Circuit Diagram With Timer
Sdvosb Certification Process
Software Development Effort Estimation Template
S10 Wiring Diagram
Statement Of Purpose Examples Masters
Sample Disengagement Letter
Statement Of Purpose Sample For Ms In Data Science
Summary Dismissal Letter Sample Kenya
Save The Date Label Template
Sterile Technician Certification Online
Sample Medical School Cv
Sample Status
Rhapsody Certification Cost
Sample Weekly Budget Meal Plan
Rugby Play Diagram
Sample Proposal For Sponsorship Request
Sample Personal Vision Statements
Sample Letter For Leave Of Absence From Work Due To Illness
Sample Commendation Letter
Sample Nursing Resume
Sample Law Personal Statement
Spinner Motor Wiring Diagram For Backhoe
Stock And Transfer Book Sample Philippines
Sample Grant Proposal Budget Narrative
Sample Instructions Template
Soccer Trading Card Template
Scrum Of Scrum Template
Rj 45 Connection Wiring Diagram
Screenplay Templates For Word
Squarespace Foundry Template
Sample Invitation Letter For Family Visitor Visa Usa
Sample Love Letter Tagalog
Sample Ged Certificate
Subaru Outback Headlight Diagram
Sample Procurement Procedure Template