Free Printables Online
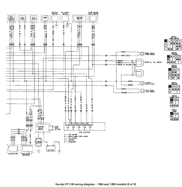
1999 Honda Shadow Spirit 1100 Wiring Diagram
vowel digraphs worksheets
volleyball registration form template
template production plan
tractor switch wiring diagram
word document flowchart template word
wire transfer form template
weekly accomplishment report template
vespa gt200 wiring diagram ignition
Honda Shadow Wiring Diagrams Tj Brutal Customs Support
Honda Shadow Wiring Diagrams Tj Brutal Customs Support
1999 Honda Shadow Spirit 1100 Vt1100c Wire Harness 1 Parts
Honda Shadow Wiring Diagrams Tj Brutal Customs Support
Honda Shadow Wiring Diagrams Tj Brutal Customs Support
Vt1100 Wiring Diagram Schematics Online
How To Find The Brake Light Wire Honda Shadow Forums
Vt1100c Honda Shadow Wiring Diagram Wiring Diagram
Cooling Fan Problem With My 1999 Honda Vt1100 Shadow Spirit 1100
Honda Shadow Aero Wiring Diagram Schematics Online
1997 Honda Shadow Spirit 1100 Vt1100c Radiator Parts Best
Wiring Diagram For Honda Shadow 1100 Motorcycle Schematics
Honda Vt1100 Series 1995 2007 Clymer Motorcycle Repair
Amazon Com Haynes Repair Manual 2313 For Honda Shadow Vt
Honda Shadow Wiring Diagrams Tj Brutal Customs Support
Honda Magna Fuse Box Technical Diagrams
Honda Shadow Parts Shadow 750 Vt1100 Parts And Specs
1999 Honda Shadow Ace Deluxe 750 Vt750cd Headlight Parts
The Sabre Group Tech Mods
Basic Motorcycle Maintenance How To S Honda 2002 Vt1100 Shadow Sabre 2000 2007
I Need A Wiring Diagram For A 1986 Honda Shadow Vt1100 Fixya
Source :
pinterest.com
Popular Posts
Hubspot Template Builder
Jeep Xj Front Axle Diagram
How To Write Business Rules Template
Kenwood 16 Pin Wiring Harnes Car
Librarian Certification Texas
Land Rover Discovery 2 Fuse Diagram
Healthcare Templates Free Download
I Need A Good Resume
Inventory Management Excel Inventory Template
Honda Rubicon Wiring Diagram
Kitchen Schematic Diagram
Kawasaki Fuse Box
Magnum Ice Cream Coupon Printable
Job Personal Reference Letter Sample
Investment Budget Template
Lq9 Coil Wiring
It Security Risk Management Plan Template
How To Get A Brochure Template On Word
Labeled Onion Cell Diagram
Little Free Library Printables
Hyde Template Squarespace
Job Professional Resume Pdf
Investment Portfolio Template
Job Interview Score Sheet Template
Icon Converter Wiring Diagram
How To Wire A Pool Timer Switch
Letter Recognition Worksheets Pre K
Hoa Annual Report Template
Hipaa Security Risk Assessment Template
Honey Baked Coupons Printable
Homework Assignment Sheet Template
Hummer H3 Fuse Box Cover
Invoice Template That Calculates Total
Hvac Contract Template
Kawasaki Bayou 300 Wiring Diagram
Integrated Wiring Fuse Box
Mack Wiring Diagram 05
Last Will And Testament Template Florida
Jan Richardson Guided Reading Lesson Plan Template
Kium K9
Ksu Resume Template
Lt1 Wiring Harnes Schematic
Household Cleaning Schedule Template
Home Safety Diagram
Honeywell Lyric Thermostat Reset Wifi
Legal Size Brochure Template
Justhost Ssl Certificate
Jeep Liberty Sport Engine Diagram
Internal Audit Template
John Deere 317 Wiring Harnes
Hvac Controls Certification
How To Design A Receipt In Excel
Hobby Lobby Printable Coupons 2018
How To Create A Work Plan Sample
Line Plot Worksheets 4th Grade