Free Printables Online
2000 Buick Lesabre Thermostat Location
ford flex 2009 fuse diagram
free catering invoice template word
gx 24 4 pin adapter wiring diagram
free printable landscape bid template
graphic design contract template
for cat 5 network cable wiring diagram
flyer pull tab template
happy new year letter sample
2001 Buick Lesabre How To Change Thermostat How Do I Change
Buick Century Questions Where Is The Thermostat In A 2000
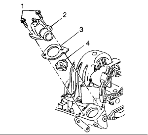
How To Change A Thermostat On A Gm 3800 The Fastest Way
2004 Buick Lesabre Engine Coolant Thermostat
2004 Buick Lesabre Thermostat Replace The Thermostat In 3 8
Part 1 How To Test The Thermostat Gm 3 8l V6
2000 Buick Century 3 1 Liter Engine Thermostat
Installing A New Thermostat Gm Forum Buick Cadillac
Repair Guides
Repair Guides
Replace Thermostat 1999 Buick Century 3 1 Sfi V6 Fixya
Replacing Thermostat In 1991 Buick Lesabre Custom 1 Youtube
Buick Thermostat
Thermostat Replacement How Do You Remove A Thermostat From
Engine Coolant Thermostat Replacement 3800 V6 Engine Pontiac Bonneville P0128 Obd Ii Code Repair
Repair Guides
Signs Of A Bad Thermostat And How To Fix It
I M Trying To Replace The Water Pump On A 1994 Buick Park
Repair Guides
Bob S Blog
Thermostat Location Of Thermostat 3300
Source :
pinterest.com
Popular Posts
Jungle Safari Invitation Template Free
Kids Menu Templates Free Download
Healthcare Quality Certification
John Deere Gator Fuse Panel Diagram
Home Inventory Template
House Property Sale Agreement Template
How To Spruce Up Resume
High School School Incident Report Sample Letter
How To Write Volunteer Experience In Resume
Lent Menu Template
Introduction Letter To Clients Template
Iso Welding Certification
Inspection Report Template Word
How Do I Confirm Receipt Of Email In Outlook
Love Contract Sample
Kenwood Car Audio Wiring Diagram
Jeep Cj7 Dimension
Income Statement Format For Manufacturing Company
Infocomm Cts Certification
Inherited And Learned Behavior Worksheets
Human Skull Diagram Blank
Linkedin Summary Template For Recent Graduates
Job Resume Templates For College Students
Kraft Cheese Printable Coupons 2018
Internal External Wiring Diagram 4391999 5582561 Image
Layout 2005 Chrysler 300 Fuse Box Diagram
How To Make An Appealing Resume
John Deere 320d Wiring Harnes Diagram
John Deere Z425 Wiring Diagram Free
How To Put Together A Professional Resume
Letter Of Recommendation Samples For Scholarships
How To Make Professional Email Templates
Job Advertisement Template Free
How To Write A Curriculum Vitae Template
Hr Benefits Certification
Honda Amaze Wiring Diagram
M38a1 Electrical Drawing
Irrevocable Letter Of Credit Template
Hitrust Certification Training
Lighting Contactor With Photocell Wiring Diagram
Land Rover Defender Wiring Color Code
Head Chef Job Description Template
Inventory Control Template With Count Sheet For Excel
High School Sentence Fragment Worksheets
Hdb Loan Appeal Letter Sample
Hunter Fan Wiring Diagram For 3 Way Switch
How To Prepare Resume Online
Indian Railway Appointment Letter Sample
Home Daycare Flyers Free Templates
Help Desk Metrics Excel Template
How To Design A Receipt In Word
How To Write Obituaries Templates
Kitchen Receipt Holder
Makeup Artist Resume Templates Free
Iphone 11 Receipt Online