2000 Ford Tauru Ac Wiring Diagram

Assortment of 2000 ford taurus wiring diagram.
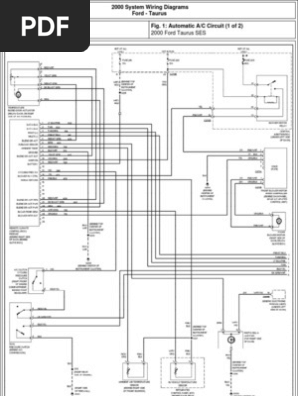
2000 ford tauru ac wiring diagram. It reveals the parts of the circuit as streamlined shapes as well as the power as well as signal connections between the tools. Interior under dash fuse box diagram within 2000 ford taurus fuse box diagram image size 688 x 817 px and to view image details please click the image. Fuses and relays box diagram ford taurus 2000 2007. 2003 ford taurus fuse box diagram.
Rear control unit power antenna module evaporative emission powertrain control module ac clutch relay generator canister vent valve oxygen sensor abs control module fuel pump relay rear control unit cd charger cigar lighter headlamp battery junction box cantral junction box pcm. Windowchech the fuse under box cover the fuses are labledif fuse good may have bad switch check remove switch from panel after removing panelcheck with key on for power at switch if power is good press switch chech power on motor by. Identifying and legend fuse box. It reveals the parts of the circuit as simplified shapes as well as the power and also signal links in between the gadgets.
2000 ford taurus driver power window not working should be a fuse in engine compartment drivers side black box and there will be fuses for each sep. 2003 ford taurus fuse box map. Assortment of 2000 ford taurus wiring schematic. Fuse panel layout diagram parts.