Free Printables Online
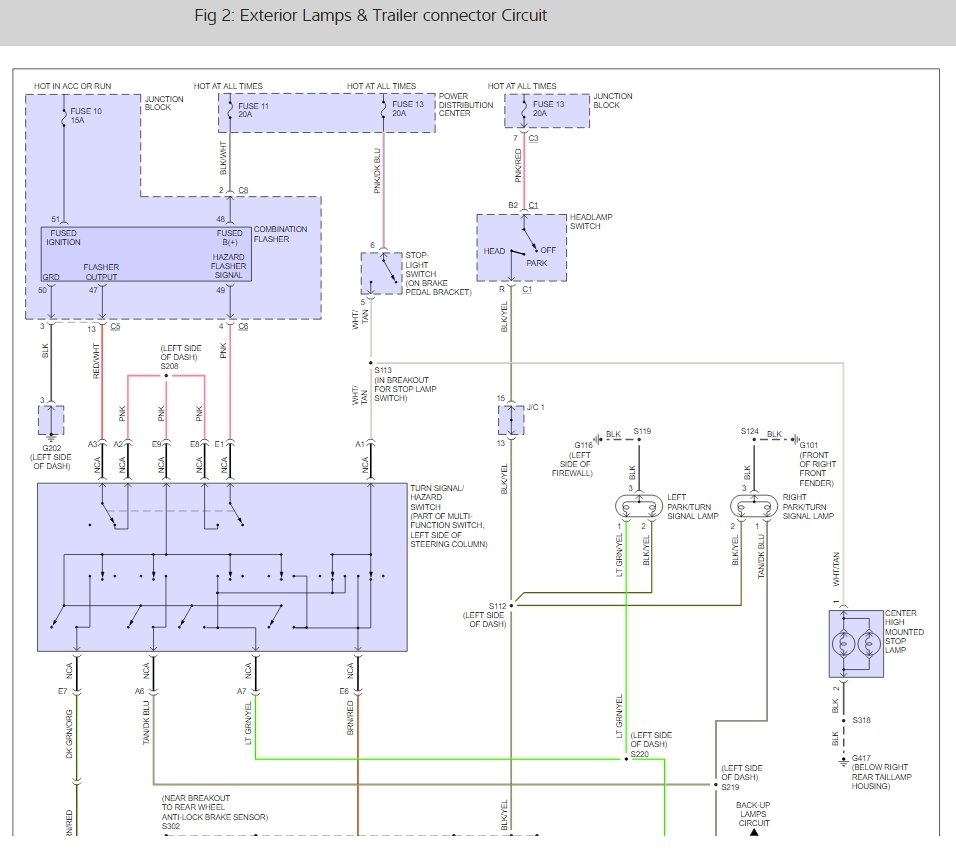
2001 Dodge Ram Brake Light Wiring Diagram
resume builder europe
purchase sale agreement template for vehicle
professional services agreement sample
printable donation receipt template google docs
printable longitude and latitude worksheets
quote home remodeling cost estimate template
printable blank note cards
product target market sample
Tail Light Wire Diagram Dodge Diesel Diesel Truck
Dodge Ram 1500 Questions Brake Lights Don T Illuminate
Brake Lights Not Working My Brake Lights On My Truck Have
Solved Need Diagram For Taillight Wiring On 2001 Dodge Fixya
Brake Light Wiring Diagram Howstuffworks
Dodge Tail Light Wiring List Of Wiring Diagrams
Dodge Ram Brake Light Wiring Diagram Wiring Diagrams Folder
Dodge Ram 1500 Questions Brake Lights Don T Illuminate
2001 Dodge Ram Taillight Wiring Color Code To Install A 4
Solved Stop Brake Switich Wiring For A Dodge Ram 3500 Fixya
Brake Lights Not Working My Brake Lights On My Truck Have
I Have No Brake Lights On The Back Of My Truck The Brake
1998 Dodge Ram 1500 Light Wiring Diagrams
Brake Lights Not Working My Brake Lights On My Truck Have
2004 Dodge Ram Right Rear Brake Top Light Out But Turn
Dodge Ram Wiring Wiring Schematic Diagram
2001 Dodge Dakota Wire Diagram Wiring Schematic Wiring Library
Brake Light Wiring Diagram Visitfowey Org
2002 Dodge Durango Brake Light Wiring Diagram Wiring
Solved 1994 Dodge Dakota Tail Light Brake Light Wiring
Ram 1500 Light Wiring Diagram Schematics Online
Source :
pinterest.com
Popular Posts
Printable Blank Newsletter Template
Professional Reference Letter Template Uk
Printable Mason Jar Stencil
Project Roadmap Template Powerpoint
Real Estate Marketing Postcard Templates
Resume Cover Letter Generator
Rental Property Inventory Template
Power Rangers Birthday Card Printable
Printable Postcard Back Template
Printable Fabric For Inkjet Printers
Resume Writers In Austin
Receipt App To Earn Money
Printable Images Of The Armor Of God
Printable Nerf Birthday Invitations
Response Letter Sample To A Complaint
Printable Preschool Worksheets For Kids
Printable Business Proposal Template Pdf
Project Management Guide Template
Printable Story Map
Product Management Strategy Template
Printable Flow Chart Template
Printable Place Cards Template Christmas
Printable Laundry Sorting Labels
Printable Bible Hidden Pictures
Questionnaire Template Doc Free
Portuguese Birth Certificate Goa
Raptor 250 08 Wiring Diagram
Powerpoint Business Timeline Template
Recommendation Sample Professional Reference Letter For Nurses
Printable Wall Art For Living Room
Printable Durable Power Of Attorney Form Texas
Premium Business Powerpoint Templates
Return Receipt Tracking Number
Return To Work Template Word
Requisition Letter Request Letter Sample
Quarterly Sales Report Template Excel
Printable 5x7 Template
Request For Tender Sample
Power Line Wiring Diagram
Printable Bible Figures
Pool Pump Timer Wiring Diagram
Razor Electric Dirt Bike Wiring Diagram
Profile Write Up Sample
Printable Template Happy Anniversary Card
Rca Wiring Color Code
Printable Vehicle Service Sheet Template
Printable Fake Cheque Template
Red And White And Blue Wire Speaker Connection Diagram
Printable Bible Verse Cards
Qx56 Fuse Diagram
Printable Packing Slip Template Excel
Refusal Letter Sample
Research Birth Certificates
Porsche 914 Fuse Panel Replacement
Resume Format For Accountant In Word Format Download Free 2019