Free Printables Online
2001 S10 Engine Diagram
free printable last will and testament arkansas
free printable basic bill of sale
franchise agreement sample philippines
financial budget planner template
free printable borders and frames
free writing worksheets for 1st grade
free printable dolphin pictures
financial profit and loss statement template
1999 S10 Zr2 Engine Diagram Wiring Schematic Diagram 15
2001 Chevy S10 4x4 Zr2 Need Vacuum Hose Diagram Or Picture
11 2001 Chevy S10 Fuel Pump Wiring Diagram Discover 95 2
1999 Chevy S10 4 3l V6 Youtube
Solved Vacuum Hose Diagram For A 2001 Chevy Blazer Fixya
1997 S 10 Blazer Vacuum Diagram Blazer Forum Chevy
Solved Looking For The Diagram Of Vacuum Hoses And Lines
Repair Guides
Chevy Blazer S10 Vacuum System Diagram Routing 4 3l Vortec Engine
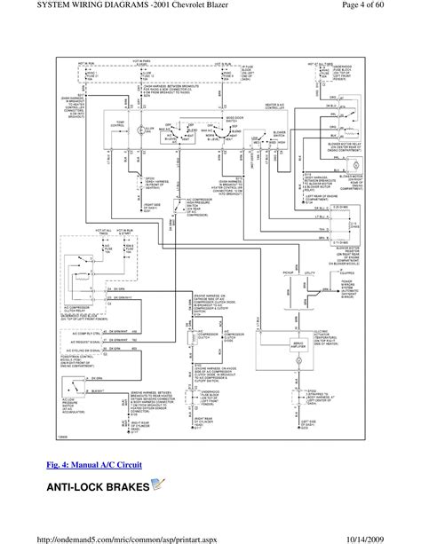
2001 S10 Blazer Engine Wiring Diagram Epub Pdf
2001 S10 Engine Diagram Wiring Library
Vacuum Line I Just Bought A 2000 S10 It Needs Some Tlc
Best Of 2000 Chevy S10 Wiring Diagram Racemaster
09 09 S10 2 2l Engine Rebuild
Good Gmc 3 8 Engine Diagram 0 Chevy Mount Wiring Diagrams
2001 Chevy S 10 No 12v To Fuel Pump Relay And Temp Gage Abo
I Have A2001 Chevy S10 Pickup The Secondary Air System
1997 S 10 Blazer Vacuum Diagram Blazer Forum Chevy
2003 Chevy 2 2l Engine Diagram Wiring Diagram
Gm Parts Diagrams Exploded Views Raffaellamilanesi Net
S10 Pickup Parts Used Auto Parts Car Parts Truck Parts
Source :
pinterest.com
Popular Posts
Template Social Media Content Calendar
Wireline Diagram
Wordpress Plumbing Template
Tick Sheet Template
Workplace Emergency Action Plan Template
Wiring Diagram For 1999 Chrysler Sebring Dash
Wiring A Home Circuit
Urine Sample Urine Colour Chart Nhs
Template Word Processing
Training Course Proposal Template
Table Tent Cards Template Free
Wiring Diagram 2005 Kium Rio
Toto Part Diagram
Ticket Sample Template
Voucher Certificate Template
Towing Company Receipt
Training Manual Template
Trailer Harnes Wiring Diagram
United States Navy Address For Resume
Suzuki Ts50x Wiring Diagram
Vipkid Certification Materials
Wahoo Board Game Template
Voucher Template Psd Free Download
Tesol Certification Nyc
Wiring Diagram For 9 Pin Trailer Connector
Voluntary Respirator Use Form Template
Tree Service Contract Template
Voucher Template Psd
Two Switch One Light Wiring Diagram
Twitch Profile Banner Template
Trane Furnace Thermostat Wiring Diagram
Telecommunications Certificate Programs Online
Unique Resume Builder
Wire Diagram 2006 Mastercraft
Wiring Diagram Chevy Caprice 2 Door 327
Work Instruction Standard Operating Procedure Template Microsoft Word
Weekly Menu Templates Free Printable
Teaching Certificate Delaware
Wiring Diagram 66 E Meyer
Symantec Ssl Certificate
Versa Spray Ii Wiring Diagram
Top Cover Letter Templates
Under Hood Fuse Box Diagram 2004 Touareg
Trailer Axle Part Diagram
Web Gallery Template
Yamaha Outboard Fuel Filter Problems
Tax Preparation Flyers Templates
Word Pe Lesson Plan Template
Trivia Question Template
Venn Diagram Template Word Doc
Word Envelope Template Download
Tundra Camera Wiring
Usb Mini B Wiring
Word Document Resume Model Word Format
Wiring Diagram 2000 Vw Bettle