Free Printables Online
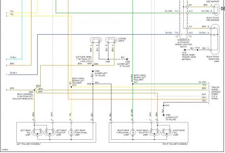
2003 Chevy Venture Wiring Diagram
yearly sales plan template
york furnace thermostat wiring diagram
zoo phonics flash cards free printable
zoho crm templates
yearbook template psd
yamaha xt500 wiring diagram
zazzle business card template
zenni optical printable ruler
2003 Chevy Venture Wiring Diagram Wiring Schematic Diagram
2003 Chevy Venture Spark Plug Wiring Diagram I Need The
I Have A 2003 Chevy Venture Van And I Am Working With The
2003 Chevy Venture Wiring Diagram Wiring Schematic Diagram
2003 Chevy Venture Wiring Diagram Wiring Schematic Diagram
Fuse Box Diagrams 2001 Chevy Venture Machine Learning
2003 Chevy Venture Radio Wiring Diagram Wiring Schematic
2003 Chevy Venture Wiring Diagram Wiring Schematic Diagram
Solved Need A Brake Light Wiring Diagram For A 2002 Chevy
2003 Chevy Venture Radio Wiring Diagram Wiring Schematic
Chevy Venture Van Wiring Diagram Wiring Schematic Diagram
Chevy Venture Fuse Box Wiring Diagram
2003 Chevy Venture Wiring Diagram Wiring Schematic Diagram
Solved Need Wiring Diagram For Taillights On 2000 Chevy V
Chevy Venture Van Wiring Diagram Wiring Schematic Diagram
2003 Chevy Venture Wiring Diagram Ac
2003 Chevy Venture Wiring Diagram Ac Wiring Diagram
2003 Chevy Venture Radio Wiring Diagram Wiring Schematic
Venture Wiring Schematic Wiring Diagram
Solved Need Wiring Diagram For Taillights On 2000 Chevy V
2001 Chevy Venture Brake Lights About 2 Months Ago My Wife
Source :
pinterest.com
Popular Posts
York Furnace Thermostat Wiring Diagram
Zombie Files Parallel Lines And Transversals Worksheet Answers
York Wiring Diagram 125830
Zety Resume Cost
Ziprecruiter Resume Database
Yearly Budget Planner Excel Template
Yoga Coach Certification
Yearbook Dedication Page Template Free
Yj Brake Light Wiring Diagram
Ziploc Printable Coupons
Yamaha Yfm350 Engine Diagram
Yoga Certification Levels
York Ga Furnace Wiring Diagram
Yugo Car
Yearly 2019 Calendar Template Excel
Yearbook Template Publisher
Youtube Video Template
Yj Jeep Hardtop Wiring
Yearly Calendar Excel Template 2015
Zola Wedding Templates
Zazzle Create Template
Z32 Wiring Diagram Harnes 2002 Nissan Altima
Younique Gift Certificate
Yearly Planner Template 2020 Excel
Yankees 2018 Printable Schedule
Yoplait Yogurt Printable Coupons
Yellow Paper Printable
Yoga Certification Pittsburgh
Zazzle Gift Certificate
Youtube Premium Receipt
Zuora Invoice Template
Zongshen Atv Wiring Diagram
Zoo Phonics Printables Free
Zoho Crm Templates
Yearbook Template Word
Yamaha Xs650 Engine Diagram
Yard Sign Template
Year Round It Budget Template
Yoga Certification Ct
Youtube Banner Size Template Free Download
Year To Date Profit And Loss Statement Free Template
Yearly Gantt Chart Excel Template
York Furnace Part Diagram
You Re Invited Template
Yearly Service Contract Template
Yoga Certification Illinois
Youtube Intro Templates Adobe Premiere
Yellow Letter Template
Yoga Certification Houston
Yj Steering Column Wiring Diagram
Zebra Gk420t Label Template
Yeti Cooler Wrap Template
Yearbook Format Template
Yoga Certification Spokane
Zoo Animal Cutouts Printable