Free Printables Online
2004 Grand Prix Wiring Schematic
2000 chevy s10 wiring diagram starter
1999 3400 v6 engine diagram
1965 gto wiring harnes
02 chevy tahoe engine wiring diagram
1994 pontiac transport fuse box diagram
2 bulb ballast diagram
2001 yamaha big bear wiring diagram
1974 chevelle wiring diagram
2004 Pontiac Grand Prix Wiring Diagram Bcberhampur Org
Pt Cruiser Wiring Diagram Abs Digital Resources
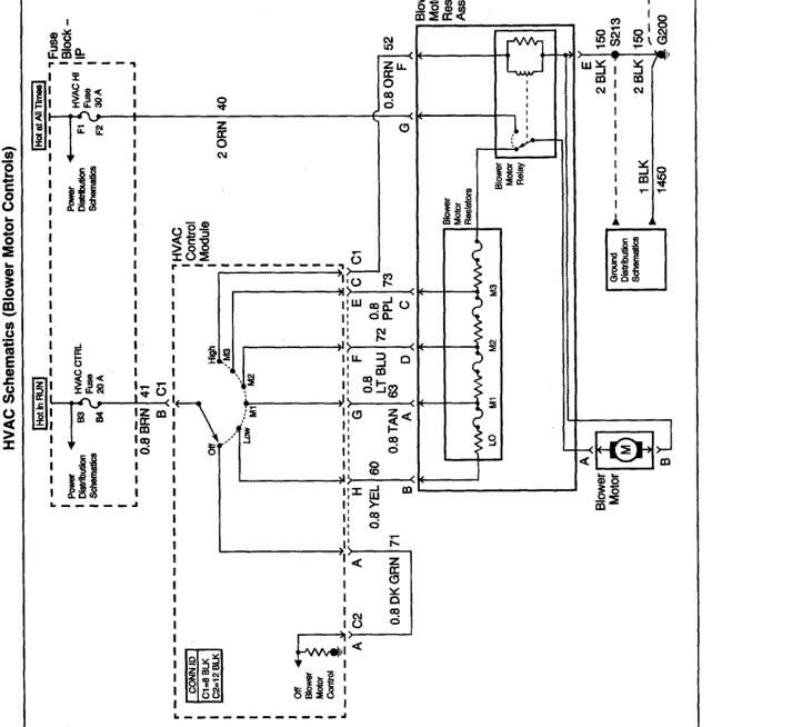
2002 Pontiac Grand Prix Hvac Blower Wiring Wiring
Roger Vivi Ersaks 2004 Grand Am Stereo Wiring Harness
Power Window Wiring Diagram Explaination 1999 Pontiac Grand Prix Gtp
2002 Pontiac Grand Prix Radio Wiring Harness Wiring
2002 Pontiac Grand Prix Hvac Blower Wiring Wiring
2004 Pontiac Grand Prix Tail Light Wiring Diagram Wiring
Pontiac Grand Am Wiring Harness Wiring Diagram
2004 Grand Am Fuse Diagram Wiring Schematic Diagram
Roger Vivi Ersaks Mei 2011
1995 Pontiac Grand Prix Radio Wiring Diagram Swift
1997 Lincoln Fuse Box Wiring Library
04 Grand Prix Wiring Diagram 2004 Fuel Pump Monsoon Blower
2002 Grand Prix Stereo Wiring Harness Diagram Wiring
2002 Grand Prix Gt Engine Diagram Wiring Schematic Diagram
2002 Grand Prix Radio Wiring Harness Wiring Schematic Diagram
2004 Grand Prix Wiring Schematic Wiring Schematic Diagram
2002 Pontiac Grand Prix Radio Wiring Harness Wiring
2002 Grand Prix Wiring Schematic Wiring Diagram
2002 Pontiac Grand Am Radio Wiring Diagram Wiring
Source :
pinterest.com
Popular Posts
Yearly Content Calendar Template
Yard Design Template
Zl1 Wiring Diagram
Zex Dry Nitrou Kit Wiring Diagram
Zety Resume Cost
Year Round It Budget Template
Years Of Service Award Template Free
Youtube Channel Art Template Psd
Yearbook Page Template Word
York Heat Pump Thermostat Wiring Diagram Het Pump
Zoo Invitation Template
Zimbabwe Death Certificate Pdf
Zone Valve Wiring Schematic
Zoo Animal Cutouts Printable
Yerf Dog Gy6 Wiring Harnes Diagram
Yearly Bible Reading Schedule Printable
You Re The Bomb Printable Tag
Youtube Intro Templates Premiere Pro
Youth Nutrition Certification
Zumba Instructor Resume Sample
Yearly Gantt Chart Excel Template
Zendesk Macro Templates
Yearly Service Contract Template
Youtube Video Template
York Chiller Log Sheet Sample
Year 5 Narrative Writing Samples
Zoo Animal Masks Printable
Yoga Certification Austin
Yard Sign Template
Yoga Certification Tampa
Ze 208s6 Switch Wiring Diagram Ceiling Fan
Your Order Is Ready For Pick Up Template
Zappos Printable Shoe Size Chart
York D4cg120n20025eca Wiring Schematic
Zoho Sites Templates
Yfz450 Wiring Diagram
Zyrtec Printable Coupon
Youth Football Registration Form Template
Yoga Contract Template
Youtube Banner Template No Text
Yz426f Wiring Diagram
Yamaha Yz 125 Part List
Zebra Stencil Printable
Yoga Certification Indiana
Your Signature Resume Reviews
Youtube Channel Art Template Freepik
Zazzle Business Card Template
Year To Date Profit And Loss Statement Free Template
Yearly Calendar 2018 Template Excel
Yes No Flowchart Template
Zombie Math Worksheets
Ziprecruiter Resume Database
Zebra Printer Template
Yearbook Templates Google Docs
Yearly Vacation Calendar Template