Free Printables Online
2005 2006 Kium Spectra Wiring Diagram
1966 chevy c 10 wiring diagram
2001 dodge ram pcm wiring diagram
2008 ford turn signal switch wiring diagram
09 ford escape fuse box diagram
2001 vw jettum fuse box location
1967 ford fairlane fuse box
1994 gtr
1998 dodge neon wiring diagram
I Need A Diagram Of A Connector For A 2005 Kia Spectra It
Wiring Diagram For Kia Sorento 2005 Stereo Doesn T Make
Repair Guides
Solved Where Is The Ground Wire In My 2003 Kia Spectra Fixya
Repair Guides
2004 Kia Optima Radio Wiring Diagram
Solved Where Is The Ground Wire In My 2003 Kia Spectra Fixya
2004 Kia Optima Radio Wiring Diagram
Repair Guides
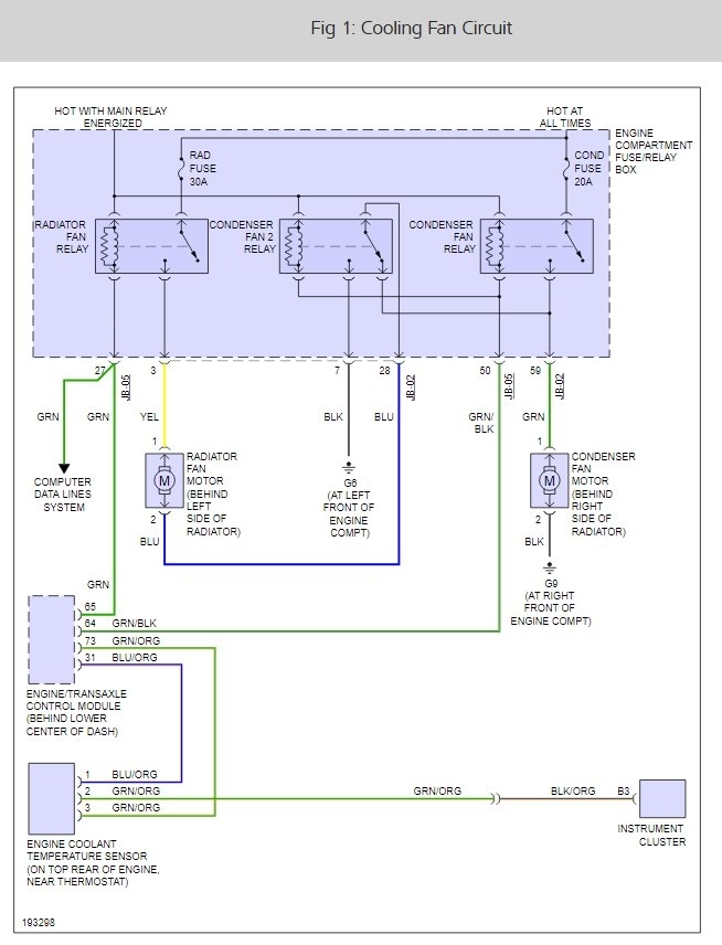
Cooling Fans Are Not Working My 2005 Kia Spectra 5 Cooling
Fuse Box Location And Diagrams Kia Spectra 2005 2009
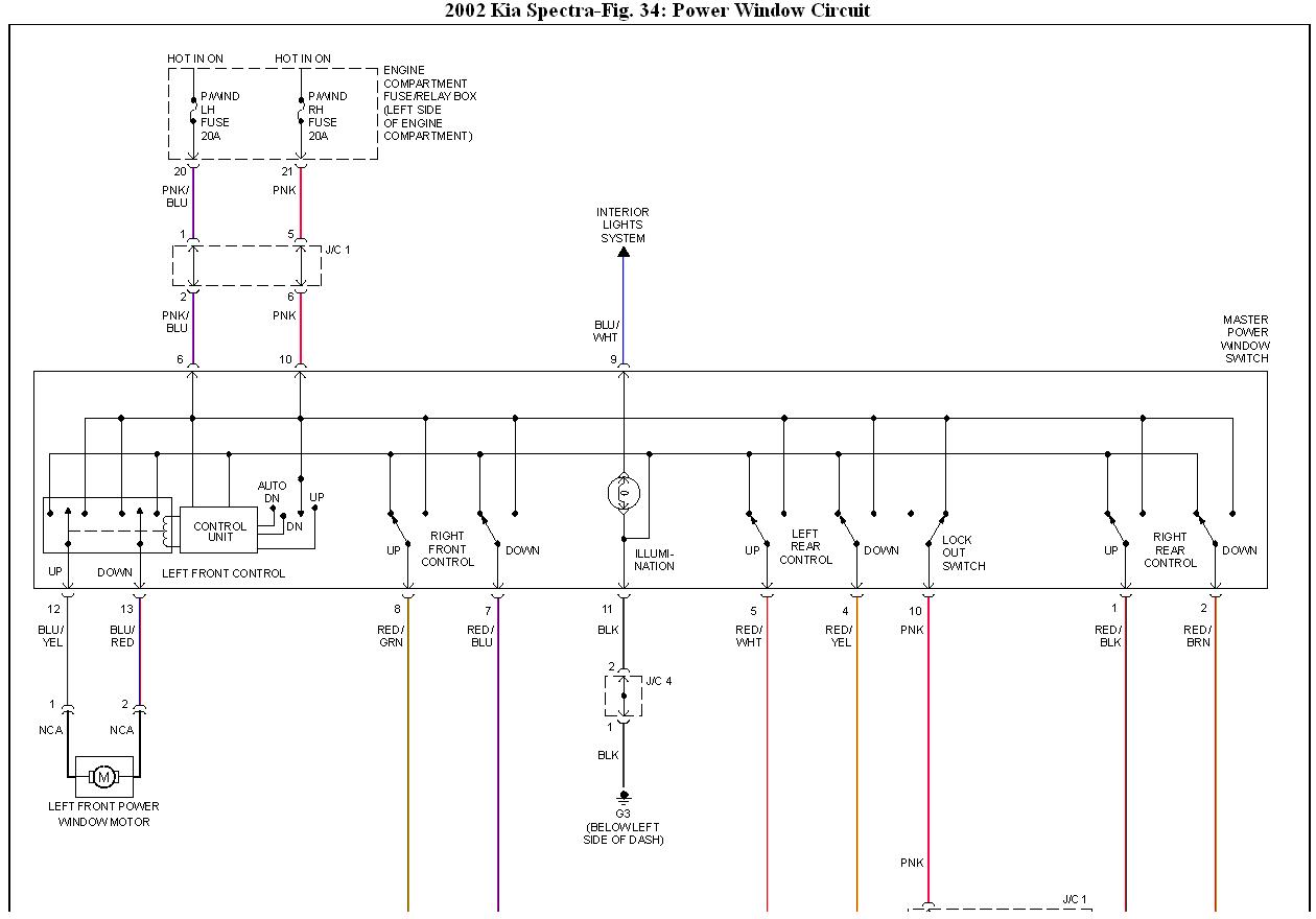
2002 Kia Spectra Window Problem I Have A 2002 Kia Spectra
Solved I Have A 2003 Kia Spectra 1 8 Liter The Fixya
Repair Guides
Kia Cerato 2004 2009 Elektrik Devre Semalari Kia Cerato Spectra 2004 2009 Wiring Diagrams
Chain Diagram Also 2007 Kia Spectra Fuse Box Diagram
Kia Sorento Wiring Diagram 2016 Radio 2012 Pdf Fuse Box Just
Electrical Wiring Diagram 2005 Kia Specrta Sx Cool Wiring
Kia Grand Carnival Wiring Diagram Wiring Diagram
Spectra Fuel Filter 05 Kia Location 2001 2006 Ex How To
Kia Sportage Radio Wire Diagram
Source :
pinterest.com
Popular Posts
Political Endorsement Template
Printable Doctor Appointment Card Template
Post Your Resume For Free
Proof Of Volunteer Hours Letter Template
Printable Checklist Template Word
Psychiatric Nursing Report Sheet Template
Printable Transfer Sheets
Preschool Resume Samples
Radio Wiring Harnes Diagram A Well Dodge Ram
Printable Movie Tickets
Printable Cotton Ball Snowman Template
Printable Coloring Pages For Kids Disney
Project Meeting Notes Template
Quote Template Excel
Rent To Own Contract Template Oklahoma
Profile Sample Linkedin
Poster Design Template Online Free
Record Minutes Of Meeting Template
Release Form Template Free
Printable Cruise Ship
Resource Planning Template Xls Free
Printable Coupon Code Bed Bath And Beyond Coupon
Printable Christmas Pillow Box
Pull System Diagram
Professional Engineer Resume Template Word
Printable Xfinity Channel Guide
Printable Pig Pictures To Color
Printable Party Hat Template Pdf
Printable Excel Format Purchase Order Template Excel
Printable Map Of New Zealand
Resume Services Boston
Printable Iron Man Invitation Card Template
Printable Diploma Templates Free
Proheart 6 Certification
Resume Analysis Software
Religious Eagle Scout Recommendation Letter Sample
Raci Document Template
Resume And Linkedin Services
Printable Book Report Template
Printable Divorce Papers California
Professional Association Of Resume Writers
Printable Violin Fret Guide
Private Sale Vehicle Purchase Agreement
Printable Statement Template Word
Printable Recipe Card Template Free
Printable Blank Quote Template
Printable Bill Of Sale Texas
Printable Butterfly Pictures
Printable Baptism Banner Template
Printable Family Reunion Games
Printable Vehicle Maintenance Request Form Template
Qa Engineer Certification
Potentiometer Diagram
Radon Certification Ohio
Printable Exercises For Plantar Fasciitis