2005 Nissan Altima Radiator Fan Fuse Box

2002 2003 2004 2005 2006.
2005 nissan altima radiator fan fuse box. 2005 nissan altima i turned on my ac last night and when i went to turn it off it wouldnt turn off. Where is the ac fan relay located. The front and rear disc type brakes self adjust. Spectra premium radiator fan assemblies are engineered developed and validated to meet original equipment oe requirements to ensure a durable and quality product.
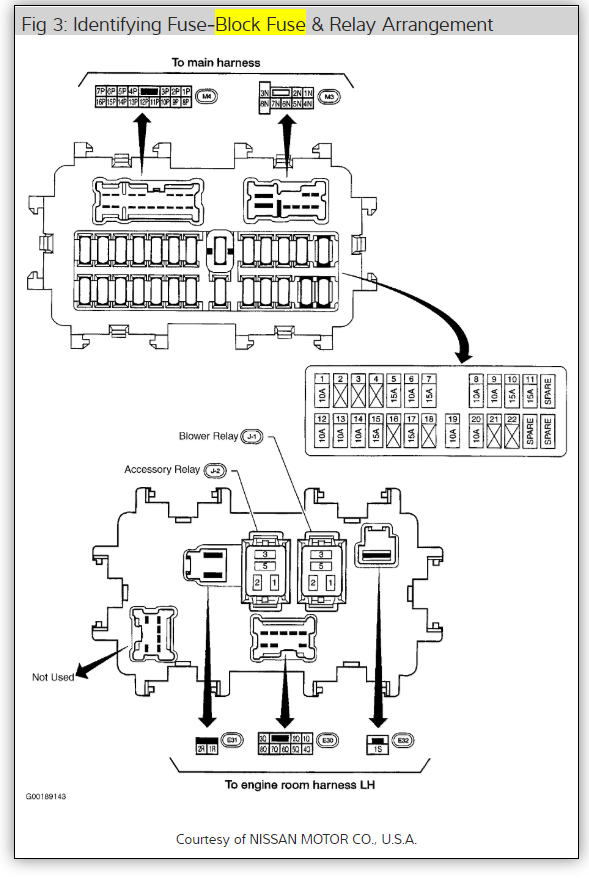
Fuse box diagram location and assignment of electrical fuses and relays for nissan altima l31. 2001 2002 2003 2004 2005 2006. Sign in to reply. Every time the brake pedal is applied.
It stays on at all time. 2001 2002 2003 2004 2005 2006. This video shows the location of the fuse box on a 2003 nissan altima. Nissan altima 2005 nissan altima where is the ac fan relay.
For the cooling fans look to the two 40 amp fuses that provide power to the fans if these are good you will have to check the ecm signal to the relays that turns the fans on. Fuse box layout nissan altima se ss se r. Nissan altima 2001 2006 fuse box diagram. Where is the ac fan relay located.
2nd fuse down on inside of car fuse panel for fan motor blows instantly when ignition switched on. The ac blower motor does not come on on any speed. Marked under the fuse box cover as cooling fan 123. Category people blogs.
How to replace the fan relay switch on 2005 nissan altima ser answered by a verified nissan mechanic. Hi i have a 2005 nissan altima ser 35 that i just had to do a timing chain job on. Please comment below if you have any questions and thanks for watching. Passenger compartment fuse box nissan altima fuse box.
Nissan altima 2005 engine cooling fan by spectra premium.