Free Printables Online
2007 Accord Wiring Diagram
1999 saturn engine diagram
1987 ford radio wiring harnes color code schematic
2009 ford e350 vacuum diagram
1949 ford custom wiring diagram
1970 chevrolet fuse box
1993 ford ranger 40 wiring diagram
05 hyundai elantra radio wiring diagram
2003 bmw 525i radio wiring
Roger Vivi Ersaks 2004 Honda Accord Ac Wiring Diagram
2007 Accord Wiring Questions Honda Accord Forum Honda
Ecm Relay Location I Need To Know Where The Ecm Wiring
97 Honda Wiring Diagram Wiring Schematic Diagram
2006 2007 Honda Accord Electrical Troubleshooting Manual Original
2011 Accord Coupe Radio Wiring Wiring Schematic Diagram
Power Windows Not Working Electrical Problem 4 Cyl Two
07 Accord Wiring Diagram Wiring Diagram
Commando Car Alarm Wiring Diagram Search Vehicle With On
Honda Accord Questions Power Windows Not Working Cargurus
Honda Civic Radio Wiring Colors Wiring Schematic Diagram
2007 Honda Ridgeline Radio Wiring Wiring Diagram
I Have 2005 Honda Accord Seats Im Not Sure What Model They
1981 Honda Accord Engine Wiring Diagram Freeautomechanic
2007 Honda Accord Radio Wiring Diagram
2003 2007 Honda Accord Aftermarket Stereo Wiring
2007 Honda Accord Service Repair Manual
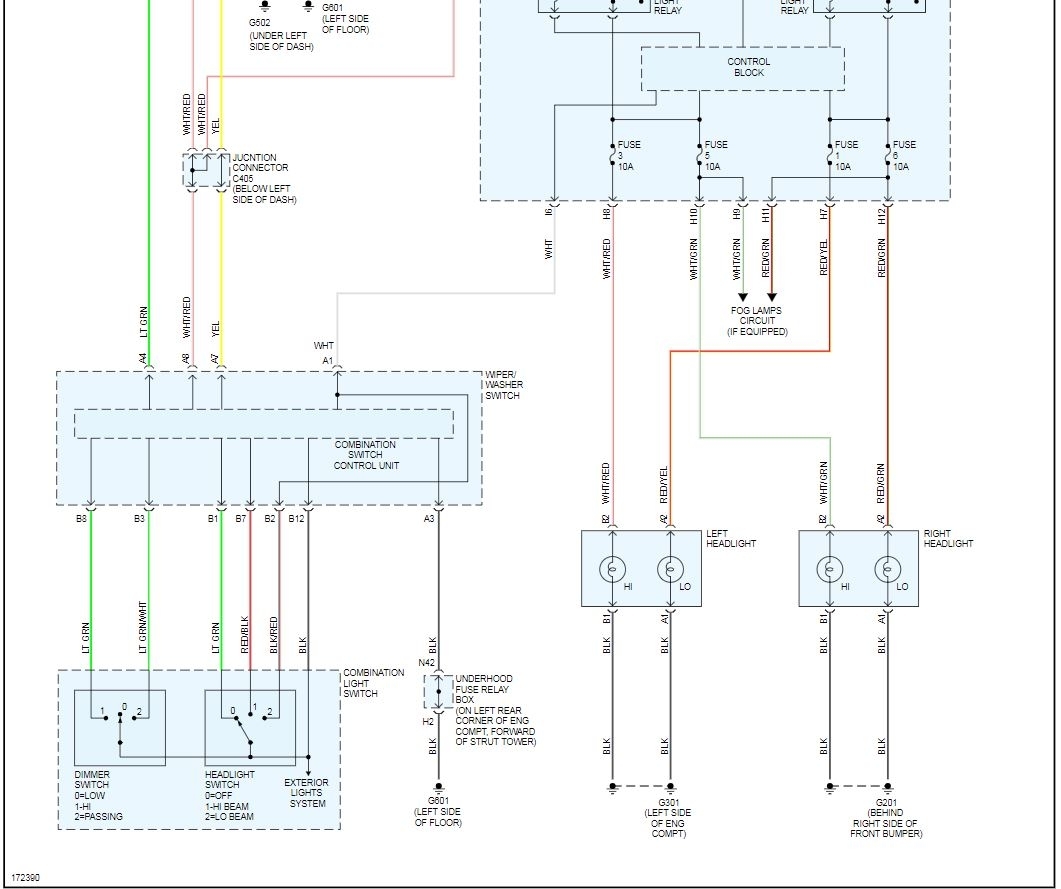
High Beam On Right Side Won T Work
Honda Accord Questions Power Windows Not Working Cargurus
2004 Nissan Frontier Wiring Diagram Diagrams Schematics Best
2007 Honda Accord Service Repair Manual
Source :
pinterest.com
Popular Posts
Ford Kuga Wiring Diagram
Ford F250 Wiring Diagram Starter 2008 Diesel
Free Printable Bill Of Sale Form
Food Web Worksheet Middle School
Fotg Litght Wiring Diagram 05 Ford Escape
Free Sample Bill Of Sale Form
Free Wedding Program Template Downloads Word
Formal Complaint Final Response Letter Template
Freightliner Wiring Schematic 2000 F112
G2 Golf Cart
Google Pitch Deck Template
Free Logo Templates Microsoft Word
Free Printable Walker Bag Pattern
Ga Scooter Wiring Diagram
Format Company Profile Design Template Pdf
Free Church Financial Report Template Excel
Free Writing Center Printables
Free Residential Lease Template
Free Will Template Oregon
Girl Baby Shower Invitations Templates
Free Editable Newsletter Templates For Preschool Teachers
Ged Practice Test 2018 Printable
Football Raffle Ticket Templates
Free Printable Monthly Calendar 2020 With Holidays
H 261 Block Diagram
Free Kitchen Floor Plan Templates
Financial Literacy Vocabulary Worksheet
Golf Tournament Template Excel
Free Online Quotation Template
Free Excel Dashboard Templates Xls
Free Printable Uno Cards Pdf
Free Holiday Flyer Templates Microsoft Word
Fortnite Banner Template No Text
Fiamm Air Horn Wiring Diagram
Free 1099 Pay Stub Template Pdf
Google Profit And Loss Template
Free Printable Plot Diagram
Happy Birthday Birthday Card Template Free Download
Ginition 2002 Honda Accord Fuse Box
Ford Ranger Stereo Wiring Harnes Diagram
Handyman Business Cards Templates
Forbearance Agreement Template
Free Baseball Banner Templates
Free Dynamic Web Templates Expression Web 4
Ford Dual Battery Wiring Diagram For Battery
Free Dinner Menu Template
Graduation Flyer Template Free
Fender Telecaster Wiring Diagram 3 Way
Free Confidentiality Agreement Template
Forklift Certification Atlanta Ga
Fish Finder Wiring Diagram
Free Printable Fax Cover Sheet Template Word
Gantt Chart Template Open Office
Fmla Paperwork Sample Filled Fmla Form
Free Printable Happy Birthday Banner