Free Printables Online
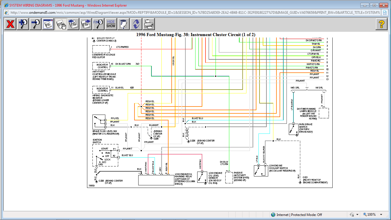
2007 Ford Mustang Alarm Wiring
89 jeep wrangler fuse box diagram
3 phase reversing contactor wiring diagram
49 mercury wiring harnes
2014 altima fuel filter
agile configuration management plan template
2nd grade grammar worksheets pdf
banking certifications online
best resume examples 2018
Disable The Alarm System How Do I Disable The Alarm System
2012 Honda Civic Wiring Diagram Wiring Diagram
Wiring Diagram Diagnostics 1 2003 Ford F 150 No Start Theft Light Flashing
Details About Remote Car Alarm Keyless Entry Security 2 4 Door Power Lock Actuator Motor Kit
Viper 5706v Alarm Keyless Remote Start Install With Pics
Viper 5706v Alarm Keyless Remote Start Install With Pics
Remote Start Wiring Diagrams 2008 Toyota Corolla Diagram
Amazon Com Car Key Fob Keyless Entry Remote Fits Ford
Remote Start Wiring Diagrams 2008 Toyota Corolla Diagram
Viper 5706v Alarm Keyless Remote Start Install With Pics
2005 2009 Ford Mustang Car Audio Profile
Amazon Com Mpc Complete Add On Remote Start Kit For 2005
3 Ways To Reset A Factory Car Alarm Wikihow
How To Tell If You Have A Factory Alarm Security System Anthonyj350
Remote Car Starters For Ford Mustang For Sale Ebay
Tom S Useful Information How To Unlock Mustang Trunk
3 Ways To Reset A Factory Car Alarm Wikihow
2007 Ford Mustang Accessories Parts At Carid Com
1997 Ford Mustang Wiring Diagram Wiring Diagram
How To Disable Car Alarm
2001 2004 Ford Mustang Car Audio Profile
Source :
pinterest.com
Popular Posts
Editable Cv Templates Free Download Word Document
Data Retention And Disposal Policy Template
Doctor Medical Id Card Template
Facebook Marketing Templates
Fake Online Receipt Maker
Draft Term Sheet Template
Easter Newsletter Template Free
Electric Service Panel Wiring Diagram
Daily Block Schedule Template
Editable Visual Birth Plan Template
Creative Curriculum Lesson Plan Template
Download Free Word Invoice Template
Elevator Circuit Diagram Project
Dog Paw Print Stencil Printable
Employee Id Card Sample Of Identification Card
Downloadable Monthly Timesheet Template Excel
Diagrama De Hojas Y Ramas
Door Hanger Flyer Template
Employee Pto Tracker Excel Template
Employment History Resume
Family Tree Document Template Word
Disc Assessment Printable
Education Lesson Plan Template
Cut Out Frozen Snowflake Template
Divorce Settlement Agreement Template South Africa
Electrical Diagram 1994 Toyotum Celica
Divorce Certificate Wisconsin
Credit Application Template
Excel Quote Proposal Template
Ez Go Wire Diagram
Downloadable Blank Organizational Chart Template Free
Cvs Survey On Receipt
Customer Service Sample Cover Letters
Electric Light Equipment
Daily Timesheet Template Google Sheets
Epic Certification Opportunities
Employee Performance Review Template Ppt
Ez Golf Cart Charger Wiring Diagram
E Commerce Manager Job Description Template
Excel Format Weekly Project Status Report Template Excel
Explorer Fuse Box
Exchange Server Certificate Requirements
Cutler Hammer Wiring Diagram Counter
Dallas Mavericks Printable Schedule 2019 20
Durable Power Of Attorney Georgia Template
Downloadable Goal Setting Template Word
Customer Service Meeting Agenda Template
Customer Profile Template Powerpoint Free Download
Editable Christmas Menu Template Free
Excel Zero Based Budgeting Template
Downloadable Free Printable Invoices
Easter Sunday Easter Invitation Template
Doordash Gift Certificate
Data Migration Project Plan Template Excel
Electrolytes Worksheet Answers