2010 Toyotum Camry Airbag Wiring Diagram

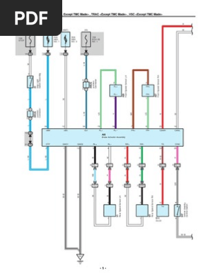
2009 2010 Toyota Corolla Electrical Wiring Diagrams

2009 2010 Toyota Corolla Electrical Wiring Diagrams

2009 2010 Toyota Corolla Electrical Wiring Diagrams

2009 2010 Toyota Corolla Electrical Wiring Diagrams

2009 2010 Toyota Corolla Electrical Wiring Diagrams

2009 2010 Toyota Corolla Electrical Wiring Diagrams

2009 2010 Toyota Corolla Electrical Wiring Diagrams

2010 toyota camry stereo wiring information.

2010 toyotum camry airbag wiring diagram. Toyotanation forum is a community dedicated to all toyota models. If they can reset the airbag then why didnt my custom wiring guy reset it with all the snap on scanners he uses. Toyota camry head light wiring diagram with every circuit application efi autos. Toyota supra jza70 ewd electronic fuel injection.

Subscribe subscribed unsubscribe 714k. Toyota supra jza70 ewd charging circuit. Toyota camry 2006 2007 2008 2009 2010 2011 electrical wiring diagram service manual download page. Spiral cable replacement airbag warning light car horn failure.

Toyota supra jza70 ewd electric mirrors. Unsubscribe from efi autos. Toyota supra ma70 1990 wiring diagrams. Use of the information above is at your own risk.

2008 maxima clockspringspiral wire replacement duration. October 6th 2012 posted in toyota camry. Product search search suggestions ex. The stereo wiring diagram listed above is provided as is without any kind of warranty.

Toyota avalon camry camry solara 2001 06. Toyota camry airbag spiral cableclock spring replacement. Collection of free car service manuals. Overall electrical wiring diagram 2004 1 repair guide.

Radio battery constant 12v wire. Come discuss the camry tacoma highlander 4runner. Blueyellow radio accessory switched 12v wire. This manual explains the 1st process of diagnosis placed in the diagnostics section the 2nd process of removing and installing replacing disassembling installing and checking adjusting but the 3rd process of final inspection is omitted.

The airbags have never been deployed on the car. My little red airbag light on the dash wont shut off. Toyota supra jz8 1993 2002 wiring diagrams. Toyota supra jza80 1995 wiring diagrams.

04 camry battery see more examples my vehicles add a vehicle my store set a store. Toyota supra jza70 ewd abs. Toyota supra jza70 ewd pps computer.

2009 2010 Toyota Corolla Electrical Wiring Diagrams

2009 2010 Toyota Corolla Electrical Wiring Diagrams

2010 Toyota Camry Airbag Wiring Diagram Wiring Library

2010 Toyota Camry Airbag Wiring Diagram Wiring Library

2010 Toyota Camry Airbag Wiring Diagram Auto Electrical

2010 Toyota Camry Airbag Wiring Diagram Auto Electrical

Repair Guides

Repair Guides

2010 Toyota Corolla Horn Troubleshooting I Need Some Hints

2010 Toyota Corolla Horn Troubleshooting I Need Some Hints

Repair Guides

Repair Guides

Toyota Corolla Questions How Do I Change The Alternator

Toyota Corolla Questions How Do I Change The Alternator

Toyota Corolla Questions How Do I Change The Alternator

Toyota Corolla Questions How Do I Change The Alternator

1 2007 Toyota Camry Fuse Box Location Customized Diagram

1 2007 Toyota Camry Fuse Box Location Customized Diagram

93 Corolla Air Bag Module Replacement Toyota Nation Forum

93 Corolla Air Bag Module Replacement Toyota Nation Forum

2003 Toyota Camry Engine Diagram Wiring Schematic Diagram

2003 Toyota Camry Engine Diagram Wiring Schematic Diagram

How To Fix Your Airbag Light Without Having It Blow Up In

How To Fix Your Airbag Light Without Having It Blow Up In

Turn Signal Not Working My Turn Signal Left And Right Has

Turn Signal Not Working My Turn Signal Left And Right Has

2009 2010 Toyota Corolla Electrical Wiring Diagrams Anti

2009 2010 Toyota Corolla Electrical Wiring Diagrams Anti

2009 2010 Toyota Corolla Electrical Wiring Diagrams

2009 2010 Toyota Corolla Electrical Wiring Diagrams

Details About Toyota Oem Airbag Air Bag Passenger Seat Occupancy Sensor 8995235011

Details About Toyota Oem Airbag Air Bag Passenger Seat Occupancy Sensor 8995235011

2010 Toyota Camry Recalls Cars Com

2010 Toyota Camry Recalls Cars Com

2009 2010 Toyota Corolla Electrical Wiring Diagrams

2009 2010 Toyota Corolla Electrical Wiring Diagrams

Source : pinterest.com

Popular Posts