Free Printables Online
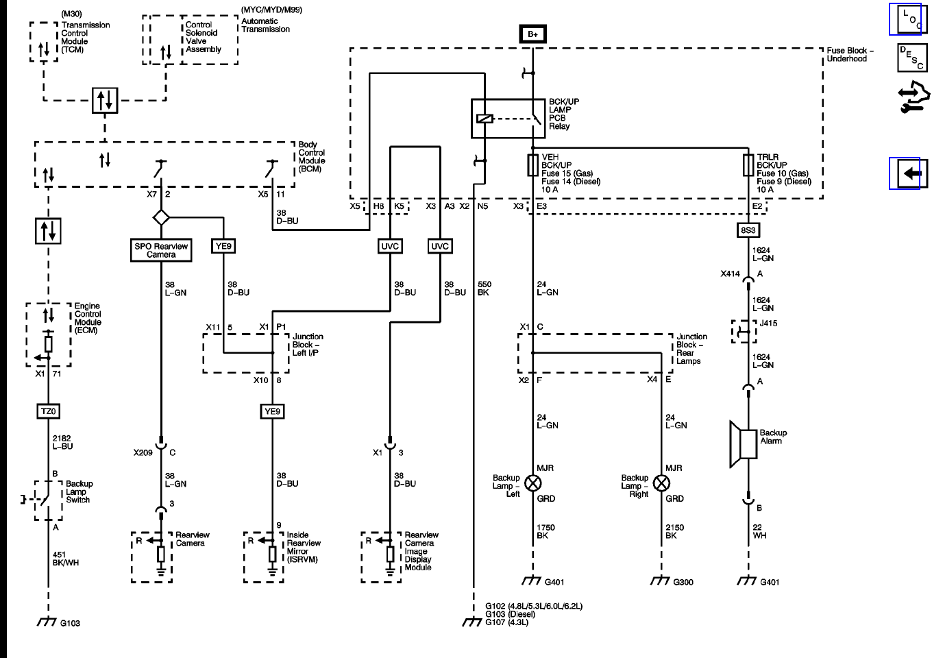
2011 Sierra Wiring Schematic
common core art lesson plan template
cell city diagram
christmas reading log template
clergy housing allowance worksheet
clothing store inventory spreadsheet template
central electric furnace eb12b wiring diagram
business sample of letter of recommendation
can you look up a walmart receipt online
Need Radio Wire Diagrams For 2011 Gmc Serria 2500 Hd 4x4
2011 Gmc Wiring Diagrams Wiring Schematic Diagram
Gmc Trailer Wiring Diagram Tail Lights Wiring Schematic
2011 Silverado 1500 Stereo Wiring Diagram Radio Truck Cruise
Repair Guides
2011 Gmc Sierra 2011 Gmc Yukon Upfitting Wisconsin
Repair Guides
2011 Duramax Wiring Diagram Wiring Schematic Diagram
Solved Free Headlight Wiring Diagram For 1991 Gmc Sierra
Silveradosierra Com Electric Cooling Fans Not Working
2011 Gmc Sierra Radio Wiring Diagram Full Size Of Schematic
2011 Gmc Radio Wiring Wiring Schematic Diagram
Gmc Obd2 Wiring Diagram Best Wiring Library
Solved Gmc Acadia Denali 2011 Hvac Blend Door Actuator Fixya
2011 Gmc Sierra 2011 Gmc Yukon Upfitting Wisconsin
Wrg 7511 2011 Gmc Fuse Box
2011 Gmc Radio Wiring Wiring Schematic Diagram
2003 Gmc Sierra Trailer Wiring Harness Wiring Schematic
2009 Gmc Sierra Stereo Wiring Diagram 2011 Gmc Acadia Radio
All Generation Wiring Schematics Chevy Nova Forum
2011 Gmc Sierra 2011 Gmc Yukon Upfitting Wisconsin
Source :
pinterest.com
Popular Posts
Math 4 Worksheets
Painting Certificate Of Authenticity Art Template
Orvis Printable Coupon
Non Profit Organization Sample Donation Request Letter To A Company
Personal Website Design Templates
Offer Letter Negotiation Email Sample
Medical Specialties Worksheet
Painles Indicator Light Wiring Diagram
Photoshop Certification Training
Np200 Fuel Filter Location
Marketing Plan Powerpoint Template
Peugeot 206 Radio Wiring Diagram
Open House H628 Wiring Diagram
Nurse Practitioner Resume Template
Payment Invoice Excel Format Invoice Template Excel
Marketing Plan Google Docs Template
Phr Certification Prep
My Perfect Resume Trial
Microsoft Word Rent Receipt Template
Onan Microquiet 4000 Wiring Diagram
Multiple Light Switch Wiring Diagram
Osha 30 Hour Card Template
Parallel Wiring Diagram For Humbucker
Personal Profile Template Free
Payslip Sample Malaysia
Online Banner Maker Free Printable
Notary Sworn Statement Sample
Personal Statement Template
Photoshop Ticket Template
Organization Chart Template Word 2010
Mean Median Mode Worksheets Grade 4
Map Of Rome Attractions Printable
Pdf Sample Medical History Form
New Website Announcement Template
Missing Poster Template Png
Muscular System Worksheet Answer Key
Marbles And Jokers Template
Outdoor Flood Lighting Wiring Diagram
Panduit Laser Inkjet Labels S100x150yaj Template
Performance Appraisal Employee Self Evaluation Essay Examples
New Resume Format 2019
Poa Template Word
Monthly Payslip Template Uk
Nowthis Video Template
Nand Gate
Naza M V2 Wiring Diagram
Master Use License Agreement Template
Office 365 Invoice Template
Microsoft Word Notebook Template
Mug Cup Design Template
Nonprofit Fund Development Plan Template
Mustang Ignition Switch Wiring Diagram
Manager Completed Performance Review Examples
Outside Phone Box Wiring Diagram
Nfl Flyer Template