Free Printables Online
2014 Jeep Compas Wiring Diagram
544 international tractor wiring diagram
baseball roster template printable
5 nf 2 worksheets
3d printer pen templates
apa written apa style apa format template
6 way trailer plug to 7 way wiring diagram
best website templates for affiliate marketing
aws certification foundation
Repair Guides
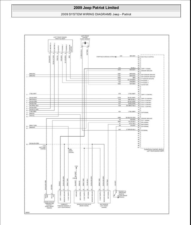
Manual Reparacion Jeep Compass Patriot Limited 2007
Manual Reparacion Jeep Compass Patriot Limited 2007
Manual Reparacion Jeep Compass Patriot Limited 2007
Asd Relay Location Where Is The Asd Relay Located
2014 Jeep Wrangler Jk Wiring Harness Diagram Swift
2014 Jeep Compass Sport Wiring Dball2 5906v Page 2
2014 Jeep Compass Interior Fuse Box Diagram Forums Wiring
2014 Jeep Compass Interior Fuse Box Diagram Forums Wiring
2007 2015 Jeep Compass Stereo Harness Solution
2014 Jeep Compass Wiring Transmission Transfer Case
2014 Jeep Patriot Fuse Diagram Swift Electrical Schemes
2011 Jeep Compass No Start Motor Vehicle Maintenance
Jeep Compass Fuse Box Location Wiring Schematic Diagram
2014 Jeep Compass Wiring Seats Mopar Parts Giant
2014 Jeep Compass Wiring Harness Wiring Schematic Diagram
2014 Jeep Compass Sport Wiring Dball2 5906v Page 2
2014 Jeep Compass Interior Fuse Box Diagram Forums Wiring
Trailer Wiring Harness Installation 2016 Jeep Compass Etrailer Com
Patriot Fuse Box Wiring Diagram
Manual Reparacion Jeep Compass Patriot Limited 2007
Source :
pinterest.com
Popular Posts
Avery Template 80503
2014 Chevy Silverado Trailer Wiring Diagram
App For Scanning Receipts For Taxes
A5 Brochure Template
Bar Exam Study Schedule Template
5e Lesson Plan Template Free
70 Ford Bronco Wiring Diagram
Avery 3 4 Round Labels Template
Agreement For Consulting Services Sample
Autodesk Certificate Value
Audit Risk Assessment Template Excel
2014 Altima Wire Diagram
60 Day Business Plan Template
83 Toyotum Fuse Box Diagram
230 Volt Electrical Wiring Diagram
Basset Certification Test
Angular 8 Templates Free
Accounting Process Flow Chart Template
7 Way Trailer Light Wiring Diagram
Basic Lease Agreement Template South Africa
Architecture Portfolio Template Psd Free Download
Avery 5392 Word Template
Aasect Certification Programs
2013 Polari Atv Wiring Diagram
480 Volt Transformer Wiring Diagram
90 Hp Mercury Outboard Wiring Diagram
5 Md 3 Worksheets
Aed Program Template
740i Ignition Wiring Diagram
Ami Certification Cost
2014 Ford Stereo Wiring
Anniversary Card Templates Free Download
2012 Vw Jettum Fuse Box Diagram
2015 Ford Super Duty Trailer Wiring Diagram
Automatic Payment Authorization Form Template
After Effects Photo Animation Templates
96 Ford Explorer Fuse Relay Diagram
76 Jeep Cj5 Distributor Wiring
Avery 22808 Template Word
2014 Ford Fiestum Interior
213 4350 Wire Alternator Wiring Diagram
66 Gto Wiring Diagram
3 Wire Alternator Wiring Diagram 62 Impala
85 F150 Alternator Wiring Diagram
Apply Ssl Certificate To Iis
45 Degree Angle Cut Template
Addressable Fire Alarm Wiring Schematic
2013 Ford F250 Fuse Box Diagram
60 Degree V4 Engine Diagram
360 Feedback Survey Template
Bank Teller Resume Sample
Ac Disconnect Wiring Diagram
4 Tube T8 Ballast
6th Grade Basic Algebra Worksheets
Applied Biostatistics Certificate