Free Printables Online
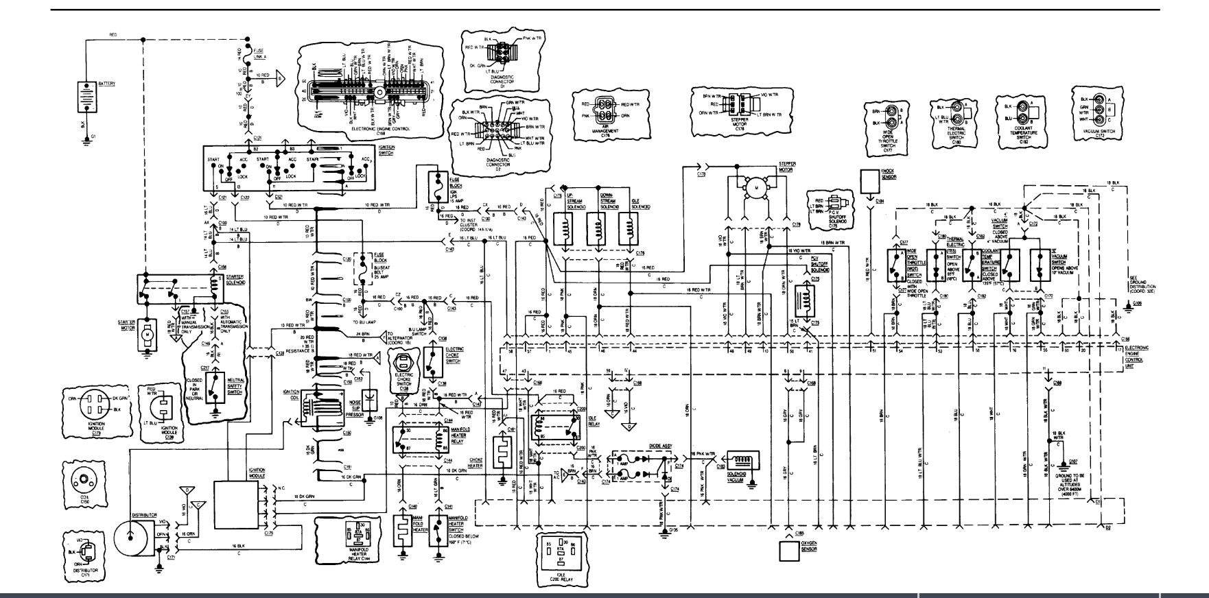
258 Cj7 Fuse Box Wire
mrp excel template
marketing email template sample
music notes flash cards printable treble clef
operations manager resume template
one year lease template
pharmacist resume builder
oem h4 headlight relay wiring harnes system 4 headl light bulb
my resume cv
1986 Cj 258 Engine Diagram Schematic Free Schematics 258
258 Cj7 Fuse Box Wire Wiring Library
83 Cj7 Fuse Block Removal Jeep Cj Forums
Details About Jeep Amc 79 Cj5 Cj7 Cj8 6cyl 4 2 258 Under Dash Wiring Harness Fuse Box No Ac
Tom Oljeep Collins Fsj Wiring Page
Repair Guides
Need Fuse Box Info Jeepforum Com
258 Cj7 Fuse Box Wire Wiring Library
Cj5 258 Vacuum Diagram Jeepforum Com Jeep Jeep Cj7
84 Jeep Cj7 Wiring Diagram Wiring Diagram
Repair Guides
258 Cj7 Fuse Box Wire Wiring Library
83 Cj7 Fuse Block Removal Jeep Cj Forums
I Just Rebuilt My 84 Jeep 258 4 2l Engine And I Am Not
1985 Jeep Cj7 Electrical Issue So Ive Been Working On My
Amc 6 Cylinder 4 2l 258ci Engine Parts For Jeep Yj Cj S
What Is Ign Lps On Fuse Block Jeepforum Com
1983 Cj7 Wiring Diagram Wiring Schematic Diagram
Duraspark Ignition And Painless Wiring Harness Help Cj 8
85 Cj7 Need Help W Electrical Not Starting Caused By Me
Hino Fuse Box Location Wiring Resources
Source :
pinterest.com
Popular Posts
Find My Walmart Receipt
Free Printable Luggage Name Tags
Fitness Certification Course
Free Access Database Templates Stock Control
Florida Traffic School Online Printable Certificate
Functional Resume Sample Doc
Final Invoice Sample
Free Editable To Do List Template
Free Auto Repair Work Order Template
Free Printable Address Book Templates
Free Power Of Attorney Template Texas
Free Premiere Pro Text Templates
Football Depth Chart Template Doc
Greeting Letter Sample To Friend
Free High School Resume
Gift Certificate Jackets
Fender Squier Affinity Stratocaster Hss Lrl Montego Black Metallic
Financial Annual Report Sample
Free Printable Pictures Of Hot Air Balloons
Gm 4l60e Automatic Transmission Diagram
Fuse Diagram For 2004 Sorento
Forms Of Business Organization Worksheet
Final Warning Letter Template Uk
Guide Words Worksheets 3rd Grade
Free Swimming Pool Flyer Template
Grade 3 Worksheets
For Diagram Furnace 4 Wiring Blower Gpmn100
Handover Document Template Free
Food Truck Menu Template
Free Birthday Gift Certificate Templates
Ga Valve Diagram
Happy Planner Password Printable
Fuse Box Keep Blowing Fus Car
Free Printable Bridal Shower Favor Tags Template
Google Docs Resume Template Free Download
Ford F 150 Stereo Wiring Harnes
G Mark Certification Price
For A 1987 Nissan Sentra Wiring Diagram
Free Printable Chill Pill Gift Label
Free Okr Template
Fishbone Diagram Template Ppt
Free Bid Proposal Template
Free Reading Worksheets For 1st Grade
Firewall Change Request Template Excel
Fuse Box Diagram 2007 Hyundai Azera
Friendly Reminder Email For Event Sample
Fuse Box Diagram For 2003 Dodge Neon
Free Certificate Templates Christmas
Google Docs Character Template 5e
Guest Speaker Introduction Speech Sample
Free Birthday Template Cards
Free Printable Blank Baby Shower Bingo Cards Pdf
Fenwal Ignition Module Wiring Diagram
Ge Compressor Motor Wiring Diagram
Ford Flex Wiring Diagram