Free Printables Online
2kd Alternator Wiring Diagram
trivia card template
word printable flash card template
thanksgiving invitation template
switch game box art template
to do list template cute
time and calendar worksheets for grade 4
therapist website templates
work breakdown structure dictionary template
2kd Alternator Wiring Diagram Wiring Diagram Cable
2kd Alternator Wiring Diagram Wiring Diagram
Solved Please Give Me Alternator Plug Wiring Diagram On A
100a Alternator For Toyota Hilux Vigo D4d Kun16 Kun26 1kd
Wrg 7488 2kd Alternator Wiring Diagram
Toyota 20r Wiring Diagram Wiring Schematic Diagram
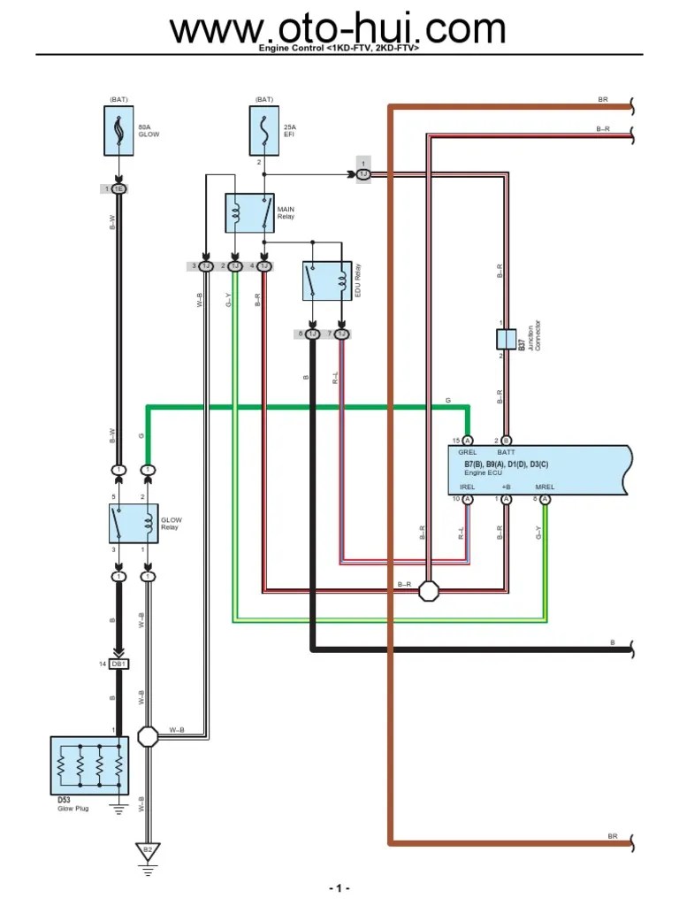
Wiring Diagram Ecu 2kd Ftv Throttle Propulsion
Toyota Alternator Hilux Diesel 2 5d 2kd 3 0d 1kd D4d 85a
Land Cruiser Prado Electrical Wiring Diagram Pdf Anti
Toyota Alternator Hilux Diesel 2 5d 2kd 3 0d 1kd D4d 85a
2kd Alternator Wiring Diagram Wiring Diagram
Mesin Diesel Toyota Tipe 2 Kd Ftv 14
The Charging System
Wiring Diagram Ecu 2kd Ftv Throttle Propulsion
Toyota Hilux Revo Wiring Engine Toyota Kd Engine 1kd Ftv
Toyota Alternator Hilux Diesel 2 5d 2kd 3 0d 1kd D4d 85a
Toyota 2kd Ecu Wiring Diagram Wiring Diagram
Symptoms Of A Bad Or Failing Instrument Voltage Regulator
How To Test Denso 4pin Alternator Avr
Manual De Servicio Toyota Kijyang Innova Onnova 1kd 2kd
7685n Alternator Wiring Diagram Wiring Schematic Diagram
Source :
pinterest.com
Popular Posts
Free Catering Invoice Template Word
French Birthday Cards Free Printable
Free Simple Cv Template Word
Free Certification Programs
Free Non Disclosure Agreement Template California
Grading Template Excel
Ford 2 Wire Alternator Diagram
Free Certificate Templates For Students
Fill In The Blank Obituary Template
Free Realtor Flyer Templates
Free Printable Form Creator
Goals Template
Framed Patent Certificate
Free Math Addition Worksheets For 2nd Grade
Goodman Ac Wiring
Film Business Plan Template Free
Free Printable Bday Cards
Free Purchase Agreement Template
Free Printable Physical Therapy Forms
Graphing And Data Analysis Worksheet Answer Key
Fuse Box Translation
Free Receipt Templates Online
Free Church Program Template
Free Printable Bridal Shower Gift List
Google Online Certificate
Gmc Truck Wiring Diagram Free 2009
Graph Paper Template X And Y Axis
Google Docs Real Estate Flyer Template
Graduation Speech Examples
Gift Certificate Templates Free Download
Gene Expression The Basics Worksheet Answers
Free Google Slides Timeline Template
Go To Market Powerpoint Template
Google Sheets Personal Finance Template
Ford Fusion Part Diagram
Free Editable Payslip Template South Africa
Format Company Profile Design Template Pdf
Fire Science Certificate Vs Degree
Gingerbread Man Template Pdf
Firefighter 1 Certification
Fidm Certificate Program
Good Powerpoint Templates Free
Free Aircraft Maintenance Log Book Template
Ford E 350 Fuse Box Repair Kit 1985
Free Utility Bill Template
Funeral Service Outline Template
Free Printable Waiver Forms
Gmc Safari Parts Diagram
Google Sheets Templates Meal Plan
Free Wedding Seating Chart Template
Free Loan Forms Template
Free Printable Picture Cards
Free Event Contract Template
First Aid Guide Printable
Free Printable 7th Grade Math Worksheets