Free Printables Online
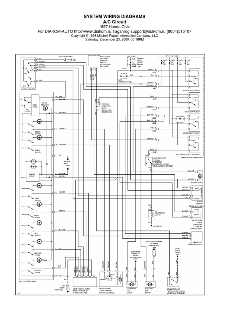
96 Civic Climate Control Wiring Diagram
waybill template excel download
volkswagen transporter fuse box diagram
training manual template word
vendor selection template excel
wiring diagram 06 ktm 450 sx
trip itinerary itinerary template pdf
weekly accounting report template
weekly to do list template printable free
Compressor Ac Wiring Diagram Compressor Wont Start I Just
96 Civic Climate Control Wiring Diagram Wiring Library
99 Civic Heater Ac Blower Fuse Blowing Honda Tech Honda
96 Civic Climate Control Wiring Diagram Wiring Library
Jdm Auto Climate Control Jdm Clock Ambient Temp Sensor
The Ac On My 2006 5 Door 1 8 Civic Is Not Working Properly
Repair Guides
Yet Another A C Wiring Issue Help Hondacivicforum Com
Jdm Auto Climate Control Jdm Clock Ambient Temp Sensor
Repair Guides
96 Civic Climate Control Wiring Diagram Wiring Diagram
1996 Honda Civic Si Power Window Problem Honda Civic Forum
Repair Guides
Climate Control Led And Brake Light Honda Civic Diy
Diy Replacement Of Climate Controls And Bezel In 96 98 Civic
96 Civic Climate Control Wiring Diagram Wiring Library
The Ac On My 2006 5 Door 1 8 Civic Is Not Working Properly
1996 Honda Civic Fuse Layout Ricks Free Auto Repair Advice
Repair Guides
How To Use Honda Wiring Diagrams 1996 To 2005 Training Module Trailer
Part 1 Under Dash Fuse Relay Box 1996 2000 1 6l Honda Civic
Source :
pinterest.com
Popular Posts
Mapquest Printable Directions
Ms Word Business Card Template Free
Marine 4 3l Vortec Engine Diagram
Payment Terms And Conditions Template
Payment Voucher Template Word
Mind Map Template Blank
Personal Auto Loan Contract Template
Need Ssl Certificate
Office Signs Printable
Mediation Certification Utah
Medical Release Template
Math Problems For Kids Printable
Mcalisters Coupons Printable
Masonic Award Certificate Template
Marketing Plan Presentation Template Ppt
Nissan Primera Wiring System Diagram
Pioneer Deh P3600 Wiring Harnes Diagram
Nonprofit Fund Development Plan Template
Microsoft Dynamics Certification
Mortgage Sample Thank You Letter For Loan
Newspaper Front Page Template Free
Pioneer Avic F900bt Radio Wire Diagram
Microsoft Template Calendar 2018
Metrics Dashboard Template
Mind Map Template Excel
Office Rental Invoice Sample
Marathon Wiring Schematic
Microsoft Advertising Certification
Payment Terms Agreement Template
Master Budget Template Excel
Official Report Report Writing Format Sample
Pmp Certification Schools
Pay Or Play Contract Template
Northwestern Marketing Certificate
Medical Assistant Resume
Mickey Mouse Birthday Invitation Templates Free
Old Spice Deodorant Coupons Printable
Multiple Wildcard Certificate
Polar Express Ticket Printable Free
Perch Dissection Worksheet
Plant And Animal Adaptation Worksheet Pdf
Pmi Certification Houston
Neck Gland Diagram
Mini Toggle Hs Guitar Wiring Diagram
Pmp Certification Braindump
Notary Public Sample Letter
Notes Pad Template
Parallel And Perpendicular Lines Worksheet Pdf
Massage Therapist Independent Contractor Agreement Template
Mystery Shopper Template Retail
Motivation Letter University Admission Sample
Model Release Form Template Pdf
Micro Switch No Nc Wiring Diagram
My Resume Pdf Download
Mlt Resume Template