Bajaj Pulsar Wiring Diagram

The pulsar dts i crowns futuristic unique headlamp fairing with twin pilot lamp that matches with the character of the bike definitelty male new age stylish headlamp fairing gives a fresh look and superb appeal.
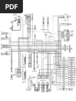
Bajaj pulsar wiring diagram. For more information about your issue please visit the websites below. Pulsar dtsi service manual. Bajaj super excel w electronic ignition wiring diagrampdf repair manuals 928 kb. Bajaj pulsar 150180 wiring duration.
Bajaj pulsar harness change full video hindi mai. Wiring diagram of pulsar ug3 by lukasandrianto. Bajaj auto one of the 26 companies included in the group bajaj group founded in 1926 by entrepreneur bajajhis interests extended to metallurgy food industry. Pulsar 180 dtsi motorcycle pdf manual download.
Click to zoom image of wiring harness pulsar cc dtsi esug4 buy motorcycle spares and and motorcycle accessories for pulsar dtsi ug1. English 1 super excel. Bajaj pulsar wiring change full video hindi mai bajaj tips trick. Wiring diagram 2010 bajaj pulsar 180 dtsi how to connect relay starter starter motor with battery and engine bajaj 2010 pulsar 180 dtsi question.
Service manual bajaj pulsar heating and changed of bike engine sound for my pulsar ug. In 1945 as part of the group was established trading company bahrai trading which was engaged in the import of motorcycles from europe. Bajaj pulsar 150cc india wiring diagram hi anonymous i am sorry you cant find the first and best tool you ever bought for your bajaj but despair not for a mere 10 you can download another one. View and download bajaj pulsar 180 dtsi workshop manual online.
Pulsar 150180 wiring diagram pulsar wiring in hindi pulsar motorcycle ki wiring detail ke liye aap ye video dekh sakte hai. Bajaj genuine wiring relays for pulsar rs200 2012 16 with 200cc dtsi engine. Bajaj super wiring diagrampdf repair manuals 901 kb. Some bajaj parts manuals wiring diagrams pdf are above the page.
2009 bajaj boxer ct 100 tec s1d catalogo de partespdf repair manuals 368 mb.