Free Printables Online
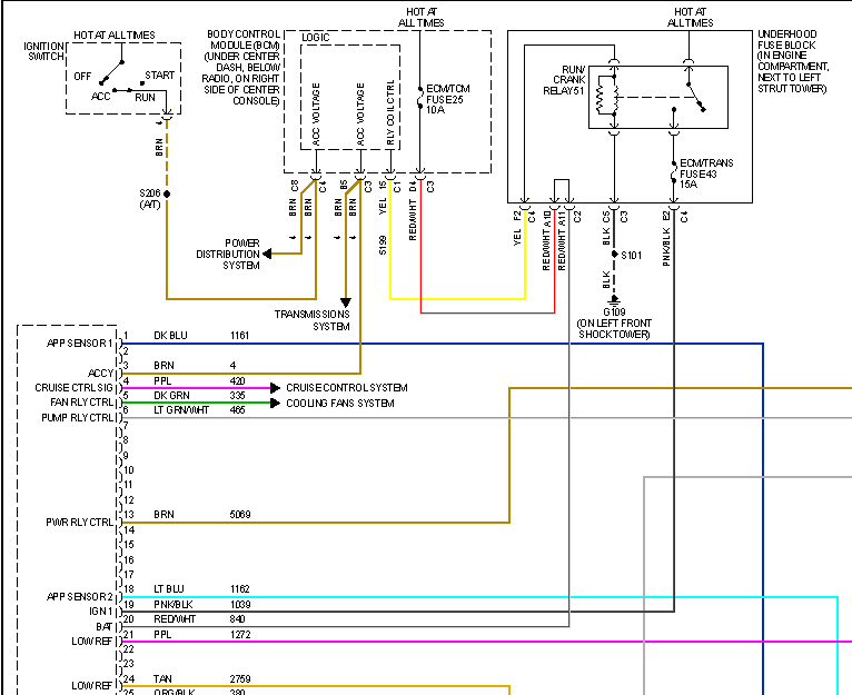
Chevy Hhr Fuse Diagram
certificate of thanks and appreciation sample
birth certificate website
certificate of employment template download
birth certificate department
buyers order template
candy bar baby shower game free printable
cal osha lock out tag out procedure template
ce helmet certification
2010 Chevrolet Hhr Fuse Box Diagrams Ricks Free Auto
Cabin Spare Fuse Box Layout Chevy Hhr Network
2006 Chevrolet Hhr Fuse Box Questions With Pictures Fixya
Chevy Hhr Fuse Diagram Wiring Schematic Diagram
Hhr Fuse Panel Diagram Questions Answers With Pictures
Chevy Hhr Fuse Diagram Wiring Schematic Diagram
2010 Chevrolet Hhr Fuse Box Diagrams Ricks Free Auto
Chevy Hhr Fuse Diagram Wiring Schematic Diagram
Chevy Hhr Fuse Diagram Wiring Schematic Diagram
2011 Chevy Hhr Fuse Diagram Wiring Diagrams Are Usually
08 Hhr Ss Fuses Chevy Hhr Network
Fuse Box For Chevy Hhr Technical Diagrams
Fuse Box Location And Diagrams Chevrolet Hhr 2006 2011
Fuse Box On Chevy Hhr Wiring Schematic Diagram
2011 Chevrolet Hhr Fuse Box Wiring Diagram
Cabin Spare Fuse Box Layout Chevy Hhr Network
2011 Chevy Hhr Fuse Diagram Wiring Diagrams Are Usually
Fuse Box Location And Diagrams Chevrolet Hhr 2006 2011
2011 Chevrolet Hhr Fuse Box Wiring Diagram
2011 Chevy Hhr Fuse Diagram Wiring Diagrams Are Usually
Fuse Box Location Hhr Traverse Fuse Box Location 2007 Chevy
Source :
pinterest.com
Popular Posts
Free Printable Doctors Note For Work Template
Food Web Diagram
Free Water Cycle Worksheets
Format Free Printable Id Card Format Company Id Sample
Free Personal Portfolio Website Templates
Free Printable Coupons For Blue Buffalo Dog Food
Film Daily Production Report Template
Graduate Cover Letter Template Uk
Free Shot List Template
Free Model Release Form Template
Financial Hardship Letter Sample Letter Due To Financial Problem
Free Printable Dragon Ball Z Invitations
Free Printable Girl Baby Shower Invitations
Free Buick Wiring Diagram Starter
Free Sample Of Receipt For Payment
Fuse Diagram Ford 350 2011
Ford Cvh Ignition Diagram
Free Dental Brochure Template
Google Project Tracking Template
First Aid Checklist Template Pdf
Ford Excursion Engine Diagram
Gibson 3 Way Toggle Switch Wiring Diagram
Free 3x4 Name Badge Template
Free Schedule Template For Kids
Guided Math Lesson Plan Template Pdf
Friendly Rent Increase Letter Template
Full Page Graph Paper Template Word
Free Statement Of Account Template Excel
Free Printable Baby Shower Word Scramble With Answers
Free 3rd Grade Math Worksheets Pdf
Fuse Box Diagram For 2007 Jaguar X Type
Free Printable Calendar October 2019
Free Cover Page Templates
Ford Tractor 12 Volt Conversion Free Wiring Diagram
Free Printable March 2020 Calendar With Holidays
Ford One Wire Alternator Diagram
Happy New Year Email Sample
Ford Trailer Wiring Diagram
Free Book Review Templates Ks2
Football Powerpoint Template
Free Printable Profit And Loss Form
Free Fillable Purchase Order Template
Flyer Google Docs Template
Free Sample Of Proforma Invoice Download
Flow Chart Simple Sop Template
Free Printable To Do List Template Aesthetic
Graphing The Periodic Table Worksheet Answers
Financial Audit Report Template
Funeral Program Design Template Funeral Order Of Service
Free Creative Report Templates
Graduate Sample Resume With No Work Experience College Student
Free Printable Wedding Planning Templates
Free Printable Aa Anniversary Cards
Gibson Le Paul Wiring Diagram With Two Toggle
Follow Up Interview Letter Template