Free Printables Online
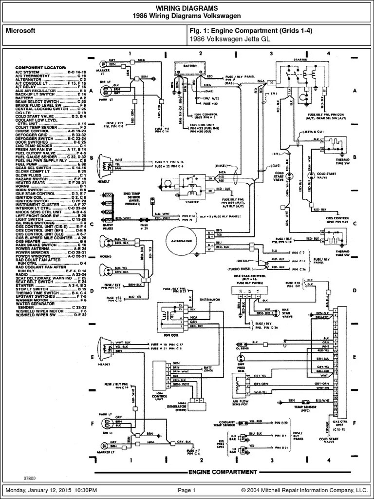
Chime Clock Dakotum Wiring Schematic
right of first refusal clause in lease agreement template
sample id layout template
stencil chevy bow tie template
sample love letters
smart goals template fitness
sales agent contract template free
sleeping line pattern worksheets for kindergarten
sample marriage certificate filled form
Chime Clock Dakotum Wiring Schematic 89 Dodge Headlight
Chime Clock Dakotum Wiring Schematic 89 Dodge Headlight
Chime Clock Dakotum Wiring Schematic 89 Dodge Headlight
Chime Clock Dakotum Wiring Schematic 89 Dodge Headlight
Chime Clock Dakotum Wiring Schematic 89 Dodge Headlight
Chime Clock Dakotum Wiring Schematic 89 Dodge Headlight
Chime Clock Dakotum Wiring Schematic 89 Dodge Headlight
99 Dodge Durango Abs Wiring Diagram Wiring Diagram Sheet
Electrical Schematic Wiring Diagram Video C100 Wiring
Coleman Furnace Wiring Diagram For Model Mbc36cq Wiring
1992 Dodge Dakota Wiring Diagram Electrical Wiring Diagram
Coleman Furnace Wiring Diagram For Model Mbc36cq Wiring
Basic Electric Range Wiring Diagram 3 Wire Electrical Wire
Electrical Wiring Diagram Building Page 481 Belrepetitor
Rv Refrigeration Wiring Diagram Magic Chef 10 1 Cu Ft Top
Coleman Furnace Wiring Diagram For Model Mbc36cq Wiring
Versalift Wiring Diagram Versalift Wiring Diagram Wiring
Food Tube Diagram Figure 21 15
Airstream Wiring Schematic Airstream Wiring Diagram Tv
Whelen Siren 295hfsa1 Wire Diagram 1998 Pontiac Radio
91 Gsxr 1100 Wiring Diagram Wrg 2262 Gsxr 1100 Wiring Diagram
Source :
pinterest.com
Popular Posts
Data Entry Resume Sample Download
Custom Enclosed Trailer Wiring Diagram
Fender Esquire Wiring Harnes
Ecological Succession Worksheet Answers Quizlet
Cut Out Printable Owl Owl Template
Excel Small Business Tax Template
Eclipse Fuse Box
Craftsman Lawn Tractor Belt Diagram
Employee Handover Document Template
Electrical Company Profile Sample Ppt
Excel Client Information Template
Downloadable Family Tree Template Excel
Dental Hygiene Chart Notes Template
Experience Letter For Terminated Employee Sample
Csm Certification Kolkata
Domain Certificate Authority
Dxl Printable Coupons
Executive Level Resume
Diagram Of Colon And Appendix
Family Beach Vacation Packing List Printable
Daily Job Sheet Template
Downloadable Wedding Table Plan Template
Expense Approval Form Template Excel
Ehr Certification Criteria From The National Institute Of Standards And Technology Nist 2010
Employee Identity Card Template Free Download
Expense Worksheet Sample Operating Budget For Daycare
Custom Powerpoint Template
Fake Check Template Word
Expressions And Equations Worksheets
Dreamweaver Responsive Templates
Diagram Ignitor Viking Wiring 0080908000
English Grammar Worksheets For High School
Easy Pinewood Derby Templates
Data Collection Template
Facebook Timeline Photoshop Template
Dominos Gift Certificate
Excel Break Even Template
Excel Bom Template
Criminal Clearance Certificate Uk
Event Management Templates Free
Crisis Worker Certification
Faculty Research Agenda Sample
Fema Disaster Recovery Plan Template
Emotions Game Printable
Fashion Spec Sheet Sample
Dual 12 Pin Wire Harness Diagram
Fake Divorce Certificate
Elevator Pitch Template For Students
Facility Access Control Policy Template
Ebay Product Description Template
Diorama Backgrounds Free Printable Diorama Backgrounds
Daihatsu Engine Wiring Diagram
Educational Planning Worksheet
Excel Salary Sheet Excel Payroll Report Template
Critical Incident Report Template