Free Printables Online
Circuit Diagram Triangle
free photography logo templates
fuse diagram for 2005 300
furnace wiring to thermostat
free reference page template for resume
free wine list template
free board game template printable blank board games pdf
ford jubilee wiring diagram
funnel ppt template
Components Within A Triangle In An Electronics Diagram
How To Build A Triangle Wave Generator Circuit With An Lm741
555 Triangle Waveform Generator Circuit
Triangular Wave Generator In 2019 Function Generator
Triangle Wave Square Wave Output Voltage Controlled
Triangle Wave Generator Circuit
Triangular Wave Generator Using Op Amp Eeeguide
How To Read A Schematic Learn Sparkfun Com
Triangle Wave Generator Circuit Simulator
Pin On Electronic Project Ideas
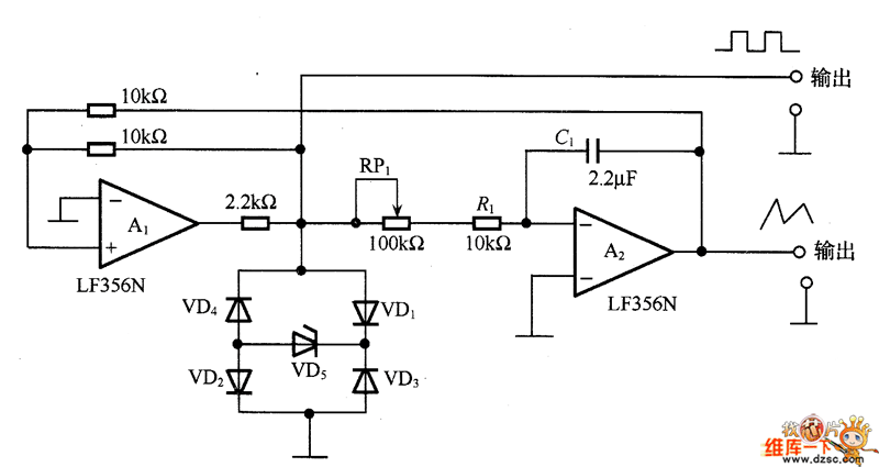
Circuit Diagram Of The Triangle Wave Generator Divided Into
Triangular Waveform Using Schmitt Trigger Electronic
How To Read A Schematic Learn Sparkfun Com
Triangle Wave Generator Using 555 Ic Circuit Diagram
Triangle Wave Generator
Oscillator Circuit Diagram With Triangle Wave Square Wave
Square Wave To Triangle Wave Converter Circuit In 2019
Triangular Wave Generator Using Opamp Circuit Diagram
Triangular Wave Generator Circuit Electronik Computer
Triangular Wave Generator Using Op Amp 741 Circuit Working
3 Resistance Of 8 Ohm Each Are In Connected To A Triangle
Source :
pinterest.com
Popular Posts
Transunion Dispute Form Printable
To Do List Template Cute
Visitor Sign In Template Excel
Wiring Diagram Adding A Garage Consumer Unit
Workplace Violence Risk Assessment Template
Wiring Trailer Lights Diagram
Warehouse Stock Inventory Excel Template
Tips Certification Arizona
Transcription Translation Practice Worksheet
Word Nda Agreement Template
Tekonsha Voyager 9030 Wiring Diagram 2001 Mitsubishi
Wiring Diagram For Par Car Golf Cart
Volvo Wx42
Wedding Program Ideas Templates
Wiring A 240v Line
Template Financial Memo Example
Transparent Transparent Background Transparent Puzzle Piece Template
Written Warning Appeal Letter Template
Vw Beetle Starter Motor Wiring
Wiring 8 Ohm Dvc Subwoofer
Template Site Web Html
Yamaha Breeze 125 Wiring Diagram
Sworn Statement Sample Sworn Declaration
Use Of Funds Template Excel
Wiring Diagram 2000 Ford V1 0 Truck
Wiring An Schematic Box
Vak Test Printable
Templates Printable Talent Show Sign Up Sheet
Virtual Assistant Client Intake Form Template
User Journey Map Template
Us Resume Examples
Water Bottle Wrapper Template
Wiring Schematic For 1996 Silverado
Xd Cc Templates
To Do Checklist Template
Tomball Birth Certificate
Ten Red Apples Printable Book
Toyotum Hybrid Wiring Diagram
Temporary Employment Contract Template Free Download Uk
Vending Machine Label Template
Tgi Fridays Receipt
Wine Menu Template
System Down Email Template
Transfer Switch Wiring Diagram 3 Phase 4 Waie
Wiring A Generator Transfer Switch
Word Document Fax Template
Wax Melt Label Template
User Registration Registration Form Template Html
Worksheet Domains And Ranges Of Relations And Functions Answer Key
Trivia Night Ppt Template
Template Free Printable Address Book Pages
Trucking Website Template
Treasurer S Report Template For Nonprofit Organization
Type Of Car Fuse Box
Twitch Banner Template Photoshop