Crown Forklift Wiring Diagram

The companys full line of products includes manual hydraulic carts electric trucks and stackers sideways and standing loaders with a counterweight reach trucks stackers for very narrow aisles.
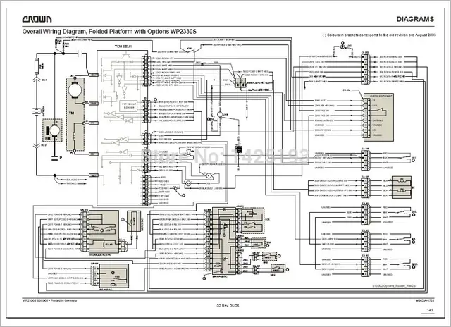
Crown forklift wiring diagram. Crown manufactures forklift trucks used for moving goods in warehouses distribution centers and manufacturing facilities around the world. New battery and forklift display only reads up to 60 fully charged. These crown repair books contain schematics and information you need for your fork truck equipment. Open forklift circuits a voltage drop test is the best method for testing open circuits.
Serviceparts manuals and safety labels online ordering. This manual contains servicerepair proceduresassemblingdisassembling wiring diagrams and everything you need to know. Crown diagrams schematics and service manuals download for free. You can also order manuals using the manual and safety label lookup tool.
This is the most complete service and parts manual for the crown wews 2000 series forklift. The quickest way to narrow down your search is to look for available voltage. Using the appropriate wiring diagram identify some easily accessible areas to measure for available voltage. Wiring diagram or service manual needed.
You can order bound forklift operator manuals as well as parts and service manuals that include safety labels through the forklift manual selector below. This is a forum for discussions related to any mechanical issues with crown. Crown rc 3000 forklift repair manual here is our pdf bundle that includes the crown rc 3000 forklift service manual you need pdf formats. Working safely is at the top of your list so if your operator manual is lost or missing click on the lift truck model to view its current manual.
Amplifier user manuals operating guides specifications. Crown amcron macrotech ma1200 ma1201 amplifier schematic service manual crown d60 power amplifier schematic crown dc300 laboratory amplifier crown f 11 crown ic150a preamplifier schematic crown k1 k2 ce4000 service documentation crown k1 k2 series amplifier schematics crown k series amplifier service manual. Crown wiring diagram for model 20 mt 130 electric forklift cars trucks question. To use this tool.