Free Printables Online
Dodge Dart Ignition Switch Wiring Diagram
9 business reply envelope template
avery 5524 template word
avery 22831 template
bcba certification programs
3rd grade math worksheets free
4th of july party invitations free printable
78 chevy trailer plug wiring diagram
2014 e 450 fuse box diagram
How To Install An Ignition Switch In 1970 Dodge Dart For A
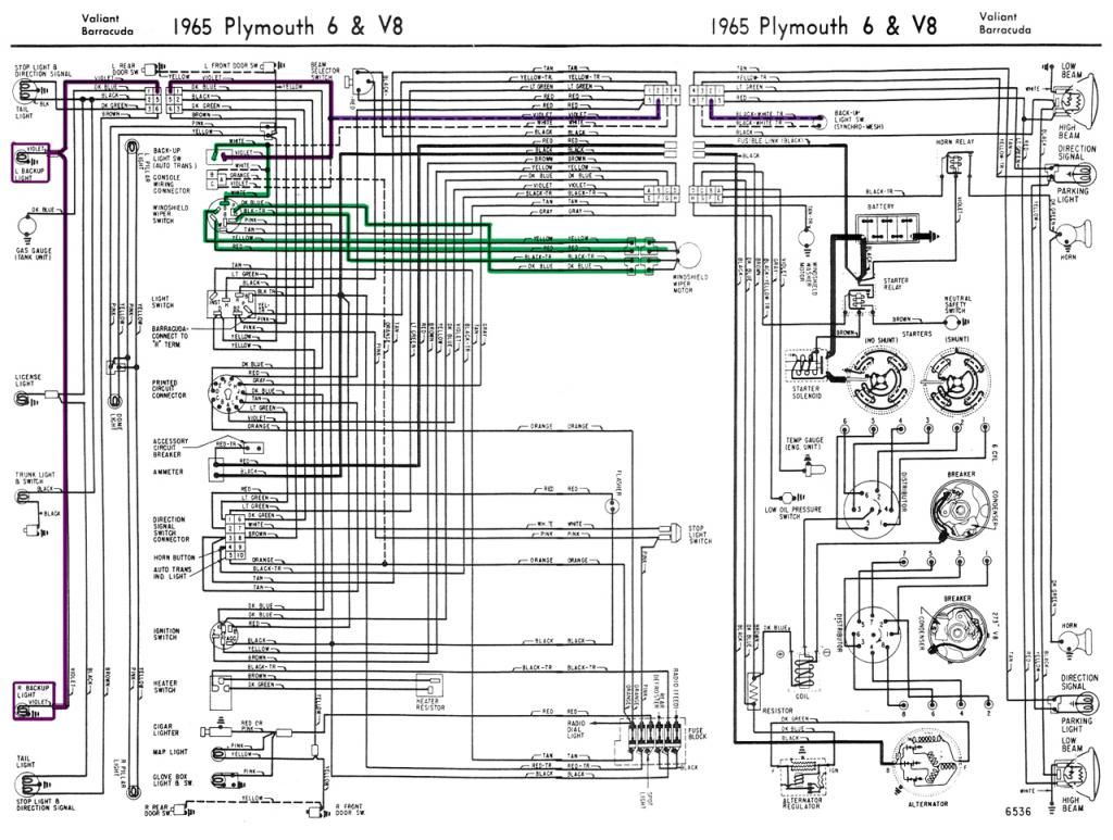
Electrical Diagrams For Chrysler Dodge And Plymouth Cars
1974 Dodge Dart Plymouth Duster 8 1 2 X 11 Color Wiring
Dart Ignition Switch Removal For A Bodies Only Mopar Forum
Dodge Dart Ignition Switch Wiring Diagram Wiring Library
1967 Dodge Dart Wiring Diagram Wiring Schematic Diagram
1963 Dodge Dart Color Wiring Diagram
Electricals 61 71 Dodge Truck Website
My Car Will Not Start When I Turn The Key But Attempts
Electricals 61 71 Dodge Truck Website
1967 Dodge Dart Wiring Diagram Wiring Schematic Diagram
2013 2016 Dodge Dart Plug Play Remote Start Kit Push
2013 Dodge Dart Wiring Diagram Radio Awesome Fuse Box
Image Result For Mopar Starter Relay Wiring Diagram Mopar
1971 Dodge Ignition Switch Wiring Diagram Wiring Diagram
1971 Mustang Wiring Diagram Color Wiring Diagram
How To Install An Ignition Switch In 1970 Dodge Dart For A
Wrg 4838 1964 Chevy Ignition Switch Wiring Diagram
How To Install An Ignition Switch In 1970 Dodge Dart For A
1st Gen Ram Wire Diagrams Dodgeforum Com
2011 Dodge Charger Wiring Diagram New 1973 Dart
Source :
pinterest.com
Popular Posts
24hour Fitness Certificates
2013 Ford F250 Fuse Box Diagram
Basic Monthly Timesheet Template
All About Me Worksheet
2013 Honda Pilot Trailer Wiring Harness
Arabic Resume Sample
57 Chevy Starter Diagram
Beatle In Fuse Box
American Birth Certificate
69 C10 Tach Wiring Diagram
384 Well Plate Template Excel
Basic Medical Certificate Format
Apartment Lease Renewal Letter Sample
3rd Grade Multiplication Worksheets 1 12
30 Amp 240v Plug Diagram
Base Engineering Wiring Diagrams
98 Nissan Altima Ignition System Wiring
Bar Managers Certificate
97 Civic Under Dash Fuse Box Diagram
67 Camaro R Wiring Diagram
99 Gmc Sierra Wiring Diagram For Ignition
Baby Shower Gift Record Printable
Amusement Park Brochure Template
Affidavit Of Loss Id Sample
Avery Printable Bookmarks
8th Grade Grade 9 Pythagorean Theorem Worksheet
Attorney Billing Timesheet Templates
A4 Letterhead Template Psd Free Download
2015 Nissan Frontier Fuse Box Diagram
Alternator Voltmeter Wiring Diagram
54 Chevy Truck Wiring Diagram
98 Ford Radio Wiring Diagram
83 Chevy Truck Headlight Switch Wiring Schematic
86 Ford Wiring Diagram Schematic
78 Jeep Wiring Diagram
After Effects Resume Template
4 Wire Thermostat Wiring Typical
7 Day Meal Plan Keto Printable Keto Diet Food List
Best Free Receipt Scanner And Organizer App
Accounts Payable Certification
84 Cj7 Wiring Diagram
Art Certification Texas
Application Sample Letter Of Intent For Job Opening
Atv Wiring Harnes Diagram
Basic Balance Sheet Template Excel
Best Free Responsive Blogger Templates
24 Slot Motor Winding Diagram
Abo Certification Books
2013 Vw Golf Fuse Diagram
99 F250 Brake Line Diagram
Assisted Living Website Templates
Annual Payroll Summary Report Template Excel
Arithmetic Sequence Worksheet
Basic Cash Receipt Template
Audit Risk Assessment Template Excel