Free Printables Online
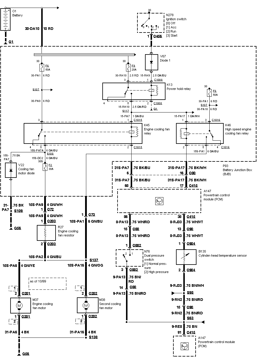
Ford Focu Cooling Fan Wiring Diagram
old ga heater wiring schematic
personal commitment letter sample
nema 6 50p outlet
personal grocery shopper resume
microsoft resume template free download
online resume critique service
official agreement template
pin wiring diagram
Radiator Cooling Fan Assembly Diagram I Need A Diagram Of
Radiator Cooling Fan Assembly Diagram I Need A Diagram Of
Radiator Cooling Fan Assembly Diagram I Need A Diagram Of
Radiator Cooling Fan Assembly Diagram I Need A Diagram Of
Ford Focus Engine Overheating
2001 Ford Focus Cooling Fan Wiring Diagram Wiring Diagram
Excellent 2002 Ford Focus Cooling Fan Wiring Diagram S Best
Cooling Fans Wiring Diagram
Focus Electric Cooling Fans On The Cheep Corvetteforum
Solved 2001 Ford Focus Over Heating Did Not Hear Cooling
Repair Guides
2011 Ford Fiesta Cooling Fan Wiring Diagram Focus Forward
Repair Guides
Fan Wiring Diagram Passionford Ford Focus Escort Rs
Cooling Fans Ford Focus Cooling Fans Not Working
2011 Ford Fiesta Cooling Fan Wiring Diagram Focus Forward
Radiator Fan Not Working Diesel Engines Mondeo Mk3
Ford Escape Questions One Fan In My Scape Is Not Running
Radiator Cooling Fan Wiring Diagram With Ac My Sicily Com
2002 Focus Wiring Diagram Wiring Diagram
Cooling Radiator Fan Relay Location Fordforumsonline Com
Source :
pinterest.com
Popular Posts
Ford F 450 Fuse Box
Free Design Contract Template
Free Sample Fax Forms
Free Preschool Worksheets Age 5 6
Free Birthday Invitations Templates To Print
Gold And Blue Invitation Template
Free Printable Mapquest Driving Directions
Free Printable Bridal Shower Invitation Templates For Word
Get Free Certificate Online
Gia Online Certification
Food Certificate Nyc
Free Printable Kindergarten Homeschool Curriculum
Golf Cart Controller Schematic
French Marriage Certificate 2019
Golf Cart Club Diagram Part
Financial Advisor Email Template
Fuse Box Diagram For 2003 Mercury Grand Marqui
Fmea Training Certification
Green Home Certification
French Menu Card Sample
Freelance Copywriter Contract Template
Fender Squier P Bass Wiring Diagram
German Language Certification
Free Jeopardy Game Template For Teachers
Frayer Model Template Editable
General Power Of Attorney California Template
Free Fillable Budget Worksheet
Free Paper Cactus Template
Free Gift Certificate Template Pdf
Free Yearbook Templates For Word
Free Payslip Template Excel Malaysia
Free Chapstick Label Template
Free Printable Axe Body Wash Coupons
Grocery Associate Resume
Gm Esc Module Wiring Diagram
Graduation Postcard Template
Ford F 450 Fuse Panel Diagram
Ford E 350 Radio Wiring Diagram
Forward Reverse Electric Motor Wiring Diagram
Free Business Profile Template Sample
Gntx 177 Wiring Diagram
Fillable Fake Bank Statement Template Free
Fender Standard Precision Bass Guitar
Free Owl Baby Shower Printables
Free Liquor Inventory Template
Free Printable Daily Planner 2019 Pdf
Fuse Box In 2003 Mercury Mountaineer
Guitar Wiring Diagram Emg 85
Free Event Program Template Download
Free Medical Release Form Template
Free Psd Birthday Templates
Government Sample Official Letter Format
Free Powerpoint Photo Collage Template
Goal Planning Template Excel
First Grade Free Printable 1st Grade Math Worksheets