Free Printables Online
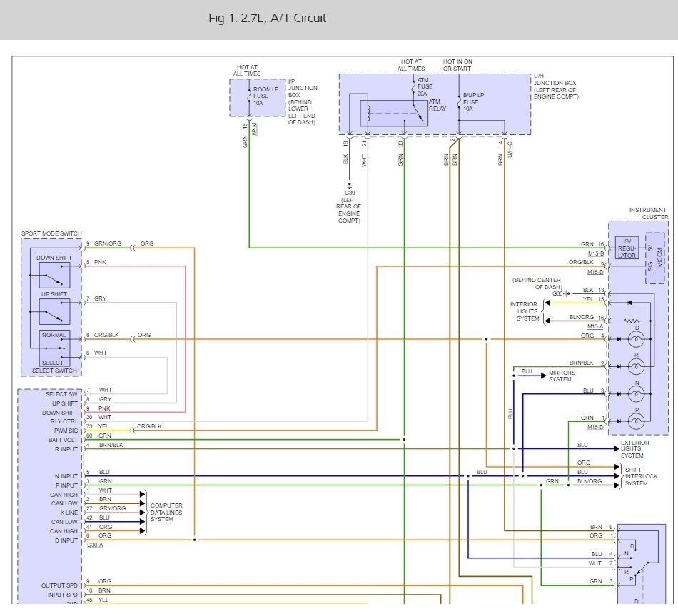
Hyundai Sonatum Wiring Diagram Tcm
como hacer un resume en ingles
clothing care symbols worksheet
cease and desist letter template harassment
bmw x6 electric car electrical wiring diagram
blank cereal box template png
claires ear piercing gift certificate
blank gift voucher template
bmw x3 starter wiring diagram images
Hyundai Sonata Wiring Diagram Tcm Wiring Library
Tcm Location Where Is The Tcm Located On The Car Listed
What Causes The Transmission Code Tcm Relay Always On The
Repair Guides
What Causes The Transmission Code Tcm Relay Always On The
Transmission Control Module I Am Getting Codes P0890 And
Repair Guides
Wiring Diagram Hyundai Accent 2007 Electrical Hyundai Sonata
Hyundai Sonata 2010 Engine Diagram Wiring Library
Hyundai Wiring Diagrams 2001 To 2006 Youtube
Transmission Control Module I Am Getting Codes P0890 And
Wiring Diagram Hyundai Accent 2007 Electrical Hyundai Sonata
Repair Guides
Hyundai Getz 2002
P0880 Code On 2010 Sonata Gls 2 4l Hyundai Forum Hyundai
Hyundai Archives Page 2 Of 13 Freeautomechanic Advice
Repair Guides
Cmp Sensor 2001 Hyundai Sonata 2 4l Freeautomechanic Advice
Tcm Location Where Is The Tcm Located On The Car Listed
U0101 Lost Communication With Transmission Control Module
2001 Hyundai Sonata Fuse Diagram Wiring Diagram
Source :
pinterest.com
Popular Posts
Cvc Words Worksheets Cut And Paste
Execution Strategy Template
Escape Room Worksheets
Equipment Rental Contract Template
Et 250 Wiring Diagram
Diesel Fuel Filter Housing With Primer Pump
Eddie Bauer Printable Coupons
Electrical Outlet Wiring Diagram For Hubbell
Database Administrator Resume
Downloadable Nursing Concept Map Template Word
Excel Stock Control Spreadsheet Template
Cute Blank 30 Day Calendar Template
Dream Interpretation Certification
Dragon Medical Template Library
Devops Certification Prerequisites
Energy Audit Template
Cst Certification School
Employee Petition Template
Daihatsu Wiring Diagram
Engine Diagram From 1999 Dodge Caravan 3 3
Ear Diagram Semicircular Canals
Download Template Kalender 2020 Photoshop
Creditor Debt Verification Letter Sample
Excel Free Profit And Loss Template For Self Employed
Destination Maternity Printable Coupon
Cute Printable Dog Images
Excel Restaurant Tip Out Sheet Template
Employee Birthday Calendar Template Excel
Daily Schedule Blank Daily Schedule Daily Calendar Template
Edx Professional Certificate Value
Diagram Of Eye Nose
Employee Warning Notice
Duplicate Birth Certificate
Dodge Ram Fuel Filter Location
Door Hardware Schedule Template Excel
Crown Victorium Cooling System Diagram
Family Tree Template
Cross Functional Flowchart Template Excel
Family Tree Image Template
Door Knob Hanger Template Free
Ending Punctuation Worksheets
Digital Certificate Management Software
Dallas Mavericks Printable Schedule 2019 20
Evinrude 90 Wiring Diagram
End Of Contract Template
Excel Tool Inventory Template
Customer Feedback Form Template Excel
Dometic Ac Wiring Diagram
Eg Civic Engine Fuse Box
Epson Receipt Printer Not Printing Ink
Feasibility Study Template For New Business
Email Leave Application Sample
Daily Sales And Expenses Excel Template
Fancy Paper Printable
El Camino Heater Box