Free Printables Online
Lincoln Zephyr Wiring Diagram
volvo vr 300 wiring diagram
what can i put on my resume with no experience
wedding to do list template
usda food defense plan template
tax computation worksheet 2017 in excel
volvo xc90 stereo wiring diagram
t8 electronic ballast wiring diagram free picture
teaching shapes to preschoolers worksheets
2006 Lincoln Zephyr Wiring Diagram Wiring Diagram
Wiring Diagram Needed For 41 Lincoln Zephyr Lincoln
Lincoln Zephyr Wiring Diagram Wiring Library
1938 Lincoln Zephyr Color Wiring Diagram
2006 Lincoln Zephyr Wiring Diagram Wiring Diagram
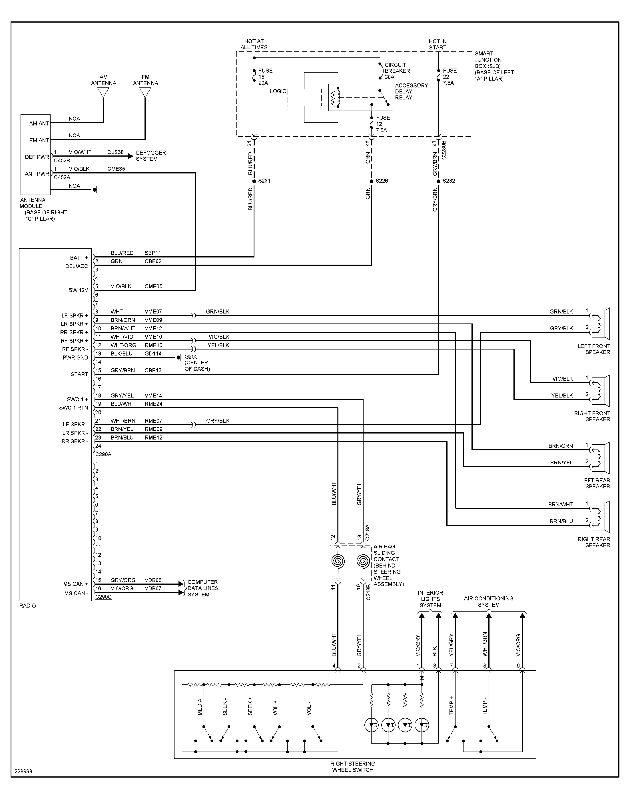
2006 Ford Fusion Mercury Milan Lincoln Zephyr Wiring Diagram
2006 Lincoln Zephyr Installation Parts Harness Wires Kits
2006 Ford Fusion Mercury Milan Lincoln Zephyr Wiring Diagram Manual Original
Lincoln Zephyr Wiring Diagram Wiring Library
2006 Lincoln Zephyr Fuse Diagram Wiring Schematic Diagram
2006 Lincoln Ls What Are The Colors Of The Wires In The
Lincoln Zephyr Fuse Diagram Wiring Diagram
Mercury Zephyr Wiring Diagram
2006 Lincoln Zephyr Fuse Box Diagram Wiring Schematic
2006 Lincoln Zephyr Fuse Box Diagram Wiring Schematic Diagram
2006 Lincoln Zephyr Wiring Diagram Wiring Diagram
97 Radio Wiring Diagram Lincolns Online Message Forum
2014 Mkz Stereo Wiring Diagram Wire Color Codes 2013
2006 Lincoln Zephyr Fuse Diagram Wiring Schematic Diagram
Boos Herrel Lincoln Zephyr Continental Parts 1936 1948
Boos Herrel Lincoln Zephyr Continental Parts 1936 1948
Source :
pinterest.com
Popular Posts
Youth Group Newsletter Template
Youtube Website Template
Yearbook Template Publisher
Yearbook Advertisement Template
Youtube Channel Art Template Psd Free Download
Youtube Intro Templates Premiere Pro
Year End Balance Sheet Template Excel
Yamaha Xt500 Wiring Diagram
Yoga Certification Houston
Yearbook Template Word
Yugo S
Yoga Flyer Template
Your New Health Care System Diagram
York Ac Schematic Df 072
Zombie Files Parallel Lines And Transversals Worksheet Answers
Year Curriculum Planning Template
Ytd Payroll Report Sample
Yard Design Template
Youth Club Registration Form Template
Year End Financial Statement Template
Ziprecruiter My Resume
Your Signature Resume Reviews
Yelp Like Website Template
Zebra Receipt Paper
Yearbook Template Powerpoint
Yearbook Templates Google Docs
Zero Sum Budget Template
Zazzle Gift Certificate
Youtube Landing Page Template
Youtube Template Download
Z Fold Brochure Template
Yoga Trainer Certification
Zebra Invitations Printable Free
Ziprecruiter Resume Search
Yj Brake Light Wiring Diagram
Yamaha Yfm350 Engine Diagram
Z32 Wiring Diagram Harnes 2002 Nissan Altima
Yoga Certification Az
Yamaha Yzf600 Wiring Diagram
Yearbook Dedication Page Template
Year End Donation Receipt Template
York A C Condenser Wiring Diagram
Years Of Service Award Template Free
Yard Sign Template
Zety Resume Cost
Youtube Channel Art Template Freepik
Youtube Wallpaper Template
Yes No Flowchart Template
Yellow Paper Printable
Zongshen 250cc Wiring Harnes
Yearly Budget Template Free
Yamoto 110 Atv Wire Diagram
York Furnace Thermostat Wiring Diagram
Yamaha Xs650 Engine Diagram
Yearly Sales Forecast Template