Free Printables Online
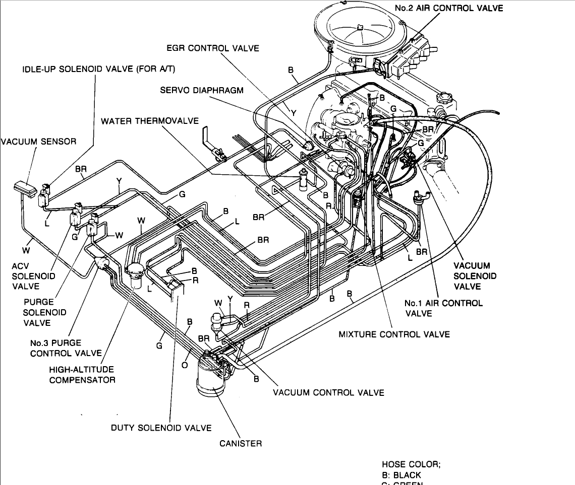
Mazda B2000 Vacuum Hose Diagram
sharp xe a207 receipt paper
sap hcm certification in pune
statement template
simple cover letter template word doc
science project printable labels
sample vision statements
sample supply agreement template
software license management excel template
Mazda B2200 Vacuum Diagrams Mazdaruckin Com
I Need A Vaccume Hose Diagram For A 1987 Mazda Pick Up Truck
Engine Vacuum Lines I Have A 1992 Mazda B2200 And I Was
1981 B2000 Vacuum Diagram Needed Mazda Forum Mazda
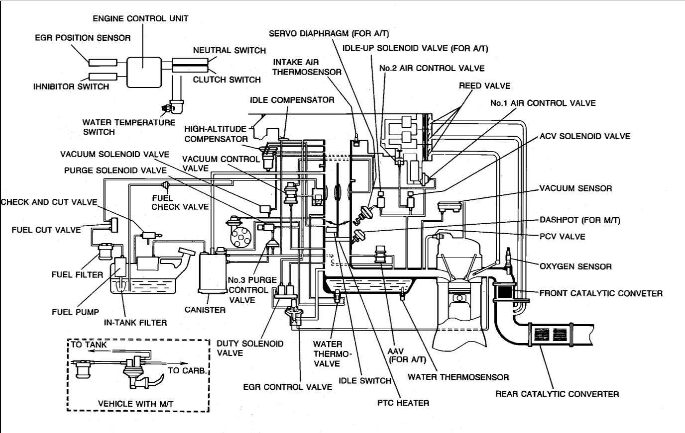
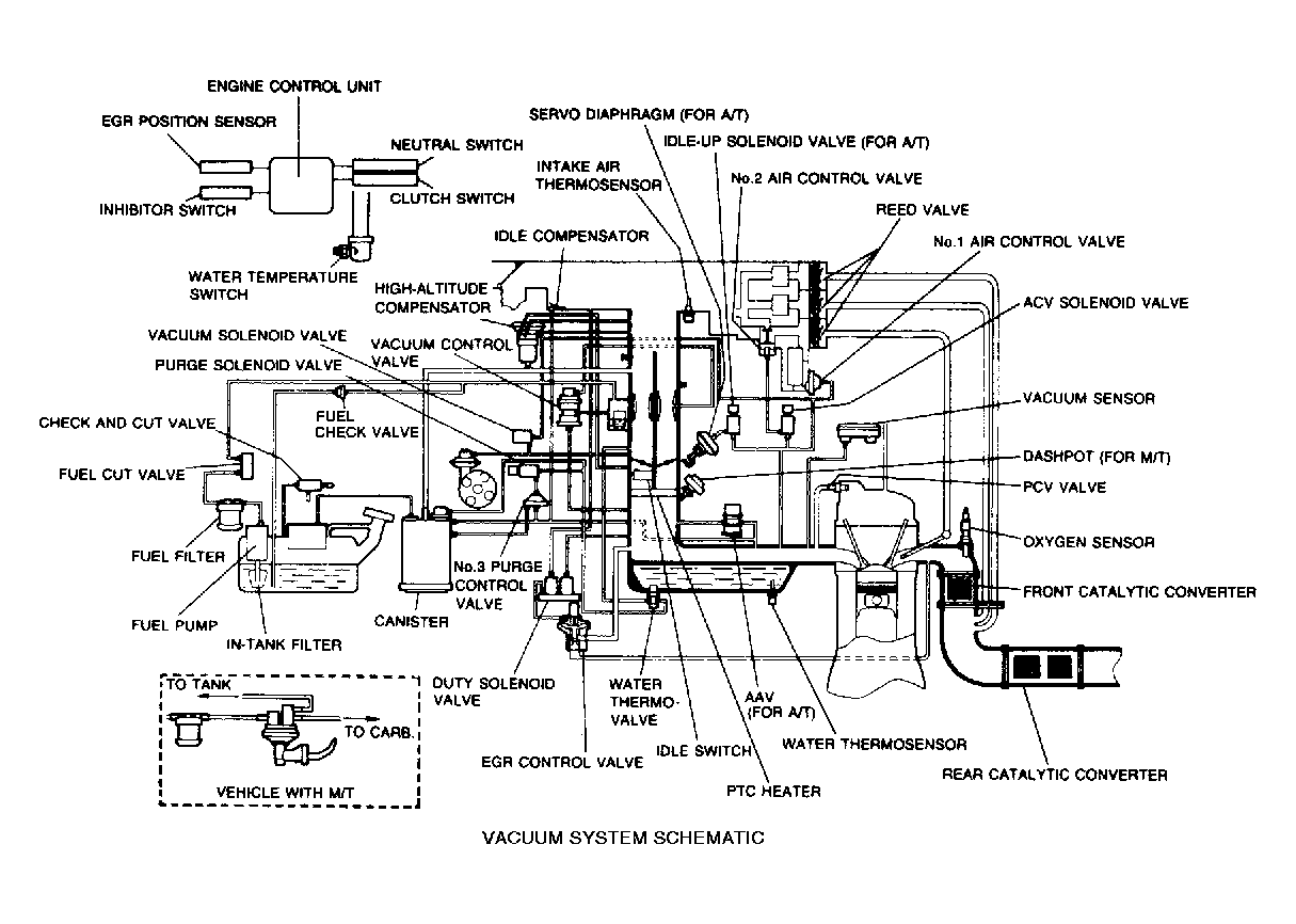
Vacuum Diagrams
Mazda B2200 Vacuum Diagrams Mazdaruckin Com
Engine Vacuum Hose Diagram I Am Looking For A Vacuum Hose
I Have A 1987 Mazda B2600 And I Rebuilt The Engine But I Can
Engine Vacuum Lines I Have A 1992 Mazda B2200 And I Was
Mazda B2000 Vacuum Hose Diagram Schematics Online
Vacuum Diagrams
Engine Vacuum Lines I Have A 1992 Mazda B2200 And I Was
1986 Mazda B2000 Engine Diagram Wiring Diagram
1986 Mazda B2000 Engine Diagram Wiring Diagram
Mazda B2000 B2200 Vacuum Control Valve Diagram Cars
Vacuum Diagrams
1981 B2000 Vacuum Diagram Needed Mazda Forum Mazda
Engine Vacuum Lines I Have A 1992 Mazda B2200 And I Was
Vacuum Lines Mixed Up On 1984 Mazda B2000 Sundowner
Vacuum Diagrams
Mazda B2000 Diagram Wiring Diagram
Source :
pinterest.com
Popular Posts
Old Spice Deodorant Coupons Printable
Personal Vacation Tracker Excel Template 2019
Mitsubishi Eclipse Stereo Wiring Diagram
Non Profit Donation Receipt Sample
My Resume Template
Moving Expense Template
Nursing School Application Resume Examples
Neat Receipts App
Mezuzah Scroll Printable Sheets
Master Of Business Administration On Resume
Notarized Letter Template For Residency
Neuron Diagram And Functions
Mazda Suv
Near Miss Form Template Uk
Math Worksheets For Grade 11
Personal Profile Ppt Template Free Download
Pediasure Printable Coupons
Minecraft Pixel Art Templates Easy
Mining Joint Venture Agreement Template
Online Store Privacy Policy Template
Organizational Development Resume Examples
Oracle Certifications List
Miralax Coupons Printable
Photography Business Forms Templates
Paralegal Certification Course
Mcdonalds French Fries Box Template
Monthly Bill Planner Printable
Microsoft Word Business Letter Template
Onboarding Excel Template
Pdf Free Printable Venn Diagram Template
Photo Id Template Word
Msd Digital 6al Ignition Wiring Diagram
Metra Wiring Diagram Volkswagen
Msd 7al 3 Wiring Transbrake
Pc Power Supply Wiring Diagram
Novel Writing Templates Free
Manual Handling Risk Assessment Template For Care Homes
One Time Credit Card Authorization Form Template
Nist Certification Cybersecurity
Parallel Lines And Transversals Worksheet Answers Gina Wilson
Massachusetts Residential Lease Agreement Template
Peugeot Wiring Diagram Software
Nissan Qashqai Fuse Box Diagram
Pioneer Car Wiring Diagram
Pioneer Deh P4200ub Wiring Harnes
Microsoft Word Bookmark Template
Movie Theater Ticket Template
Photo Booth Printables
Osha Certification Benefits
Osha 100 Certification
Micro Usb To Rj45 Cable Wiring Diagram
Monthly Weight Loss Calendar Template
Official Introduction Email Sample
Nabcep Sales Certification
Marriage Officiant Certificate