Free Printables Online
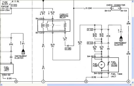
Mazda Fuel Pump Wiring
contract compliance certification
bush hog gt48 wiring diagram
cost analysis spreadsheet template excel
bmw e46 radio wiring diagram pdf
class planning template
cash flow statement template personal
birthday card template printable free
chevrolet matiz cigarette lighter fuse
The Fuel Pump On A 2002 Mazda Protege Is Not Working And
Fuel Pump Relay Location Where Is The Fuel Pump Relay
Solved Where Is The Fuel Pump Relay On 1991 Mazda Miata Fixya
Solved Where Is The Fuel Pump Relay On A 2007 Mazda 6 Fixya
Fuel Pump Or Wiring Rx7club Com Mazda Rx7 Forum
Mazda Rx 7 Fuel Pump Rewire Diagram Stanis Net
Fuel Pump Relay Location Where Is The Fuel Pump Relay
Wrg 6760 Mazda Fuel Pump Wiring
Solved Where Is Located The Fuel Pump Relay 1999 Mazda Fixya
My Fuel Pump Stopped Working Suddenly When You Hot Wire
Mazda Cx 5 Service Repair Manual Fuel System Fuel
Fuel Pump Relay 1992 Mazda Miata O Reilly Auto Parts
Where Do I Get To The Fuel Pump On A Mazda 2002 626 Also
Mx5 Mk2 5 1 8 2004 Vvt Fuel Pump Relay Location
Mazda B2600 Bravo Fuel Pump Wiring Harness Connector
1992 Mazda B2600 Feul Pump Electrical Problem 1992 Mazda
Fuel Pump Relay Location 1995 2002 Mazda Millenia Ifixit
Where Is The Fuel Pump Relay On 2004 Mazda 6 Fixya
Mazda Cx 5 Service Repair Manual Fuel Pump Relay Fuel
How To Diagnose A Mazda Protege 5 That Cranks But Does Not Start Fuel Pump Relay Replacement
Where Is The Fuel Pump Relay Located On A 93 Mazda B2200 Pickup
Source :
pinterest.com
Popular Posts
Vertical Timeline Template Powerpoint Free
What Is A Cell Worksheet
Warhammer 40k Templates
What Should Be In The Summary Of A Resume
Timetable Schedule Template
Virginia Will Template
Updated Resume Sample Philippines
Tips Certification Md
Wedding Program Samples In Nigeria
Usps Signature Confirmation Receipt
Tracing Worksheet Maker
Vinyl Record Database Template
Tableau Exam Certification
Volunteer Shift Schedule Template
Type Fuse Box
Weight Training Charts Printable
Weekly Email Newsletter Template
Transition Plan Handover Plan Template Excel
Top Resume Experts Charlotte Nc
What A Good Resume Looks Like
Wiring Diagram 2003 Buick Lesabre Interior Free Download
Timesheet Templates
Word Search Book Printable
T56 Transmission Wiring Diagram
Wanted Poster Sample For Kids
Used Car Sale Contract Template
Tic Tac Toe Template Printable
Timetable Sample Excel
Wedding Day Checklist Template
Yamaha Ttr50 Engine Diagram
Will You Be My Personal Attendant Printable
Xl Fuse Box
Wordpress Drag And Drop Templates
Template Project Proposal Document Proposal Example
Trader Joes Shopping List Template
Will You Be My Godmother Printable Card Free
W 9 Form Free Template
Tail Light Wiring Diagram 98 Ram 1500
Tanto Knife Template
Video Production Request Form Template
Wiring Diagram For 09 Chevy Aveo
Windows Form Design Templates C Free Download
Vegan Coach Certification
Twinkle Little Star Baby Shower Invitation Template
Top Secret Clearance Resume
T Shirt Screen Printing Template
Technical Roadmap Template
Trauma Body Diagram
Wordpress Block Templates
Xlr Wiring Chart
What To Add To A Resume
Wide Lined Paper Template
Western Plow Mount Ford F350
Table Tent Template Download
Workhorse Wiring Diagram 8