Mazda Zl Engine Wiring Diagram

How do i install crankshaft sensor for mazda familiar zl engine please help.
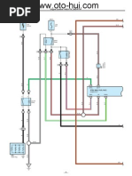
Mazda zl engine wiring diagram. Mazda engine bp b6 workshop manual. The mazda z series is a smaller gasoline inline four engine ranging in displacements from 13 l to 16 l. The first car of the mazda was named the mazda go a three wheeled truck introduced in 1931 which a year later began to export to china. Mazda wire information wire information wiring information wiring information color codes technical wiring diagrams.
Engine trouble codes for mazda zl ecu cars trucks question. Mazda 323 ford laser 2002 service manual 01 engine. Your source for mazda wire information wiring information technical help for your new or used vehicle mazda technical wiring diagrams wire information wirediagram. I confirmed the battery was fully charged and then reconnected it.
The mazda familia also marketed prominently as the mazda 323 and mazda protege is a small family car that was manufactured by mazda between 1963 and 2003. Without saying that the application of this control technology has simultaneously improved both the performance of the engine and its fuel efficiency and mazda has built this brand. Mazda car manuals pdf wiring diagrams above the page. The familia line was replaced by the mazda3axela for 2004.
They are the evolution of the cast iron block b engine. It was marketed as the familia in japan. The mazda familia mazda 323 mazda protege repair manual as well as the service and operation manual detailed wiring diagrams and electrical test descriptions of models of various variants of mazda familia mazda 323 protege front wheel drive and four wheel drive vehicles equipped with gasoline engines ot 13 l zl 15 l zm 16 l fp 18 l and fs 20 l. Good day dear sirs.
I have mazda year 1996 and it changes the b6 motor to him by zl and need the wiring diagram for finish the electric instalation. Camry u250e automatic transaxle repair manual. Documents similar to zl deautoecu. I look for information mazda bj engine b3 and zl japanese.
The z engine has 16 valves operated by dual overhead camshafts which are in turn driven by a timing beltthe block of the 98 02 z5 zm and zl engine is cast iron same as the earlier b series of engines. Carousel previous carousel next. All infos on mazda engine b3 b3 me fp fp de fs fs de fs det fs ze rf idi tdi zl ve svt zm zm de s vt garrett t25 ethanol. In 1920 mazda started the company as a machine tool factory but quickly switched to building cars.
Doorlock info and any other aftermarket. Or buy the electrical branch ramal electrico completo of the engine to the ecu. My number motor is zl 421427 as i can know as it is the ecu that works with this motor. Mazda protege 2003 wiring diagram supplement.
I found a useful site for information concerning wiring diagrams that may help you folks out.