Free Printables Online
Monte Carlo Fan Wiring Diagram
editable printable cash receipt template free
example risk management plan sample
f18 part
elementary book report template pdf
diy electrical wiring house
electric wiring diagram 85 vw vanagon
farmall 400 diesel wiring diagram
debt lawsuit answer template
Monte Carlo Ceiling Fan Wiring Diagram Wiring Schematic
Wrg 7170 Monte Carlo Fan Light Wiring Diagram
Monte Carlo Ceiling Fan Wiring Diagram Wiring Schematic
Wiring For A Ceiling Fan With Dual Switches Electrical
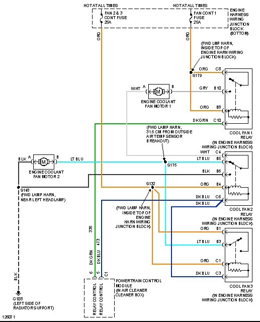
6th Gen 00 05 03 Monte Carlo Ss Cooling Fan Issue
Wrg 3749 Monte Carlo Wiring Diagram
Cooling Fans Not Working The Fans Do Not Work Unless The Ac
Monte Carlo Ceiling Fan Wiring Diagram Wiring Schematic
Download Monte Carlo Ceiling Fan Wiring Diagram From
5di44bsd 44 Discus Ii Fan Brushed Steel Brushed Steel
5cy60rb 60 Cyclone Outdoor Fan Roman Bronze Roman Bronze
I Have A 2003 3400 Engine The Electric Fans Do Not Run
Cooling Fans Not Working The Fans Do Not Work Unless The Ac
Ac Heat Blower Fan Not Working About A Year Ago My Ac Heat
2003 Monte Carlo Fuse Labels Wiring Schematic Diagram
Monte Carlo Ceiling Fan Wiring Diagram Wiring Schematic
Wrg 7170 Monte Carlo Fan Light Wiring Diagram
82 Monte Carlo Wiring Diagram Wiring Schematic Diagram
82 Monte Carlo Wiring Diagram Wiring Schematic Diagram
Dodge Intrepid Fan Wiring To Toggle Montecarloss Com
82 Monte Carlo Wiring Diagram Wiring Schematic Diagram
Source :
pinterest.com
Popular Posts
Application Letter Sample For Electrical Engineer
4 Wire Intercom Wiring Instruction Diagram
99 Jeep Grand Cherokee Stereo Wiring Diagram
Behavior Management Contract Templates
3rd Grade Division Worksheets With Remainders
3 Phase Star Delta Motor Connection Diagram
Astros Schedule 2019 Printable
2012 Nissan Rogue Fuel Filter Location
Americas Tire Certificate Cost
Associate Teacher Certificate Jobs
Agenda Template Excel
Ace Mma Certification
2014 Mitsubishi Lancer Fuse Box Diagram
98 Kium Sportage Fuse Diagram
98 Ford Expedition Fuse Box Diagram
94 Civic Wire Diagram
Audi Fuse Box Diagram
98 Durango Brake Switch Wiring Harnes
Africa Geography Worksheet Pdf
9 Envelope Template
Audi A3 Fuse Box Diagram
Best Receipt Printer For Square
Abraham Lincoln Hat And Beard Template
Acknowledgement Form Template
Add Ssl Certificate To Iis
4l60e Wiring Diagram 2007
Best Online Resume Generator
6th Grade Basic Algebra Worksheets
Actual T Shirt Size Template
Auto Mechanic Invoice Template Excel
45 Minute Schedule Template
Advanced Accounting Certificate Programs
2102 Focu Fuse Box
45 Degree Angle Cut Template
Avery Printable Note Cards
Avery 18863 Template For Word
2013 Chevy Truck Wiring
70 Lincoln
3 1 L Engine Diagram
Ballerina Cut Out Template Large
3 Year Plan Template
Bass Guitar Wiring Diagram 2 Pickups
Addition And Subtraction Worksheets For Grade 5
3 1 Liter Gm Engine Diagram Coil Pack
Baby Registry Card Template Free
85 Blazer Wire Diagram
2012 Vw Jettum Radio Wiring Diagram
A Certification Meaning
2012 Traverse Wiring Diagram
Amp Fuse Box
Auto Solenoid Wiring Diagram
Basic Wiring Diagram Home Ac
4160 Ge Electric Motor Wiring Schematic
Artist Booking Request Letter Sample Pdf
Amazon Resale Certificate