Old Warn Winch Wiring Diagram

Warn Winch 8274 Wiring Diagram Warn 1700 Winch Wiring

Warn Winch 8274 Wiring Diagram Warn 1700 Winch Wiring

The Warn M8000 And M8 Winch Buyer S Guide Roundforge

The Warn M8000 And M8 Winch Buyer S Guide Roundforge

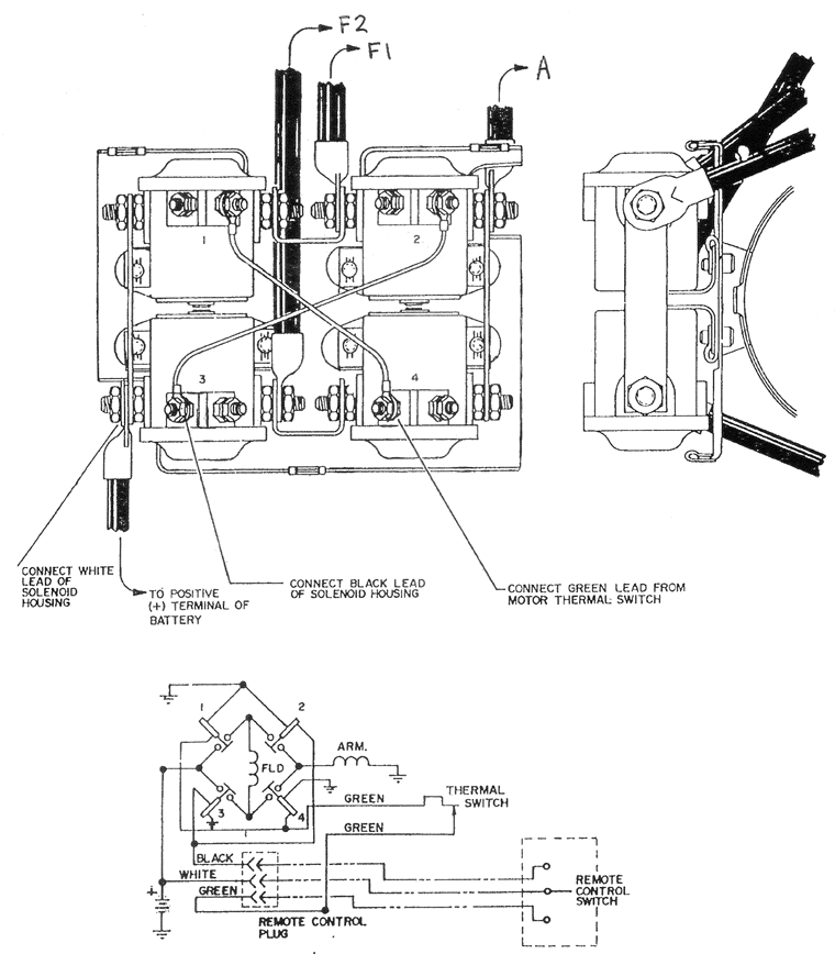
Warn Winch Wiring Diagrams Nc4x4

Warn Winch Wiring Diagrams Nc4x4

Warn Winch Wiring Diagrams Nc4x4

Warn winch wiring diagram solenoid how to wire up a warn m8000 regarding warn winch controller wiring diagram image size 1024 x 750 px and to view image details please click the image.

Old warn winch wiring diagram. Warn m8274 truck winch exploded view warn m8274 winch parts list due to multiple versions serial number will be necessary to ensure proper parts. Here is a picture gallery about warn atv winch wiring diagram complete with the description of the image please find the image you need. Old warn winch wiring diagram chart. Here is a picture gallery about warn winch controller wiring diagram complete with the description of the image please find the image you need.

Xd9000 warn winch wiring diagram solenoid 2001 ezgo golf cart parts and accessories. Rebuild of warn 8274 winch. A wiring diagram is a simplified standard photographic depiction of an electric circuit. Xd9000 warn winch wiring diagram.

It reveals the components of the circuit as streamlined shapes and also the power and also signal connections between the tools. We provide warn warranty service as well as service for out of warranty products. Here are links to the warn exploded diagrams and. Xd9000 warn winch wiring diagram solenoid rxv gas golf cart for sale.

Warn winch repair parts service winch service parts is your western regional warn authorized service center distributor with service parts available for all models of warn winches from atv to commercial applications. Please call 877 463 2344 with serial number for proper application. Assortment of ramsey winch wiring diagram. Cpsc warn industries inc.

Ramsey winch wiring diagram. Then take a small jumper from the 12v to the s terminal of the lower left solenoid green wire and the winch should power in. Exploded view above for reference only. Announce recall of atv winch kits intended for warn atv winch wiring diagram image size 591 x 501 px and to view image details please click the image.

Warn winch remote wiring diagram 2003 trailblazer parts. Ramsey winch parts diagram wiring imageresizertool ramsey winch parts diagram wiring along with tm 9 2320 280 20 3 1076 further mac mini wiring diagram save 24 volt battery wiring diagram new wiring diagram ramsey winch wiring diagram wiring diagram and schematic ramsey winch wiring diagram thank you for visiting our website at this time were excited to announce.

Warn Winch Wiring Diagrams Nc4x4

Warn Winch Wiring Diagrams Nc4x4

Warn Winch Wiring Diagrams Nc4x4

Warn Winch Wiring Diagrams Nc4x4

5 Pin Winch Controller In Cab Wiring Jeep Wrangler Tj Forum

5 Pin Winch Controller In Cab Wiring Jeep Wrangler Tj Forum

Warn Winch Wiring Diagrams Nc4x4

Warn Winch Wiring Diagrams Nc4x4

Warn Xd9000 Solenoid Wiring The Solenoid Box Can Be Pretty

Warn Xd9000 Solenoid Wiring The Solenoid Box Can Be Pretty

Rewiring And Troubleshooting A Warn M8000 Winch Part 1

Rewiring And Troubleshooting A Warn M8000 Winch Part 1

Warn 8274 Rebuild

Warn 8274 Rebuild

Model T Ford Forum Ot Hickey Sidewinder Winch Info Needed

Model T Ford Forum Ot Hickey Sidewinder Winch Info Needed

Rewiring And Troubleshooting A Warn M8000 Winch Part 2

Rewiring And Troubleshooting A Warn M8000 Winch Part 2

Warn Winch Wiring Diagrams Nc4x4

Warn Winch Wiring Diagrams Nc4x4

Warn 8274 Winch Not Responding Jeepforum Com

Warn 8274 Winch Not Responding Jeepforum Com

Warn 8274 On A Yj

Warn 8274 On A Yj

The Warn M8000 And M8 Winch Buyer S Guide Roundforge

The Warn M8000 And M8 Winch Buyer S Guide Roundforge

Warn 8274 Rebuild

Warn 8274 Rebuild

Warn Winch Wiring Diagrams Nc4x4

Warn Winch Wiring Diagrams Nc4x4

Warn 8274 Rebuild

Warn 8274 Rebuild

Old M6000 Ih8mud Forum

Old M6000 Ih8mud Forum

Warn 9000 Winch Wiring Diagram Wiring Diagram

Warn 9000 Winch Wiring Diagram Wiring Diagram

Source : pinterest.com

Popular Posts