Free Printables Online
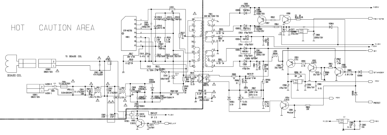
Playstation 1 Circuit Diagram
fan stator wiring diagram
download kawasaki mule wiring diagram
excel it roadmap template
customer onboarding checklist template
different aws certifications
cute printable laundry room signs
downloadable printable monthly household budget template
event planning business plan template free
Playstation 1 Circuit Diagram Wiring Diagram Set
Playstation 1 Circuit Diagram Wiring Diagram
Playstation 1 Circuit Diagram Wiring Library
Wrg 2262 Playstation 1 Circuit Diagram
Playstation 1 Controller Wire Diagram Wiring Diagram Data
Playstation 1 Controller Wire Diagram Wiring Diagram Data
Schematics Console Related Schematics Nfg Games Gamesx
Mick Feuerbacher Audio Projects
Playstation 1 Circuit Diagram Wiring Diagram
Wrg 4671 Playstation 1 Circuit Diagram
Pu 18 5502 Ps1 Boot Issue Assembler Home Of The Obscure
Playstation 1 Circuit Diagram Wiring Library
Playstation Classic Tear Down Disassembly Ps1
Playstation 3 Block Diagram Wiring Diagram
240v On Scph 1000 Power Supply Playstation Development
Pu 18 Mm3 Modchip Installation Diagram William Quade
Making Playstation 1 Modchips
Playstation 1 Controller Wire Diagram Wiring Diagram Data
Av Playstationav Nfg Games Gamesx
Hemc8256a2501r Remotre Control For Playstation 2 Schematics
How To Install A Modchip In A Psone Ps1 Slim Mm3 Psone Modchip Install Tutorial
Source :
pinterest.com
Popular Posts
Carrier Thermostat Installation Diagram
Birth Certificate Holder
Commercial Kitchen Cleaning Schedule Template
Cadillac Headlight Wiring Harnes
Birth Certificate Details Telangana
Chef Cv Template
Birthday Party Flyer Templates
Contract Compliance Certification
Church Ordination Certificates Templates
Cover Letter For Office Assistant Sample
Compound Sentences Worksheet Answer Key
Canoe Diagram Labeled
Bootstrap Document Management Template
Business Plan Word Document Template
Bus Advertising Template
Calculating Your Paycheck Salary Worksheet 1 Answer Key
Blank Invoices Printable Word
Company Profile Template Word Free Download
Buy Tls Certificate
Cash Receipt Template Uk
Certified Nursing Assistant Resume Example
Bill Template Docx
Collaboration Contract Template
Blank Menu Template Free Word
Birthday Card Template Free Printable
Christmas Candy Cane Template
Chevy Tahoe Interior Space
Blank Brochure Templates Word
Business Presentation Templates Pdf
Chevy Wiring Diagram Alternator And Testing
Cadillac Dt Fus
Confidentiality Disclaimer Template
Chevy Brake Light Wiring Diagram
Blank Cv Templates Free Download Word Document
Chevy 4 3 V6 Engine Head Diagram
Cd Player Speaker
Business Profile Sample Word
Clothes Divider Template
Chest Area Chest Anatomy Diagram
Chevy Malibu Engine Diagram Sensor
Company Information Sample
Car Receipt Organizer
Comcast Wire Diagram
Change Request Template For Software Changes
Conditional Offer Of Employment Template
Cd Changer Clarion Cz100 Wiring Diagram
Car Maintenance Excel Template
Birth Certificate Fresno
Blank Printable Labels
Composite Card Template
Corporate Brochure Samples
Competition Certificate Sample
Business Strategy Action Plan Template
Bip Behavior Intervention Plan Template
Car Audio Wiring Diagram For Multiple Amp