Free Printables Online
Porsche Engine Diagram 1990
receipt for ham and bean soup
printable rectangle gift box template
police resume templates word
reliance electric motor wiring diagram
prenuptial agreement india sample
purchase order sample po
postcard examples templates
printable pregnancy confirmation letter
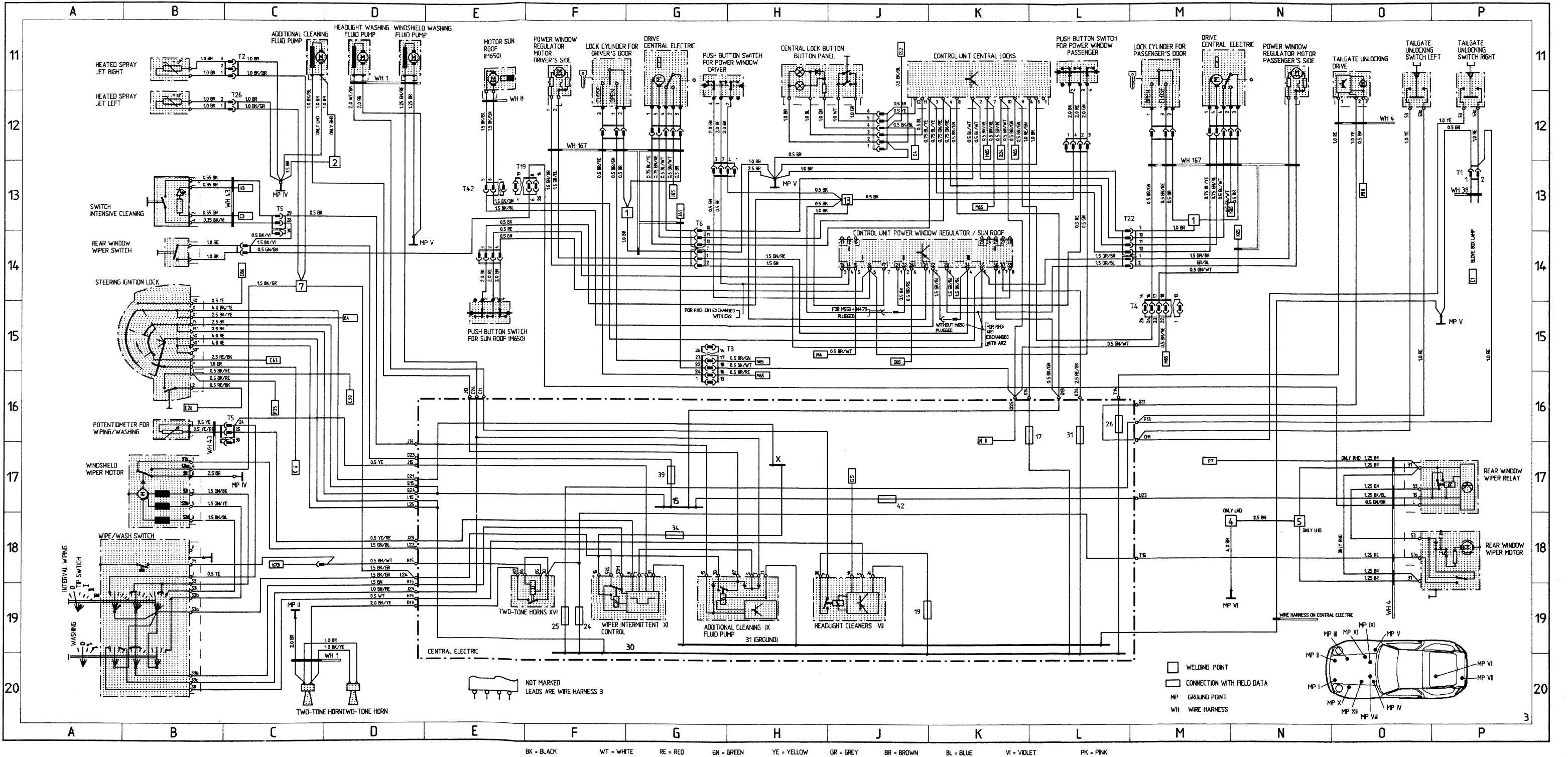
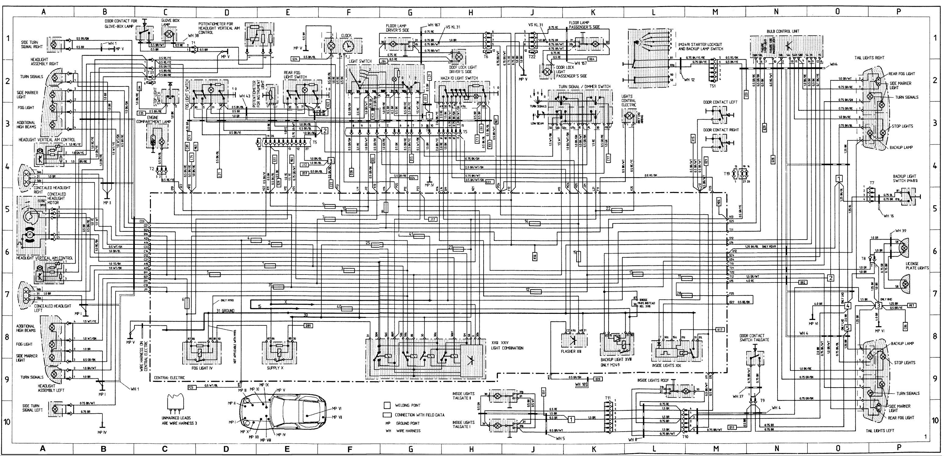
Porsche 928s4 1990 Diagram Index
Wrg 8282 Porsche 911 Engine Diagram
Porsche 928s4 1990 Diagram Index
Porsche 911 Dash Wiring Wiring Diagram Source
3 2 Motronic Wiring Harness Diagram Pelican Parts Forums
Factory Alarm System As Source Of Problem Rennlist
Porsche 928s4 1990 Diagram Index
1990 Engine Diagram Wiring Diagram
Porsche Engine Diagram 1990 Electricity Site
Details About Porsche Oem 02 08 911 Engine Cylinder Head Gasket 99610420104
Porsche 911 964 Parts
Porsche 924 Wikipedia
Buy Porsche 964 911 1989 1994 Oil System Pipes
The Porsche 944 Is No Longer The Bargain It Once Was
Details About Porsche Oem 89 98 911 3 6l H6 Engine Timing Cover Left 96410510701
Sticker Engine Specifications For Porsche 964
Fixed Spoiler 99661207051 Wiring Diagram Rennlist
Engine Compartment Idiot S Guide To The 964 Engine
The Front Engine Porsches Heacock Classic Insurance
Porsche 928s4 1990 Diagram Index
Model Guide The 964 Was A New 911 With Classic Looks
Source :
pinterest.com
Popular Posts
Lease Template Florida
Kium Picanto Wiring Diagram
House Simple House Lease Agreement Template
Honda 110 Atv Wiring Harnes For
House Inspection Checklist Template
Kids Coupon Book Template
Hunter Ceiling Fan With Remote Wiring Diagram Honeywell
Honda Ridgeline Wiring Harnes
Ih 3288 Wiring Diagram
Lease Purchase Template
Lexu Gs300 Alternator
Lessons Learned Template
Layoff Notice Template Canada
Job Application Template For Kids
Jeep Cj5 Wiring Harnes Diagram
Job Offer Rescind Letter Template
Jeep Liberty Front Winch Bumper
Itil Certification Test
Hr Director Cover Letter Sample
Ktm Duke 640 Wiring Diagram
Laser Cut Templates
House Cleaning Templates Free
Make A Resume Online Free Download
Johnson Trim Gauge Wiring Diagram
How To Create A Sales Receipt In Excel
Lcdc Certification Online
High Pressure Fuel Filter
Howell 4l80e Wiring Harnes
Legal Business Cards Templates Free
Jojo Siwa Printable Birthday Invitations
Jeep Wrangler Hub
Lined Page Template
Letter Sounds Worksheets For Kindergarten Pdf
Hvac Control Drawing Symbol
Investor Update Email Template
Lesson Plan Templates For Spanish Teachers
Hot Topic Resume
Honda Civic 2004 Break Light Fuse Box Diagram
Lower Third Ae Template
Income Expense Sheet Excel Template
Hospital Marketing Plan Template
It Audit Certification
Kenwood Kdc 122 Wiring Diagram 138
Light Socket Wiring Diagram
Hr Forms Templates Free
House Main Wiring Diagram
Lease Renewal Template Free
Letter Of Intent To Lease Template
Listing Presentation Template Pdf
Ice Cream Invitation Template Free
Line Of Credit Loan Agreement Template
How To Create Html Template
Health Cloud Certification
International Diamond Certificate
How To Write To A Recruiter Sample