Free Printables Online
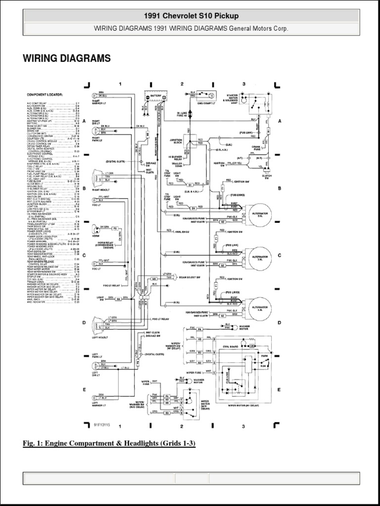
S10 Wiring Diagram Pdf
shock absorber repair
sommelier certification nyc
standard printable rental agreement
sales receipt template word
stebel air horn wiring diagram
soccer birthday invitation template
sample action plan template
simple employment contract sample philippines
Awesome Collection Of 2000 Chevy S10 Wiring Diagram Wiring
5 3l Wiring Diagram Digital Resources
S10 Wiring Diagram Pdf 87 S10 Wiring Diagram
Could Someone Get Me A Wire Diagram Of A1983 Chevy S10 2 D P
1995 S10 Wiring Diagram Pdf Catalogue Of Schemas
1991 1993 2 8l Chevy S10 Starter Motor Circuit Diagram
1995 S10 Wiring Diagram Pdf Wiring Library
S10 Wiring Diagram Pdf 87 S10 Cciwinterschool Org
2003 S10 Wiring Harness Diagram Epub Pdf
1983 S10 Wiring Schematic Epub Pdf
Nissan N16 Wiring Diagram Catalogue Of Schemas
2001 Chevy S10 Wiring Diagram Radio Wiring Diagram Schematics
95 S10 Wiring Diagram Epub Pdf
S10 Pickup Wiring Diagram Wiring Diagram Database
2002 Chevy S10 Wiring Diagram Wiring Diagram
August 2010 Ashikin Watever Girl Blogspot Com
99 Blazer Abs Wiring Diagram S10 Wiring Diagram Pdf 1997
1995 S10 Wiring Diagram Pdf Catalogue Of Schemas
S10 Fuse Diagram S10 Wiring Diagram Pdf 1997 Chevy S10 Fuse
Tag Archived Of Wiring Diagram Maker Arduino 1991 Chevy
Twin Fluorescent Lamp Wiring Diagram Visitfowey Org
Source :
pinterest.com
Popular Posts
Hotel Reservation Cancellation Letter Sample
Interposing Relay Diagram
Interior Lamp Wiring
How To Manage Your Checking Account Worksheet Answers Key
How To Make A Receipt For Partial Payment
Job Search Schedule Template
Iphone 11 Receipt Online
John Deere X300 Fuse Box
Hip Hop Concert Flyer Template
Improving Self Esteem Worksheets
Late Payment Sample Letter For Overdue Payment
Ingintion Switch 1994 Club Car Wiring Diagram
Landing Page Design Templates
Layout Tattoo Sleeve Template Photoshop
Lease Agreement Template Nevada
Internal Communication Plan Template Excel
Justification For Promotion Sample Letter
Healthcare Coach Certification
Kubotum Tractor Wiring
Letter Of Recommendations Examples
Louisiana Mediation Certification
Locker Room Nameplate Template
Key Account Plan Template Free
Kenworth Wiring Diagram Pdf
Investor Agreement Investment Contract Sample
Loyalty Card Template Free Microsoft Word
John Deere Riding Mower Wiring Diagram
Invitation Design Templates Photoshop
Laptop Quotation Sample
Inventory Management Template
Indesign Manual Templates Free
Holiday Complaint Letter Template Uk
Lease Agreement Template Texas
Jaycar Fuse Box
Human Resources Resume Examples
Jazzmaster Wiring Diagram
High School Private School Organizational Chart Sample
Honda City 2010 Fuse Box Diagram
Home Run Electrical Wiring
How To Make An Email Template
Job Interview Summary Sample
Jordanian Marriage Certificate
Loan Acknowledgement Letter Sample
Home Wiring Stematic Guide
Landscaping Cost Estimate Sample Philippines
Hvac Drawing Picture
Indian Cash Receipt Format In Excel
Job Application And Resume Format
House Inventory Template
I Cinema Ihd 901 Wiring Diagram
Mailchimp Email Template Examples
Hold Harmless Language Sample
Jeopardy Template With 6 Categories
Kenworth Air Conditioner Electrical Diagram
Indian Restaurant Menu Templates Free Download