Scion Xb Alternator Wiring Diagram

Check out the 38 special shell i used to cover the threads on my battery hold down rod.
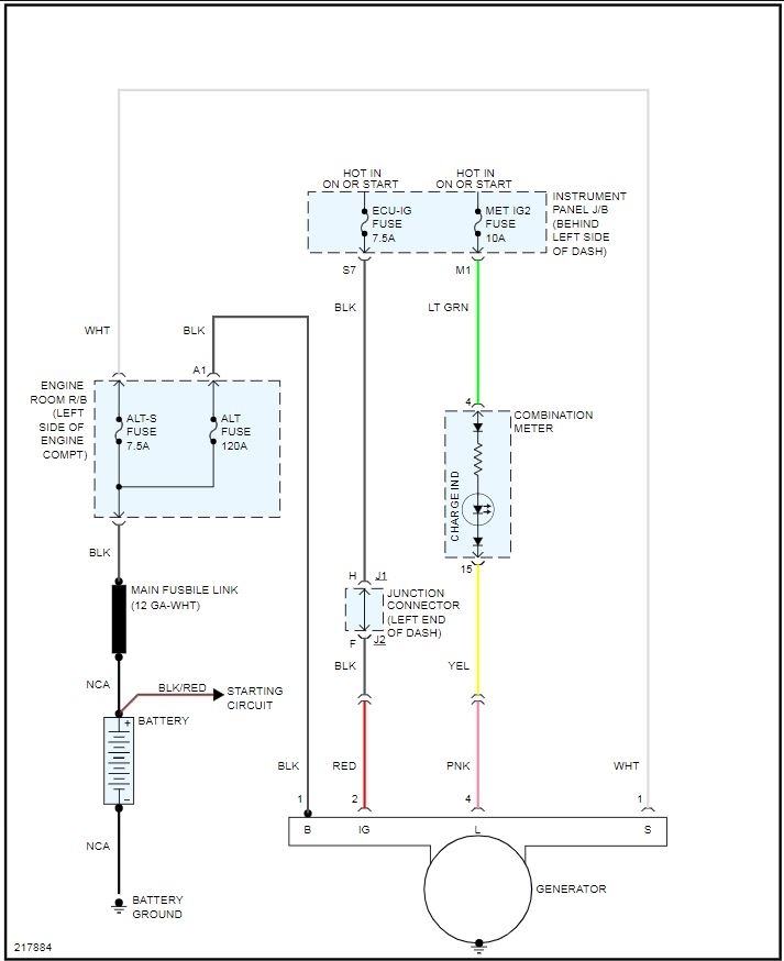
Scion xb alternator wiring diagram. It is the same as a paper manual but for a fraction of the cost. Thomas in 06 category on nov 16 you can also find other images. Download 2006 toyota scion xa xb service manual. Ncp61 series refer to the following manuals for additional service.
Wiring diagram scion xa em00d0u page 3 foreword this wiring diagram manual has been prepared to provide information on the electrical system of the 2006 xa. Here at scion xb pdf manuals online download links pageintended to offer scion xb owners available manufacturers specificationsfactory bullenoem original equipment manufacturerserviceworkshopbooklets and tsbselectrical wiring diagrams schematicsparts list numbertechnical service bulletin and recallstutorialsinstructionstechnical informationsto help driversusers quickly. Equip cars trucks suvs with scion xb belt tensioner from autozone. 2013 scion xb radio wiring diagram wiring diagram is a simplified normal pictorial representation of an electrical circuitit shows the components of the circuit as simplified shapes and the capability and signal contacts in the midst of the devices.
This is a repair manual and service manual for a 2006 toyota scion xa xb. The car is having problems staying running and not starting and we have to rev it up to keep it from dying. Scion xb engine diagram thank you for visiting our site this is images about scion xb engine diagram posted by benson fannie in scion category on nov 04 2019. 2006 toyota scion xa xb service manual.
I replaced both the alternator and the battery but two months later the new battery has died. Hi all im having a problem with my 2005 scion xb. A wiring diagram is a simplified standard pictorial depiction of an electric circuit. Collection of scion tc wiring diagram.
And added a few small details and connected a run of 2awg of power wire from alternator pos to battery pos. It reveals the elements of the circuit as streamlined forms and the power as well as signal links between the devices. A 1 year old battery died on me in january and the problem was diagnosed as the alternator overcharging the battery. The battery appears to get a normal current from the alternator at this point.
Autozone tested the system and said the battery was bad so she got a new battery the problem stopped for a week then again same problems. You can also find other images like scion wiring diagram scion parts diagram scion replacement parts scion electrical diagram scion repair manuals scion engine diagram scion engine scheme diagram scion wiring harness diagram. 06 dodge ram wiring diagram this is images about 06 dodge ram wiring diagram posted by cassandra w. This service manual repair manual covers every service and repair imaginable.
Connectors overall electrical provides circuit diagrams showing the circuit connections.