Free Printables Online
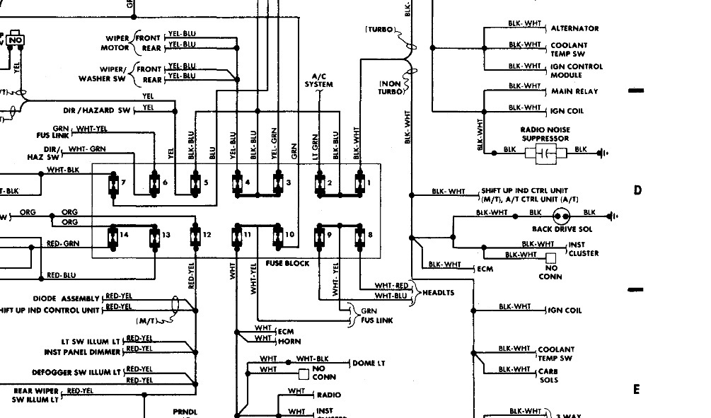
Sprint Alternator Wiring
c templates the complete guide
business proposal template pdf free
company share certificate format
contract for hire template
business plan pro forma template
brand building plan template
cat ecm pin wiring diagram 70 c10
complaint cease and desist letter template
Repair Guides
One Wire Alternator
Gm Alternator Identification
Briggs And Stratton Power Products 030692 00 Sprint 3200a
Mtd Riding Mower Wiring Diagram With Yard Machine On In 2019
Swr Web Site Nos Sprint Wiring
Wiring Diagrams 59 60 64 88 El Camino Central Forum
Repair Guides
1989 Chevrolet Sprint Electrical Problem Died While Idling
Falcon Diagrams
1967 Pontiac Firebird Wiring Diagram Manual Reprint
1989 Chevrolet Sprint Electrical Problem Died While Idling
Triumph Sprint St 955i Wiring Diagram Diagrams Wire
2001 Triumph Tt600 Wiring Diagram Triumph Forum Triumph
Speed Triple Tiger Sprint 955 Lead Wire Alternator Coil Generator Oe Stator Assy
Wiring Diagrams 911 December 2011
Wiring Diagrams 59 60 64 88 El Camino Central Forum
Repair Guides
Details About Speed Triple Tiger Sprint 955 Lead Wire Alternator Coil Generator Oe Stator Assy
Wiring Diagram 2s Electrical Instruments By Lotuselan Net
Briggs And Stratton Power Products 030690 00 Sprint 1200a
Source :
pinterest.com
Popular Posts
Training Needs Analysis Report Template
Toyotum Corolla 2005 Fuse Box Radio
Universal Turn Signal Dim Switch Wiring Diagram
Wiring Adapter For Fifth Wheel
Tops Coupons Printable
Thank You For Coming Sticker Template
Traffic Ticket Receipt
Work Excuse Letter Template
Vendor Service Contract Template
Uppercase Alphabet Large Alphabet Flashcards Printable
Where To Post Resume Online For Free
Wedding Photo Templates
Template Product Brochure Sample
Vw Engine Wiring Harnes
What Is Acupuncture Math Worksheet
Wiring Harnes Frame Clip
Wiring Diagram For 2001 Tundra
Visio Network Diagram Examples
Switch Panel Wiring Diagram 12v
Traveller Caravan Wiring Diagram
Wedding Photo Booth Strip Template
Training Announcement Flyer Template
Urgent Care Doctors Excuse Template For Work
Template North Pole Envelope Printable
Word Printable Scholarship Application Template
Yamaha 115 Hp Outboard Wiring Diagram Furthermore
Swim Lane Chart Template
Trade Show Planning Template Excel
Track Vacation Time Excel Template
Volunteer Appreciation Letter Template
Volunteer Waiver Template
Wiring Diagram For Street Light
Top Resume Designs 2019
Welding Certification Arkansas
Wiring Harnes For Ford Fusion
Texas Auto Bill Of Sale Printable
T Shirt Sale Flyer Template
Travel Trailer Bill Of Sale Printable
Word Document Project Management Report Template
Wiring Amp To Radio
Tellhappystar Com Receipt Survey
Toyotum Pickup Wiring Diagram
Voting Ballot Template
Wiring Diagram 2000 Kawasaki 220 Atv
Work Sample Recommendation Letter For Employee From Employer
Tenancy Addendum Template Uk
Thank You Template For Interview
Training Certificate Of Attendance Samples
Wheel Of Fortune Wheel Template
Tri Fold Shutter Card Template
Vertical Video Template
Tent Card Template 6 Per Sheet
Ultrasound Certification Course
Work Productivity Log Template
Template Simple Child Care Invoice