Subaru Injector Wiring Diagram

General fuel pressurized by the fuel pump built into the fuel tank is delivered to fuel injectors by way of the fuel pipe and fuel filter.
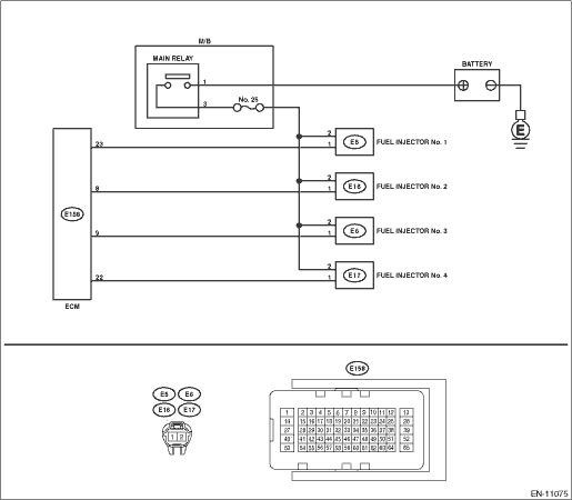
Subaru injector wiring diagram. It is easy and free. Sample diagram how to read and interpret wiring. Electronic fuel injection ecm engine control module ecu electronic control unit edu electronic driving unit eps electric motor power steering jb junction block led light emitting diode lh left hand mt manual transmission rb relay block rh right hand srs supplemental restraint system trac traction control. To do an accurate continuity test you would need to unplug the connectors at the injectors as well as unplug the b22e3 connector.
Robinsubaru eh72 2 fuel injection exploded view parts lookup by model. It is very time consuming to detect and prove a clogged. You can read data from the ecu or a saved file by selecting the appropriate menu option. All injectors share the same power source.
Subaru coupessedanswagons 1985 1996 repair guide. Complete exploded views of all the major manufacturers. Autozone repair guide for your chassis electrical wiring diagrams wiring diagrams. Fuel is regulated to the optimum pressure level by the pressure regula tor on the way to the injectors.
Engine control wiring 1985 16l. Fuel injectors are attached to the fuel rail. Common wiring diagram symbols. The subaru wire diagrams are very easy to read and give a ton of information regarding how the system functions.
Power comes to the 2 pin of the injectors on the wiring diagram. The ecm controls the ground of each injector individually those are the 1 pins of the injectors. Learn to test and analyze automotive fuel injector circuits from a wiring diagram perspective. The wiring diagrams were only the start.
Ive started a small library to store all of this information for use at the hangar. I need a fuel injector wiring diagram for a 1997 subaru legacy outback code on 3 4 looks like mice chewed subaru outback question. Subaru 1997 1998 impreza service manual.