Free Printables Online
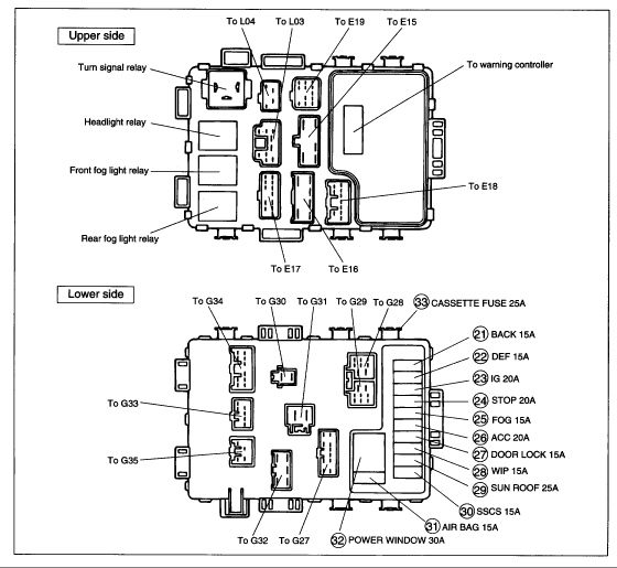
Suzuki Esteem Fuse Box Diagram
yoga alliance certification
yankees 2018 printable schedule
yellow black powerpoint template
yj turn signal switch wiring diagram
yearly budget planner excel template
zebra gk420t label template
yearly budget template free
youtube video template
Heater Fuse Need Fuse Diagram For 2000 Suzuki Esteem
Heater Fuse Need Fuse Diagram For 2000 Suzuki Esteem
2000 Suzuki Esteem Fuses My Problem Is When I Pluged My
2000 Suzuki Esteem Fuse Box Wiring Schematic Diagram
Suzuki Cultus 2008 Wiring Diagram Esteem 1 8 Engine Tutorial
Cant Find The Second Fuse Box My Wipers Are Not Working
Fuse Box Diagram Suzuki Questions Answers With Pictures
Clubman 2013 Fuse Box Diagram Wiring Library
Suzuki Esteem Fuse Diagram Wiring Diagram
Suzuki Ignis Fuse Box Diagram New Wiring Resources 2019
Wrg 1887 2001 Suzuki Esteem Fuse Box Location
Cant Find The Second Fuse Box My Wipers Are Not Working
2008 Suzuki Sx4 Fuse Box Diagram Wiring Radio Esteem Smart
Wrg 0912 2001 Suzuki Esteem Fuse Box Diagram
2002 Suzuki Xl7 Fuse Box Wiring Schematic Diagram 94
I Blew A Fuse For My Radio Lighter 2001 Suzuki Esteem Glx
Suzuki Esteem 2002 Fuse Box Wiring Schematic Diagram
Wrg 4500 Suzuki Esteem Fuse Box Location
Fuse Box Swift Wiring Diagram Yer Be Forward Auto Parts 2000
Suzuki Esteem Suspension Damage Intermittent Electrical Issue
Suzuki Swift Fuse Box Diagram Auto Genius Wiring Compartment
Source :
pinterest.com
Popular Posts
Real Estate Client Database Excel Template
Proces Flow Diagram Pfd
Printable Pet Adoption Certificates Free
Printable Menu Cards
Professional Experienced Mechanical Engineer Resume
Program Proposal Sample Pdf
Project Meeting Agenda Template Excel
Record Board Template
Printable Cat Birth Certificate
Receipt Bank Xero
Printable Bible Story Pictures For Sunday School
Resume And Cover Letter Tips
Resume Cover Letter Examples 2019
Professional Introduction Email Sample
Restaurant Manager Daily Report Sample
Printable Mosaic Patterns For Kids
Returned Check Fee Letter Template
Printable Hall Passes
Quotation Sample Pdf
Printable Free Spreadsheet Templates
Restaurant Company Profile Template
Project Manager Daily Log Template
Printable Calendar 2020 April
Preschool Powerpoint Templates Free Download
Resume Template For Fresh Graduate Without Experience
Printable Plastic Cards
Printable Fancy Gingerbread House Templates
Printable Sample Cleaning Schedule
Printable Lease Agreement Template
Raffle Prize Donation Letter Template Uk
Pythagorean Theorem Worksheet
Product Purchase Contract Template
Printable Diy Coupon Book Template
Printable Coupons And Deals For Walmart
Production Manager Resume
Razor Blade Coupons Printable
Printable Divorce Papers Virginia
Rainbow Light Coupon Printable
Printable Blank Note Cards
Premiere Pro Photo Montage Template Free
Printable Baby Wrapping Paper
Printable Baseball Bat Template
Proposal Submission Unsolicited Proposal Template
Production Call Sheet Template Excel
Resume Writers In New Orleans
Professional Business Plan Template Pdf
Rapid Start Wiring Diagram
Preschool Daily Schedule Printable
Professional Resume Format Free
Residential Construction Budget Template
Printable Medicare Claim Form
Reverse Polarity Contactor Wiring Diagram
Privacy Waiver Templates
Receipts Dollar Com
Printable Recipe Card Template Free