Free Printables Online
Suzuki Esteem Wiring Diagram
see my resume attached
sales analysis report template excel
sample pledge form
sample change order
sample organogram of an ngo
stereo headphone jack diagram
simple deer stencil printable
saab 900 alternator wiring diagram
Suzuki Esteem Wiring Diagram Product Introductions
1998 Suzuki Esteem Wiring Diagram Manual Original
1998 Suzuki Esteem Fuse Box Diagram Wiring Diagram
1998 2000 Suzuki Esteem Wiring Diagram Manual Original
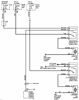
Wiring Schematic Diagram 1996 Suzuki Esteem Cooling Fan
1996 Suzuki Esteem Wiring Diagram Manual Original
Suzuki Esteem Wiring Diagram Manual Original
1998 2000 Suzuki Esteem Wiring Diagram Manual Original
1998 Suzuki Esteem Electrical Wiring Diagram Service Manual
Suzuki Swift Fuse Box Diagram Auto Genius Wiring Compartment
Details About 1996 1997 Suzuki Esteem Sedan Factory Original Wiring Diagram Manual Gl Glx 1 6l
Suzuki Esteem Wiring Diagram Gudang Serba Ada
99 Suzuki Wiring Diagram Wiring Schematic Diagram 26
2000 Suzuki Esteem Front Suspension Diagram Image Details
1995 Suzuki Esteem Wiring Diagram Manual Original
1998 1999 2000 Suzuki Esteem Wiring Diagram Service Manual
2001 Suzuki Esteem Belt Diagram Wiring Schematic Wiring
1998 Suzuki Esteem Electrical Wiring Diagram Shop Manual
2002 Suzuki Esteem Engine Diagram Wiring Diagram G11
Wrg 7069 Suzuki Esteem Wiring Diagram
1998 2001 Suzuki Esteem Wiring Diagram Manual Original
Source :
pinterest.com
Popular Posts
Fish Body Part Diagram
Fuse Box Diagram For Saturn
Freightliner Electrical Wiring Diagram For Tail Light
Free Printable Automobile Bill Of Sale
Graduation Invitations Samples Free
Guitar Wiring Diagram 2 Humbucker 5 Way Switch
Harry Potter Calendar 2019 Printable
Ga Bike
Final Demand Letter Template South Africa
Gmc Wiring Harnes 2016 Gmc Back Bumber
Generate Tls Certificate
Flag Banner Template Photoshop
Free Food Log Template
Free Printable Last Will And Testament Arkansas
Free Sample Job Application Letter Sample Doc
Free Vacation Itinerary Template
Hair Certification Classes
Free Sample Biodata For Marriage
Free Printable Employee Time Sheets
Free Printable Daily Hourly Schedule Template
Generic Fax Cover Sheet Template Google Docs
Ford 3g Alternator Wiring Diagram
Free Award Certificate Template Word
Format Igcse Informal Letter Writing Samples
Fiat Uno 1100 Fuse Box
Food Web Worksheet High School
Fillable Blank Bill Of Lading Form
Generac Automatic Transfer Switch Wiring Diagram
Financial Advisory Services Agreement Template
Girl Party Invitations Free Printable
Free Case Study Template
Free Forms Online Printable
Grant Application Budget Template
Free Comparison Chart Template
Fuse Box 2006 Dodge Ram 1500
Fuse Panel 2000 Ford F150 Fuse Box Diagram
Ge Breaker Diagram
Ford Mustang Factory Radio Wiring
Free Printable Crossword Puzzles For Kids Pdf
Free Restaurant Receipt Maker
Free Printable Pentagram
Free Printable Durable Power Of Attorney Form For Virginia
Final Written Warning Template South Africa
Fender Jazz Bass Headstock Dimensions
Gm 3 1 Engine Diagram
Ged Mathematics Practice Pdf
Free Printable Harry Potter Invitations Template
Harley Davidson Headlight Wiring Harness
Football Team Position Template
Food Shopping List Template Excel
Free Board Game Templates
Free Online Bid Proposal Template
Free Printable Nativity Stick Puppets
Free Basic Business Plan Template Word
Free Home Diagram