Free Printables Online
Tcby Yogurt Sign Wiring Diagram
acoustasonic telecaster wiring diagram
backward design template
5th grade math brain teasers worksheets
acura tsx engine belt diagram
avery 10 label template
adobe xd web design templates
220 house wiring diagram
avery 5390 template indesign
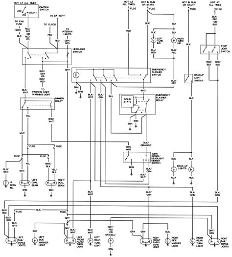
Tcby Yogurt Signs Wiring Diagram Wiring Schematic Diagram
Easy Tcby Yogurt Ice And Food
Tcby Yogurt Signs Wiring Diagram Wiring Schematic Diagram
Wrg 3749 Tcby Yogurt Signs Wiring Diagram
Fdd Mrs Fields Tcby Frozen Yogurt Franchise
Easy Tcby Yogurt Ice And Food
Tcby Yogurt Signs Wiring Diagram Wiring Diagram
Tcby Yogurt Signs Wiring Diagram Wiring Schematic Diagram
Wiring Diagrams For Signs Schematics Online
The Top Global Franchises
Exit Sign Wiring Diagram Suzuki Dr 600 Wiring Diagram 1968
Exit Sign Wiring Diagram Suzuki Dr 600 Wiring Diagram 1968
Wrg 3714 Bodine Led Wiring Diagram
Every State S Most Important Food Innovation Thrillist
Tcby Yogurt Container Kiosk Plan Designed By Lu Schildmeyer
Nicor Exit Sign Wiring Diagram Wiring Diagram
Easy Tcby Yogurt Ice And Food
Brand New The Country S Blandest Yogurt
Exit Sign Wiring Diagram 277v Wiring Diagram
Download Tcby Yogurt Signs Wiring Diagram From Books87 Myq
Brand New The Country S Blandest Yogurt
Source :
pinterest.com
Popular Posts
Lease Agreement Template Maryland
Hoshin Kanri Certification
Internal Quality Audit Checklist Template
High School Musical Theatre Resume Template
How To Upload Your Resume On Linkedin
Invitation For Visa Sample
Ipc 620 Certification
Jaguar X Type Fuel Filter Location
International Durastar Air Tank Schematic
Large Printable Word Search
List Template Word
K Math Worksheets
Job Promotion Template
Lockout Tagout Form Template
Kaleidoscope After Effects Template Free
Mad Science Birthday Invitation Template
Lobola Celebration Invitation Template
Istqb Certification Cost
It Project Management Templates For Excel
Long Sleeve T Shirt Template Illustrator Free
It Issue Tracking Log Template
Jet Planer Wiring Diagram
Homeschoolmath Net Worksheets
International Death Certificate Format
Lamar Certification Programs
Les Paul Guitar Templates
Landmark Wiring Diagram For Spa
Lux 500 Thermostat Wiring Diagram
How To Put Ged On Resume
Mack Mp8 Engine Diagram
Home Health Resume Samples
International Scout 80 Brake Shoe Diagram
Hvac Drawing Convention
Land Rover Wiring Diagram Kenwood Car Audio
Hr Resume Format For Freshers
Maintenance Agreement Template
Hid Conversion Wiring Diagram
Independent Consultant Resume
Human Resources Consulting Proposal Template
Light Fitting Wiring Diagram Nz
How To Upload Your Resume To Indeed
Ios Developer Resume Sample
Ls1 Engine Wiring Diagram
Herbalist Certification California
Internal Auditor Resume
Liftgate Wiring Diagram
Labor Unions Worksheet Pdf
Hr Due Diligence Checklist Template
Invisible Fence Wiring Diagram
Laguardia Certificate Programs
Legal Affidavit Template
Incredibles Mask Template Printable
How To Look Up Items On Walmart Receipt
Installment Agreement Printable Simple Payment Agreement Template
Lt1 Wiring Harnes Modification